º¹½Ä½º·¯½ºÆ®º¼º£¾î¸µ  
º¹½Ä½º·¯½ºÆ®º¼º£¾î¸µ
ÀϺ»Á¤°ø(ÁÖ) ( NSK ) 
| 
    
         | 
	
| 40°Ç Áß 1~40°Ç Ç¥½Ã | |
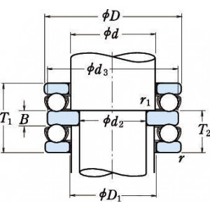
| Çü½Ä | ȣιøÈ£ | d2 (mm)  | d (mm)  | D (mm)  | T1 (mm)  | r (mm) ÃÖ¼Ò  | r1 (mm) ÃÖ¼Ò  | 
| Çü½Ä | ȣιøÈ£ | d2 (mm)  | d (mm)  | D (mm)  | T1 (mm)  | r (mm) ÃÖ¼Ò  | r1 (mm) ÃÖ¼Ò  | 
| 52202 | 52202 | 10 | 15 | 32 | 22 | 0.6 | 0.3 | 
| 52204 | 52204 | 15 | 20 | 40 | 26 | 0.6 | 0.3 | 
| 52205 | 52205 | 20 | 25 | 47 | 28 | 0.6 | 0.3 | 
| 52206 | 52206 | 25 | 30 | 52 | 29 | 0.6 | 0.3 | 
| 52207 | 52207 | 30 | 35 | 62 | 34 | 1 | 0.3 | 
| 52208 | 52208 | 30 | 40 | 68 | 36 | 1 | 0.6 | 
| 52209 | 52209 | 35 | 45 | 73 | 37 | 1 | 0.6 | 
| 52210 | 52210 | 40 | 50 | 78 | 39 | 1 | 0.6 | 
| 52211 | 52211 | 45 | 55 | 90 | 45 | 1 | 0.6 | 
| 52212 | 52212 | 50 | 60 | 95 | 46 | 1 | 0.6 | 
| 52213 | 52213 | 55 | 65 | 100 | 47 | 1 | 0.6 | 
| 52214 | 52214 | 55 | 70 | 105 | 47 | 1 | 1 | 
| 52215 | 52215 | 60 | 75 | 110 | 47 | 1 | 1 | 
| 52216 | 52216 | 65 | 80 | 115 | 48 | 1 | 1 | 
| 52217 | 52217 | 70 | 85 | 125 | 55 | 1 | 1 | 
| 52218 | 52218 | 75 | 90 | 135 | 62 | 1.1 | 1 | 
| 52220 | 52220 | 85 | 100 | 150 | 67 | 1.1 | 1 | 
| 52222 | 52222 | 95 | 110 | 160 | 67 | 1.1 | 1 | 
| 52224 | 52224 | 100 | 120 | 170 | 68 | 1.1 | 1.1 | 
| 52226 | 52226 | 110 | 130 | 190 | 80 | 1.5 | 1.1 | 
| 52228 | 52228 | 120 | 140 | 200 | 81 | 1.5 | 1.1 | 
| 52230 | 52230 | 130 | 150 | 215 | 89 | 1.5 | 1.1 | 
| 52240XM | 52240X | 170 | 200 | 280 | 109 | 2 | 2 | 
| 52305 | 52305 | 20 | 25 | 52 | 34 | 1 | 0.3 | 
| 52306 | 52306 | 25 | 30 | 60 | 38 | 1 | 0.3 | 
| 52307 | 52307 | 30 | 35 | 68 | 44 | 1 | 0.3 | 
| 52308 | 52308 | 30 | 40 | 78 | 49 | 1 | 0.6 | 
| 52309 | 52309 | 35 | 45 | 85 | 52 | 1 | 0.6 | 
| 52310 | 52310 | 40 | 50 | 95 | 58 | 1.1 | 0.6 | 
| 52311 | 52311 | 45 | 55 | 105 | 64 | 1.1 | 0.6 | 
| 52312 | 52312 | 50 | 60 | 110 | 64 | 1.1 | 0.6 | 
| 52313 | 52313 | 55 | 65 | 115 | 65 | 1.1 | 0.6 | 
| 52314 | 52314 | 55 | 70 | 125 | 72 | 1.1 | 1 | 
| 52315 | 52315 | 60 | 75 | 135 | 79 | 1.5 | 1 | 
| 52316 | 52316 | 65 | 80 | 140 | 79 | 1.5 | 1 | 
| 52317 | 52317 | 70 | 85 | 150 | 87 | 1.5 | 1 | 
| 52318 | 52318 | 75 | 90 | 155 | 88 | 1.5 | 1 | 
| 52320 | 52320 | 85 | 100 | 170 | 97 | 1.5 | 1 | 
| 52322 | 52322 | 95 | 110 | 190 | 110 | 2 | 1 | 
| 52324 | 52324 | 100 | 120 | 210 | 123 | 2.1 | 1.1 | 
| Çü½Ä | d3 (mm)  | D1 (mm)  | T2 (mm)  | B (mm)  | ÃëºÎ°ü°èÄ¡¼ö(mm) | ÃëºÎ°ü°èÄ¡¼ö(mm) | ÃëºÎ°ü°èÄ¡¼ö(mm) | 
| Çü½Ä | d3 (mm)  | D1 (mm)  | T2 (mm)  | B (mm)  | Da ÃÖ´ë  | ra ÃÖ´ë  | rb ÃÖ´ë  | 
| 52202 | 32 | 17 | 13.5 | 5 | 24 | 0.6 | 0.3 | 
| 52204 | 40 | 22 | 16 | 6 | 30 | 0.6 | 0.3 | 
| 52205 | 47 | 27 | 17.5 | 7 | 36 | 0.6 | 0.3 | 
| 52206 | 52 | 32 | 18 | 7 | 42 | 0.6 | 0.3 | 
| 52207 | 62 | 37 | 21 | 8 | 48 | 1 | 0.3 | 
| 52208 | 68 | 42 | 22.5 | 9 | 55 | 1 | 0.6 | 
| 52209 | 73 | 47 | 23 | 9 | 60 | 1 | 0.6 | 
| 52210 | 78 | 52 | 24 | 9 | 62 | 1 | 0.6 | 
| 52211 | 90 | 57 | 27.5 | 10 | 72 | 1 | 0.6 | 
| 52212 | 95 | 62 | 28 | 10 | 78 | 1 | 0.6 | 
| 52213 | 100 | 67 | 28.5 | 10 | 82 | 1 | 0.6 | 
| 52214 | 105 | 72 | 28.5 | 10 | 88 | 1 | 1 | 
| 52215 | 110 | 77 | 28.5 | 10 | 92 | 1 | 1 | 
| 52216 | 115 | 82 | 29 | 10 | 98 | 1 | 1 | 
| 52217 | 125 | 88 | 33.5 | 12 | 105 | 1 | 1 | 
| 52218 | 135 | 93 | 38 | 14 | 110 | 1 | 1 | 
| 52220 | 150 | 103 | 41 | 15 | 125 | 1 | 1 | 
| 52222 | 160 | 113 | 41 | 15 | 135 | 1 | 1 | 
| 52224 | 170 | 123 | 41.5 | 15 | 145 | 1 | 1 | 
| 52226 | 189.5 | 133 | 49 | 18 | 160 | 1.5 | 1 | 
| 52228 | 199.5 | 143 | 49.5 | 18 | 170 | 1.5 | 1 | 
| 52230 | 214.5 | 153 | 54.5 | 20 | 180 | 1.5 | 1 | 
| 52240XM | 279 | 204 | 66.5 | 23 | 240 | 2 | 2 | 
| 52305 | 52 | 27 | 21 | 8 | 38 | 1 | 0.3 | 
| 52306 | 60 | 32 | 23.5 | 9 | 45 | 1 | 0.3 | 
| 52307 | 68 | 37 | 27 | 10 | 52 | 1 | 0.3 | 
| 52308 | 78 | 42 | 30.5 | 12 | 60 | 1 | 0.6 | 
| 52309 | 85 | 47 | 32 | 12 | 65 | 1 | 0.6 | 
| 52310 | 95 | 52 | 36 | 14 | 72 | 1 | 0.6 | 
| 52311 | 105 | 57 | 39.5 | 15 | 80 | 1 | 0.6 | 
| 52312 | 110 | 62 | 39.5 | 15 | 85 | 1 | 0.6 | 
| 52313 | 115 | 67 | 40 | 15 | 90 | 1 | 0.6 | 
| 52314 | 125 | 72 | 44 | 16 | 98 | 1 | 1 | 
| 52315 | 135 | 77 | 48.5 | 18 | 105 | 1.5 | 1 | 
| 52316 | 140 | 82 | 48.5 | 18 | 110 | 1.5 | 1 | 
| 52317 | 150 | 88 | 53 | 19 | 115 | 1.5 | 1 | 
| 52318 | 155 | 93 | 53.5 | 19 | 120 | 1.5 | 1 | 
| 52320 | 170 | 103 | 59 | 21 | 135 | 1.5 | 1 | 
| 52322 | 189.5 | 113 | 67 | 24 | 150 | 2 | 1 | 
| 52324 | 209.5 | 123 | 75 | 27 | 165 | 2 | 1 | 
| Çü½Ä | ±âº»Á¤°ÝÇÏÁß(N) | ±âº»Á¤°ÝÇÏÁß(N) | Çã¿ëȸÀü¼ö(min-1) | Çã¿ëȸÀü¼ö(min-1) | ºñ°í | 
| Çü½Ä | Ca | C0a | ±×¸®½ºÀ±È° | ¿ÀÀÏÀ±È° | ºñ°í | 
| 52202 | 16700 | 24800 | 4800 | 7100 | - | 
| 52204 | 22500 | 37500 | 4000 | 6000 | - | 
| 52205 | 28000 | 50500 | 3400 | 5300 | - | 
| 52206 | 29500 | 58000 | 3200 | 5000 | - | 
| 52207 | 39500 | 78000 | 2800 | 4300 | - | 
| 52208 | 47500 | 98500 | 2600 | 3800 | - | 
| 52209 | 48000 | 105000 | 2400 | 3600 | - | 
| 52210 | 49000 | 111000 | 2400 | 3400 | - | 
| 52211 | 70000 | 159000 | 2000 | 3000 | - | 
| 52212 | 71500 | 169000 | 1900 | 3000 | - | 
| 52213 | 75500 | 189000 | 1900 | 2800 | - | 
| 52214 | 74000 | 189000 | 1800 | 2800 | - | 
| 52215 | 78000 | 209000 | 1800 | 2600 | - | 
| 52216 | 79000 | 218000 | 1700 | 2600 | - | 
| 52217 | 96000 | 264000 | 1500 | 2200 | - | 
| 52218 | 114000 | 310000 | 1400 | 2000 | - | 
| 52220 | 135000 | 375000 | 1300 | 1900 | - | 
| 52222 | 136000 | 395000 | 1200 | 1800 | - | 
| 52224 | 141000 | 430000 | 1200 | 1800 | - | 
| 52226 | - | - | - | - | - | 
| 52228 | - | - | - | - | - | 
| 52230 | - | - | - | - | - | 
| 52240XM | 315000 | 1110000 | 710 | 1000 | µ¿Çձݸ¶ÂûÁ¦°Å¸®Å×ÀÌ³Ê | 
| 52305 | 36000 | 61500 | 3000 | 4500 | - | 
| 52306 | 43000 | 78500 | 2600 | 4000 | - | 
| 52307 | 56000 | 105000 | 2400 | 3600 | - | 
| 52308 | 70000 | 135000 | 2000 | 3000 | - | 
| 52309 | 80500 | 163000 | 1900 | 2800 | - | 
| 52310 | 97500 | 202000 | 1700 | 2600 | - | 
| 52311 | 115000 | 244000 | 1500 | 2400 | - | 
| 52312 | 119000 | 263000 | 1500 | 2200 | - | 
| 52313 | 123000 | 282000 | 1500 | 2200 | - | 
| 52314 | 137000 | 315000 | 1300 | 2000 | - | 
| 52315 | 159000 | 365000 | 1200 | 1800 | - | 
| 52316 | 164000 | 395000 | 1200 | 1800 | - | 
| 52317 | 207000 | 490000 | 1100 | 1600 | - | 
| 52318 | 214000 | 525000 | 1100 | 1600 | - | 
| 52320 | 239000 | 595000 | 950 | 1500 | - | 
| 52322 | - | - | - | - | - | 
| 52324 | - | - | - | - | - | 
| Çü½Ä | ´ÜÀ§ | ÆÇ¸ÅÁ¤°¡ (¿ø)  | ±âÁس³±â | ±âÁس³±â | ±âÁس³±â | Áú·® | °ßÀûÀÇ·Ú ¹× ÁÖ¹® | 
| Çü½Ä | ´ÜÀ§ | ÆÇ¸ÅÁ¤°¡ (¿ø)  | À¯ÅëÀç°í | ¸ÞÀÌÄ¿Àç°í | ¾Æ¸°Àç°í | Áú·® | °ßÀûÀÇ·Ú ¹× ÁÖ¹® | 
| 52202 | P | 91,960 | - | - | - | - | °ßÀûÀÇ·Ú / ÁÖ¹® | 
| 52204 | P | 105,160 | - | - | - | - | °ßÀûÀÇ·Ú / ÁÖ¹® | 
| 52205 | P | 115,500 | - | - | - | - | °ßÀûÀÇ·Ú / ÁÖ¹® | 
| 52206 | P | 125,400 | - | - | - | - | °ßÀûÀÇ·Ú / ÁÖ¹® | 
| 52207 | P | 150,700 | - | - | - | - | °ßÀûÀÇ·Ú / ÁÖ¹® | 
| 52208 | P | 174,900 | - | - | - | 1 | °ßÀûÀÇ·Ú / ÁÖ¹® | 
| 52209 | P | 205,700 | - | - | - | 1 | °ßÀûÀÇ·Ú / ÁÖ¹® | 
| 52210 | P | 246,400 | - | - | - | 1 | °ßÀûÀÇ·Ú / ÁÖ¹® | 
| 52211 | P | 310,200 | - | - | - | 1 | °ßÀûÀÇ·Ú / ÁÖ¹® | 
| 52212 | P | 354,200 | - | - | - | 1 | °ßÀûÀÇ·Ú / ÁÖ¹® | 
| 52213 | P | 411,400 | - | - | - | 1 | °ßÀûÀÇ·Ú / ÁÖ¹® | 
| 52214 | P | 462,000 | - | - | - | 1 | °ßÀûÀÇ·Ú / ÁÖ¹® | 
| 52215 | P | 530,200 | - | - | - | 2 | °ßÀûÀÇ·Ú / ÁÖ¹® | 
| 52216 | P | 583,000 | - | - | - | 2 | °ßÀûÀÇ·Ú / ÁÖ¹® | 
| 52217 | P | 730,400 | - | - | - | 2 | °ßÀûÀÇ·Ú / ÁÖ¹® | 
| 52218 | P | 875,600 | - | - | - | 3 | °ßÀûÀÇ·Ú / ÁÖ¹® | 
| 52220 | P | 1,331,000 | - | - | - | 4 | °ßÀûÀÇ·Ú / ÁÖ¹® | 
| 52222 | P | 1,881,000 | - | - | - | 4 | °ßÀûÀÇ·Ú / ÁÖ¹® | 
| 52224 | P | 2,376,000 | - | - | - | 5 | °ßÀûÀÇ·Ú / ÁÖ¹® | 
| 52226 | P | 3,212,000 | - | - | - | - | °ßÀûÀÇ·Ú / ÁÖ¹® | 
| 52228 | P | 4,576,000 | - | - | - | - | °ßÀûÀÇ·Ú / ÁÖ¹® | 
| 52230 | P | 5,698,000 | - | - | - | - | °ßÀûÀÇ·Ú / ÁÖ¹® | 
| 52240XM | P | 11,990,000 | - | - | - | 23 | °ßÀûÀÇ·Ú / ÁÖ¹® | 
| 52305 | P | 168,300 | - | - | - | - | °ßÀûÀÇ·Ú / ÁÖ¹® | 
| 52306 | P | 202,400 | - | - | - | - | °ßÀûÀÇ·Ú / ÁÖ¹® | 
| 52307 | P | 237,600 | - | - | - | 1 | °ßÀûÀÇ·Ú / ÁÖ¹® | 
| 52308 | P | 305,800 | - | - | - | 1 | °ßÀûÀÇ·Ú / ÁÖ¹® | 
| 52309 | P | 382,800 | - | - | - | 1 | °ßÀûÀÇ·Ú / ÁÖ¹® | 
| 52310 | P | 481,800 | - | - | - | 2 | °ßÀûÀÇ·Ú / ÁÖ¹® | 
| 52311 | P | 655,600 | - | - | - | 2 | °ßÀûÀÇ·Ú / ÁÖ¹® | 
| 52312 | P | 748,000 | - | - | - | 3 | °ßÀûÀÇ·Ú / ÁÖ¹® | 
| 52313 | P | 957,000 | - | - | - | 3 | °ßÀûÀÇ·Ú / ÁÖ¹® | 
| 52314 | P | 1,133,000 | - | - | - | 4 | °ßÀûÀÇ·Ú / ÁÖ¹® | 
| 52315 | P | 1,309,000 | - | - | - | 5 | °ßÀûÀÇ·Ú / ÁÖ¹® | 
| 52316 | P | 1,430,000 | - | - | - | 5 | °ßÀûÀÇ·Ú / ÁÖ¹® | 
| 52317 | P | 1,661,000 | - | - | - | 6 | °ßÀûÀÇ·Ú / ÁÖ¹® | 
| 52318 | P | 2,013,000 | - | - | - | 7 | °ßÀûÀÇ·Ú / ÁÖ¹® | 
| 52320 | P | 2,860,000 | - | - | - | 9 | °ßÀûÀÇ·Ú / ÁÖ¹® | 
| 52322 | P | 3,916,000 | - | - | - | - | °ßÀûÀÇ·Ú / ÁÖ¹® | 
| 52324 | P | 4,950,000 | - | - | - | - | °ßÀûÀÇ·Ú / ÁÖ¹® | 
![]()  | 
	  - ¾Æ¸°Àç°í°¡ ÀÖ´Â »óǰÀº °áÀç°¡ ¿Ï·áµÇ¸é °áÀçÇÑ ´ÙÀ½³¯ºÎÅÍ 1~3ÀÏ À̳» Àü±¹(µµ¼Áö¹æÁ¦¿Ü)À¸·Î Åù踦 ÅëÇØ ¹è¼ÛµË´Ï´Ù. - ¾Æ¸°Àç°í°¡ ¾ø´Â ¼öÀÔǰÀÇ °æ¿ì´Â ³³Ç°±îÁö ¼öÀÏ ³»Áö ¼öÁÖ°¡ ¼Ò¿äµÉ ¼ö ÀÖÀ¸¹Ç·Î ÁÖ¹®Àü¿¡ ´ç»ç¿¡ ³³±â¸¦ ¹Ì¸® È®ÀÎÇÏ¿© ÁֽʽÿÀ. - Á¦Ç°Å©±â¿¡ µû¶ó Åù質 ȹ°¿î¼Û¾÷ü¸¦ ÅëÇØ ¹è¼ÛÇØ µå¸®¸ç, ÁÖ¹®±Ý¾× 20¸¸¿ø ÀÌÇÏÀÇ °æ¿ì 5,500¿øÀÇ ¹è¼Ûºñ°¡ Ãß°¡µË´Ï´Ù. - Á¦ÁÖµµ µî µµ¼Áö¿ªÀÇ °æ¿ì Ãß°¡¹è¼Û ±Ý¾×ÀÌ ¹ß»ýÇÒ ¼ö ÀÖÀ¸´Ï ÁÖ¹®Àü¿¡ °í°´¼¾ÅÍ·Î ¹®ÀÇ ÁֽʽÿÀ. 
  | 
	
![]()  | 
	  - Á¦Ç°À» ¹Þ¾Æº¸½Ã°í ÀÌ»óÀÌ ÀÖÀ» °æ¿ì¿¡ ÇÑÇÏ¿© ¹è¼Û ÈÄ 14ÀÏ À̳»¿¡ ±³È¯ ¹× ¹ÝǰÀÌ °¡´ÉÇÕ´Ï´Ù.  - »óǰ´ë±ÝÀ» ½Å¿ëÄ«µå·Î °áÁ¦ÇÑ °æ¿ì´Â ¸ÅÃâÀ» Ãë¼ÒÇØµå¸®¸ç, ¿Â¶óÀÎÀ¸·Î ÀÔ±ÝÇÑ °æ¿ì¿¡´Â ÁÖ¹®ÀÚÀÇ °èÁ¹øÈ£·Î 3Àϳ»·Î ÀÔ±Ý Ã³¸®ÇØ µå¸³´Ï´Ù.  | 
	



















