¿øÃߴϵ麣¾î¸µ
´Ü¿Å×ÀÌÆÛ·Ñ·¯º£¾î¸µ
ÀϺ»Á¤°ø(ÁÖ) ( NSK )
|
|
| 264°Ç Áß 1~264°Ç Ç¥½Ã | |
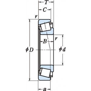
| Çü½Ä | ŸÀÔ | ³»°æ d (mm) | ¿Ü°æ D (mm) | Æø T (mm) | ³»·ûÆø B (mm) | ¿Ü·ûÆø C (mm) | ±âº»Á¤°ÝÇÏÁß(N) | ±âº»Á¤°ÝÇÏÁß(N) | Çã¿ë ȸÀü¼ö (min-1) | ºñ°í |
| Çü½Ä | ŸÀÔ | ³»°æ d (mm) | ¿Ü°æ D (mm) | Æø T (mm) | ³»·ûÆø B (mm) | ¿Ü·ûÆø C (mm) | Cr | C0r | Çã¿ë ȸÀü¼ö (min-1) | ºñ°í |
| 30202 | HR30202 | 15 | 35 | 11.75 | 11 | 10 | 15700 | 14300 | - | - |
| 30203 | HR30203J | 17 | 40 | 13.25 | 12 | 11 | 20100 | 19900 | 9500 | - |
| 30203P5 | HR30203J | 17 | 40 | 13.25 | 12 | 11 | 20100 | 19900 | 9500 | JIS5±Þ |
| 30204 | HR30204J | 20 | 47 | 15.25 | 14 | 12 | 27900 | 28500 | 8000 | - |
| 30204P5 | HR30204J | 20 | 47 | 15.25 | 14 | 12 | 27900 | 28500 | 8000 | JIS5±Þ |
| 30205 | HR30205J | 25 | 52 | 16.25 | 15 | 13 | 32000 | 35000 | 7100 | - |
| 30205P5 | HR30205J | 25 | 52 | 16.25 | 15 | 13 | 32000 | 35000 | 7100 | JIS5±Þ |
| 30206 | HR30206J | 30 | 62 | 17.25 | 16 | 14 | 43000 | 47500 | 6000 | - |
| 30206P5 | HR30206J | 30 | 62 | 17.25 | 16 | 14 | 43000 | 47500 | 6000 | JIS5±Þ |
| 30207 | HR30207J | 35 | 72 | 18.25 | 17 | 15 | 54000 | 59500 | 5300 | - |
| 30207P5 | HR30207J | 35 | 72 | 18.25 | 17 | 15 | 54000 | 59500 | 5300 | JIS5±Þ |
| 30208 | HR30208J | 40 | 80 | 19.75 | 18 | 16 | 63500 | 70000 | 4800 | - |
| 30208P5 | HR30208J | 40 | 80 | 19.75 | 18 | 16 | 63500 | 70000 | 4800 | JIS5±Þ |
| 30209 | HR30209J | 45 | 85 | 20.75 | 19 | 16 | 68500 | 79500 | 4300 | - |
| 30209P5 | HR30209J | 45 | 85 | 20.75 | 19 | 16 | 68500 | 79500 | 4300 | JIS5±Þ |
| 30210 | HR30210J | 50 | 90 | 21.75 | 20 | 17 | 76000 | 91500 | 4000 | - |
| 30210P5 | HR30210J | 50 | 90 | 21.75 | 20 | 17 | 76000 | 91500 | 4000 | JIS5±Þ |
| 30211 | HR30211J | 55 | 100 | 22.75 | 21 | 18 | 94500 | 113000 | 3600 | - |
| 30211P5 | HR30211J | 55 | 100 | 22.75 | 21 | 18 | 94500 | 113000 | 3600 | JIS5±Þ |
| 30212 | HR30212J | 60 | 110 | 23.75 | 22 | 19 | 104000 | 123000 | 3400 | - |
| 30212P5 | HR30212J | 60 | 110 | 23.75 | 22 | 19 | 104000 | 123000 | 3400 | JIS5±Þ |
| 30213 | HR30213J | 65 | 120 | 24.75 | 23 | 20 | 122000 | 151000 | 3000 | - |
| 30213P5 | HR30213J | 65 | 120 | 24.75 | 23 | 20 | 122000 | 151000 | 3000 | JIS5±Þ |
| 30214 | HR30214J | 70 | 125 | 26.25 | 24 | 21 | 132000 | 163000 | 2800 | - |
| 30214P5 | HR30214J | 70 | 125 | 26.25 | 24 | 21 | 132000 | 163000 | 2800 | JIS5±Þ |
| 30215 | HR30215J | 75 | 130 | 27.25 | 25 | 22 | 143000 | 182000 | 2800 | - |
| 30215P5 | HR30215J | 75 | 130 | 27.25 | 25 | 22 | 143000 | 182000 | 2800 | JIS5±Þ |
| 30216 | HR30216J | 80 | 140 | 28.25 | 26 | 22 | 157000 | 195000 | 2600 | - |
| 30216P5 | HR30216J | 80 | 140 | 28.25 | 26 | 22 | 157000 | 195000 | 2600 | JIS5±Þ |
| 30217 | HR30217J | 85 | 150 | 30.5 | 28 | 24 | 184000 | 233000 | 2400 | - |
| 30217P5 | HR30217J | 85 | 150 | 30.5 | 28 | 24 | 184000 | 233000 | 2400 | JIS5±Þ |
| 30218 | HR30218J | 90 | 160 | 32.5 | 30 | 26 | 201000 | 256000 | 2200 | - |
| 30218P5 | HR30218J | 90 | 160 | 32.5 | 30 | 26 | 201000 | 256000 | 2200 | JIS5±Þ |
| 30219 | HR30219J | 95 | 170 | 34.5 | 32 | 27 | 223000 | 286000 | 2200 | - |
| 30219P5 | HR30219J | 95 | 170 | 34.5 | 32 | 27 | 223000 | 286000 | 2200 | JIS5±Þ |
| 30220 | HR30220J | 100 | 180 | 37 | 34 | 29 | 255000 | 330000 | 2000 | - |
| 30220P5 | HR30220J | 100 | 180 | 37 | 34 | 29 | 255000 | 330000 | 2000 | JIS5±Þ |
| 30221 | HR30221J | 105 | 190 | 39 | 36 | 30 | 280000 | 365000 | 1900 | - |
| 30221P5 | HR30221J | 105 | 190 | 39 | 36 | 30 | 280000 | 365000 | 1900 | JIS5±Þ |
| 30222 | HR30222J | 110 | 200 | 41 | 38 | 32 | 315000 | 420000 | 1800 | - |
| 30222P5 | HR30222J | 110 | 200 | 41 | 38 | 32 | 315000 | 420000 | 1800 | JIS5±Þ |
| 30224 | HR30224J | 120 | 215 | 43.5 | 40 | 34 | 335000 | 450000 | 1600 | - |
| 30224P5 | HR30224J | 120 | 215 | 43.5 | 40 | 34 | 335000 | 450000 | 1600 | JIS5±Þ |
| 30226 | HR30226J | 130 | 230 | 43.75 | 40 | 34 | 375000 | 505000 | 1500 | - |
| 30226P5 | HR30226J | 130 | 230 | 43.75 | 40 | 34 | 375000 | 505000 | 1500 | JIS5±Þ |
| 30228 | HR30228J | 140 | 250 | 45.75 | 42 | 36 | 390000 | 515000 | 1400 | - |
| 30228P5 | HR30228J | 140 | 250 | 45.75 | 42 | 36 | 390000 | 515000 | 1400 | JIS5±Þ |
| 30230 | 30230 | 150 | 270 | 49 | 45 | 38 | 435000 | 570000 | - | - |
| 30232 | 30232 | 160 | 290 | 52 | 48 | 40 | 470000 | 610000 | - | - |
| 30234 | 30234 | 170 | 310 | 57 | 52 | 43 | 525000 | 690000 | - | - |
| 30236 | 30236 | 180 | 320 | 57 | 52 | 43 | 520000 | 695000 | - | - |
| 30238 | 30238 | 190 | 340 | 60 | 55 | 46 | 580000 | 790000 | - | - |
| 30240 | 30240 | 200 | 360 | 64 | 58 | 48 | 645000 | 890000 | - | - |
| 30302 | HR30302J | 15 | 42 | 14.25 | 13 | 11 | 23600 | 21100 | 9500 | - |
| 30303 | HR30303J | 17 | 47 | 15.25 | 14 | 12 | 29200 | 26700 | 8500 | - |
| 30304 | HR30304J | 20 | 52 | 16.25 | 15 | 13 | 35000 | 33500 | 7500 | - |
| 30305 | HR30305J | 25 | 62 | 18.25 | 17 | 15 | 47500 | 46000 | 6300 | - |
| 30306 | HR30306J | 30 | 72 | 20.75 | 19 | 16 | 59500 | 60000 | 5300 | - |
| 30307 | HR30307J | 35 | 80 | 22.75 | 21 | 18 | 76000 | 79000 | 4800 | - |
| 30308 | HR30308J | 40 | 90 | 25.25 | 23 | 20 | 90500 | 101000 | 4300 | - |
| 30309 | HR30309J | 45 | 100 | 27.25 | 25 | 22 | 112000 | 127000 | 3800 | - |
| 30310 | HR30310J | 50 | 110 | 29.25 | 27 | 23 | 130000 | 148000 | 3400 | - |
| 30311 | HR30311J | 55 | 120 | 31.5 | 29 | 25 | 150000 | 171000 | 3200 | - |
| 30312 | HR30312J | 60 | 130 | 33.5 | 31 | 26 | 174000 | 201000 | 3000 | - |
| 30313 | HR30313J | 65 | 140 | 36 | 33 | 28 | 200000 | 233000 | 2600 | - |
| 30314 | HR30314J | 70 | 150 | 38 | 35 | 30 | 227000 | 268000 | 2400 | - |
| 30315 | HR30315J | 75 | 160 | 40 | 37 | 31 | 253000 | 300000 | 2400 | - |
| 30316 | HR30316J | 80 | 170 | 42.5 | 39 | 33 | 276000 | 330000 | 2200 | - |
| 30317 | HR30317J | 85 | 180 | 44.5 | 41 | 34 | 310000 | 375000 | 2000 | - |
| 30318 | HR30318J | 90 | 190 | 46.5 | 43 | 36 | 345000 | 425000 | 1900 | - |
| 30319 | HR30319J | 95 | 200 | 49.5 | 45 | 38 | 370000 | 455000 | 1900 | - |
| 30320 | HR30320J | 100 | 215 | 51.5 | 47 | 39 | 425000 | 525000 | 1700 | - |
| 30321 | HR30321J | 105 | 225 | 53.5 | 49 | 41 | 455000 | 565000 | 1600 | - |
| 30322 | HR30322J | 110 | 240 | 54.5 | 50 | 42 | 485000 | 595000 | 1500 | - |
| 30324 | HR30324J | 120 | 260 | 59.5 | 55 | 46 | 535000 | 655000 | 1400 | - |
| 30326 | HR30326J | 130 | 280 | 63.75 | 58 | 49 | 650000 | 820000 | 1300 | - |
| 30328 | HR30328J | 140 | 300 | 67.75 | 62 | 53 | 740000 | 945000 | 1200 | - |
| 30330 | HR30330J | 150 | 320 | 72 | 65 | 55 | 825000 | 1060000 | 1100 | - |
| 30307D | HR30307DJ | 35 | 80 | 22.75 | 21 | 15 | 62000 | 68000 | 4300 | - |
| 30308D | HR30308DJ | 40 | 90 | 25.25 | 23 | 17 | 80000 | 89500 | 3800 | - |
| 30309D | HR30309DJ | 45 | 100 | 27.25 | 25 | 18 | 95500 | 109000 | 3400 | - |
| 30310D | HR30310DJ | 50 | 110 | 29.25 | 27 | 19 | 114000 | 132000 | 3200 | - |
| 30311D | HR30311DJ | 55 | 120 | 31.5 | 29 | 21 | 131000 | 153000 | 2800 | - |
| 30312D | HR30312DJ | 60 | 130 | 33.5 | 31 | 22 | 151000 | 177000 | 2600 | - |
| 30313D | HR30313DJ | 65 | 140 | 36 | 33 | 23 | 173000 | 205000 | 2400 | - |
| 30314D | HR30314DJ | 70 | 150 | 38 | 35 | 25 | 192000 | 229000 | 2200 | - |
| 30315D | HR30315DJ | 75 | 160 | 40 | 37 | 26 | 211000 | 251000 | 2200 | - |
| 30316D | HR30316DJ | 80 | 170 | 42.5 | 39 | 27 | 235000 | 283000 | 2000 | - |
| 30317D | HR30317DJ | 85 | 180 | 44.5 | 41 | 28 | 261000 | 315000 | 1900 | - |
| 30318D | HR30318DJ | 90 | 190 | 46.5 | 43 | 30 | 264000 | 315000 | 1800 | - |
| 30319D | HR30319DJ | 95 | 200 | 49.5 | 45 | 32 | 310000 | 375000 | 1700 | - |
| 32004X | HR32004XJ | 20 | 42 | 15 | 15 | 12 | 24600 | 27400 | 9000 | - |
| 32004XP5 | HR32004XJ | 20 | 42 | 15 | 15 | 12 | 24600 | 27400 | 9000 | JIS5±Þ |
| 32005X | HR32005XJ | 25 | 47 | 15 | 15 | 11.5 | 27400 | 33000 | 8000 | - |
| 32005XP5 | HR32005XJ | 25 | 47 | 15 | 15 | 11.5 | 27400 | 33000 | 8000 | JIS5±Þ |
| 32006X | HR32006XJ | 30 | 55 | 17 | 17 | 13 | 36000 | 44500 | 6700 | - |
| 32006XP5 | HR32006XJ | 30 | 55 | 17 | 17 | 13 | 36000 | 44500 | 6700 | JIS5±Þ |
| 32007X | HR32007XJ | 35 | 62 | 18 | 18 | 14 | 43500 | 55500 | 5600 | - |
| 32007XP5 | HR32007XJ | 35 | 62 | 18 | 18 | 14 | 43500 | 55500 | 5600 | JIS5±Þ |
| 32008X | HR32008XJ | 40 | 68 | 19 | 19 | 14.5 | 53000 | 71000 | 5300 | - |
| 32008XP5 | HR32008XJ | 40 | 68 | 19 | 19 | 14.5 | 53000 | 71000 | 5300 | JIS5±Þ |
| 32009X | HR32009XJ | 45 | 75 | 20 | 20 | 15.5 | 60000 | 83000 | 4500 | - |
| 32009XP5 | HR32009XJ | 45 | 75 | 20 | 20 | 15.5 | 60000 | 83000 | 4500 | JIS5±Þ |
| 32010X | HR32010XJ | 50 | 80 | 20 | 20 | 15.5 | 61000 | 87000 | 4300 | - |
| 32010XP5 | HR32010XJ | 50 | 80 | 20 | 20 | 15.5 | 61000 | 87000 | 4300 | JIS5±Þ |
| 32011X | HR32011XJ | 55 | 90 | 23 | 23 | 17.5 | 81500 | 117000 | 3800 | - |
| 32011XP5 | HR32011XJ | 55 | 90 | 23 | 23 | 17.5 | 81500 | 117000 | 3800 | JIS5±Þ |
| 32012X | HR32012XJ | 60 | 95 | 23 | 23 | 17.5 | 85500 | 127000 | 3600 | - |
| 32012XP5 | HR32012XJ | 60 | 95 | 23 | 23 | 17.5 | 85500 | 127000 | 3600 | JIS5±Þ |
| 32013X | HR32013XJ | 65 | 100 | 23 | 23 | 17.5 | 86500 | 132000 | 3400 | - |
| 32013XP5 | HR32013XJ | 65 | 100 | 23 | 23 | 17.5 | 86500 | 132000 | 3400 | JIS5±Þ |
| 32014X | HR32014XJ | 70 | 110 | 25 | 25 | 19 | 104000 | 158000 | 3200 | - |
| 32014XP5 | HR32014XJ | 70 | 110 | 25 | 25 | 19 | 104000 | 158000 | 3200 | JIS5±Þ |
| 32015X | HR32015XJ | 75 | 115 | 25 | 25 | 19 | 109000 | 171000 | 3000 | - |
| 32015XP5 | HR32015XJ | 75 | 115 | 25 | 25 | 19 | 109000 | 171000 | 3000 | JIS5±Þ |
| 32016X | HR32016XJ | 80 | 125 | 29 | 29 | 22 | 140000 | 222000 | 2800 | - |
| 32016XP5 | HR32016XJ | 80 | 125 | 29 | 29 | 22 | 140000 | 222000 | 2800 | JIS5±Þ |
| 32017X | HR32017XJ | 85 | 130 | 29 | 29 | 22 | 143000 | 231000 | 2600 | - |
| 32017XP5 | HR32017XJ | 85 | 130 | 29 | 29 | 22 | 143000 | 231000 | 2600 | JIS5±Þ |
| 32018X | HR32018XJ | 90 | 140 | 32 | 32 | 24 | 170000 | 273000 | 2400 | - |
| 32018XP5 | HR32018XJ | 90 | 140 | 32 | 32 | 24 | 170000 | 273000 | 2400 | JIS5±Þ |
| 32019X | HR32019XJ | 95 | 145 | 32 | 32 | 24 | 173000 | 283000 | 2400 | - |
| 32019XP5 | HR32019XJ | 95 | 145 | 32 | 32 | 24 | 173000 | 283000 | 2400 | JIS5±Þ |
| 32020X | HR32020XJ | 100 | 150 | 32 | 32 | 24 | 176000 | 294000 | 2200 | - |
| 32020XP5 | HR32020XJ | 100 | 150 | 32 | 32 | 24 | 176000 | 294000 | 2200 | JIS5±Þ |
| 32021X | HR32021XJ | 105 | 160 | 35 | 35 | 26 | 204000 | 340000 | 2000 | - |
| 32021XP5 | HR32021XJ | 105 | 160 | 35 | 35 | 26 | 204000 | 340000 | 2000 | JIS5±Þ |
| 32022X | HR32022XJ | 110 | 170 | 38 | 38 | 29 | 236000 | 390000 | 2000 | - |
| 32022XP5 | HR32022XJ | 110 | 170 | 38 | 38 | 29 | 236000 | 390000 | 2000 | JIS5±Þ |
| 32024X | HR32024XJ | 120 | 180 | 38 | 38 | 29 | 242000 | 405000 | 1800 | - |
| 32024XP5 | HR32024XJ | 120 | 180 | 38 | 38 | 29 | 242000 | 405000 | 1800 | JIS5±Þ |
| 32026X | HR32026XJ | 130 | 200 | 45 | 45 | 34 | 320000 | 535000 | 1600 | - |
| 32026XP5 | HR32026XJ | 130 | 200 | 45 | 45 | 34 | 320000 | 535000 | 1600 | JIS5±Þ |
| 32028X | HR32028XJ | 140 | 210 | 45 | 45 | 34 | 325000 | 555000 | 1600 | - |
| 32028XP5 | HR32028XJ | 140 | 210 | 45 | 45 | 34 | 325000 | 555000 | 1600 | JIS5±Þ |
| 32030X | HR32030XJ | 150 | 225 | 48 | 48 | 36 | 375000 | 650000 | 1400 | - |
| 32030XP5 | HR32030XJ | 150 | 225 | 48 | 48 | 36 | 375000 | 650000 | 1400 | JIS5±Þ |
| 32032X | HR32032XJ | 160 | 240 | 51 | 51 | 38 | 425000 | 750000 | 1300 | - |
| 32032XP5 | HR32032XJ | 160 | 240 | 51 | 51 | 38 | 425000 | 750000 | 1300 | JIS5±Þ |
| 32034X | HR32034XJ | 170 | 260 | 57 | 57 | 43 | 505000 | 890000 | 1200 | - |
| 32034XP5 | HR32034XJ | 170 | 260 | 57 | 57 | 43 | 505000 | 890000 | 1200 | JIS5±Þ |
| 32036X | HR32036XJ | 180 | 280 | 64 | 64 | 48 | 640000 | 1130000 | 1200 | - |
| 32036XP5 | HR32036XJ | 180 | 280 | 64 | 64 | 48 | 640000 | 1130000 | 1200 | JIS5±Þ |
| 32038X | HR32038XJ | 190 | 290 | 64 | 64 | 48 | 650000 | 1170000 | 1100 | - |
| 32038XP5 | HR32038XJ | 190 | 290 | 64 | 64 | 48 | 650000 | 1170000 | 1100 | JIS5±Þ |
| 32040X | HR32040XJ | 200 | 310 | 70 | 70 | 53 | 760000 | 1370000 | 1000 | - |
| 32044X | HR32044XJ | 220 | 340 | 76 | 76 | 57 | 885000 | 1610000 | 950 | - |
| 32048X | HR32048XJ | 240 | 360 | 76 | 76 | 57 | 920000 | 1730000 | 850 | - |
| 32203 | HR32203J | 17 | 40 | 17.25 | 16 | 14 | 27100 | 28000 | 9500 | - |
| 32204 | HR32204J | 20 | 47 | 19.25 | 18 | 15 | 35500 | 37500 | 8500 | - |
| 32205 | HR32205 | 25 | 52 | 19.25 | 18 | 16 | 40000 | 45000 | 7100 | - |
| 32206 | HR32206J | 30 | 62 | 21.25 | 20 | 17 | 52000 | 60000 | 6000 | - |
| 32207 | HR32207J | 35 | 72 | 24.25 | 23 | 19 | 70500 | 83500 | 5300 | - |
| 32207P5 | HR32207J | 35 | 72 | 24.25 | 23 | 19 | 70500 | 83500 | 5300 | JIS5±Þ |
| 32208 | HR32208J | 40 | 80 | 24.75 | 23 | 19 | 77000 | 90500 | 4800 | - |
| 32208P5 | HR32208J | 40 | 80 | 24.75 | 23 | 19 | 77000 | 90500 | 4800 | JIS5±Þ |
| 32209 | HR32209J | 45 | 85 | 24.75 | 23 | 19 | 83000 | 102000 | 4300 | - |
| 32209P5 | HR32209J | 45 | 85 | 24.75 | 23 | 19 | 83000 | 102000 | 4300 | JIS5±Þ |
| 32210 | HR32210J | 50 | 90 | 24.75 | 23 | 19 | 87500 | 109000 | 4000 | - |
| 32210P5 | HR32210J | 50 | 90 | 24.75 | 23 | 19 | 87500 | 109000 | 4000 | JIS5±Þ |
| 32211 | HR32211J | 55 | 100 | 26.75 | 25 | 21 | 110000 | 137000 | 3600 | - |
| 32211P5 | HR32211J | 55 | 100 | 26.75 | 25 | 21 | 110000 | 137000 | 3600 | JIS5±Þ |
| 32212 | HR32212J | 60 | 110 | 29.75 | 28 | 24 | 131000 | 167000 | 3400 | - |
| 32212P5 | HR32212J | 60 | 110 | 29.75 | 28 | 24 | 131000 | 167000 | 3400 | JIS5±Þ |
| 32213 | HR32213J | 65 | 120 | 32.75 | 31 | 27 | 157000 | 202000 | 3000 | - |
| 32213P5 | HR32213J | 65 | 120 | 32.75 | 31 | 27 | 157000 | 202000 | 3000 | JIS5±Þ |
| 32214 | HR32214J | 70 | 125 | 33.25 | 31 | 27 | 157000 | 205000 | 2800 | - |
| 32214P5 | HR32214J | 70 | 125 | 33.25 | 31 | 27 | 157000 | 205000 | 2800 | JIS5±Þ |
| 32215 | HR32215J | 75 | 130 | 33.25 | 31 | 27 | 165000 | 219000 | 2800 | - |
| 32215P5 | HR32215J | 75 | 130 | 33.25 | 31 | 27 | 165000 | 219000 | 2800 | JIS5±Þ |
| 32216 | HR32216J | 80 | 140 | 35.25 | 33 | 28 | 192000 | 254000 | 2600 | - |
| 32216P5 | HR32216J | 80 | 140 | 35.25 | 33 | 28 | 192000 | 254000 | 2600 | JIS5±Þ |
| 32217 | HR32217J | 85 | 150 | 38.5 | 36 | 30 | 210000 | 277000 | 2200 | - |
| 32218 | HR32218J | 90 | 160 | 42.5 | 40 | 34 | 256000 | 350000 | 2200 | - |
| 32218P5 | HR32218J | 90 | 160 | 42.5 | 40 | 34 | 256000 | 350000 | 2200 | JIS5±Þ |
| 32219 | HR32219J | 95 | 170 | 45.5 | 43 | 37 | 289000 | 400000 | 2200 | - |
| 32219P5 | HR32219J | 95 | 170 | 45.5 | 43 | 37 | 289000 | 400000 | 2200 | JIS5±Þ |
| 32220 | HR32220J | 100 | 180 | 49 | 46 | 39 | 325000 | 450000 | 2000 | - |
| 32221 | HR32221J | 105 | 190 | 53 | 50 | 43 | 360000 | 510000 | 1900 | - |
| 32222 | HR32222J | 110 | 200 | 56 | 53 | 46 | 400000 | 565000 | 1800 | - |
| 32224 | HR32224J | 120 | 215 | 61.5 | 58 | 50 | 440000 | 635000 | 1600 | - |
| 32226 | HR32226J | 130 | 230 | 67.75 | 64 | 54 | 530000 | 790000 | 1500 | - |
| 32228 | HR32228J | 140 | 250 | 71.75 | 68 | 58 | 610000 | 915000 | 1400 | - |
| 32230 | HR32230J | 150 | 270 | 77 | 73 | 60 | 705000 | 1080000 | 1300 | - |
| 32232 | HR32232J | 160 | 290 | 84 | 80 | 67 | 795000 | 1120000 | 1200 | - |
| 32234 | HR32234J | 170 | 310 | 91 | 86 | 71 | 930000 | 1450000 | 1100 | - |
| 32236 | HR32236J | 180 | 320 | 91 | 86 | 71 | 960000 | 1540000 | 1100 | - |
| 32304 | HR32304J | 20 | 52 | 22.25 | 21 | 18 | 45500 | 47500 | 8000 | - |
| 32305 | HR32305J | 25 | 62 | 25.25 | 24 | 20 | 62500 | 66000 | 6300 | - |
| 32306 | HR32306J | 30 | 72 | 28.75 | 27 | 23 | 80000 | 88500 | 5600 | - |
| 32307 | HR32307J | 35 | 80 | 32.75 | 31 | 25 | 99000 | 111000 | 5000 | - |
| 32308 | HR32308J | 40 | 90 | 35.25 | 33 | 27 | 120000 | 145000 | 4300 | - |
| 32309 | HR32309J | 45 | 100 | 38.25 | 36 | 30 | 144000 | 177000 | 3800 | - |
| 32310 | HR32310J | 50 | 110 | 42.25 | 40 | 33 | 176000 | 220000 | 3600 | - |
| 32311 | HR32311J | 55 | 120 | 45.5 | 43 | 35 | 204000 | 258000 | 3200 | - |
| 32312 | HR32312J | 60 | 130 | 48.5 | 46 | 37 | 233000 | 295000 | 3000 | - |
| 32313 | HR32313J | 65 | 140 | 51 | 48 | 39 | 267000 | 340000 | 2800 | - |
| 32314 | HR32314J | 70 | 150 | 54 | 51 | 42 | 300000 | 390000 | 2600 | - |
| 32315 | HR32315J | 75 | 160 | 58 | 55 | 45 | 340000 | 445000 | 2400 | - |
| 32316 | HR32316J | 80 | 170 | 61.5 | 58 | 48 | 385000 | 505000 | 2200 | - |
| 32317 | HR32317J | 85 | 180 | 63.5 | 60 | 49 | 410000 | 535000 | 2000 | - |
| 32318 | HR32318J | 90 | 190 | 67.5 | 64 | 53 | 450000 | 590000 | 2000 | - |
| 32319 | HR32319J | 95 | 200 | 71.5 | 67 | 55 | 525000 | 710000 | 1900 | - |
| 32320 | HR32320J | 100 | 215 | 77.5 | 73 | 60 | 565000 | 755000 | 1700 | - |
| 32321 | HR32321J | 105 | 225 | 81.5 | 77 | 63 | 670000 | 925000 | 1700 | - |
| 32322 | HR32322J | 110 | 240 | 84.5 | 80 | 65 | 675000 | 910000 | 1500 | - |
| 32324 | HR32324J | 120 | 260 | 90.5 | 86 | 69 | 770000 | 1060000 | 1400 | - |
| 32326 | 32326 | 130 | 280 | 98.75 | 93 | 78 | 830000 | 1150000 | 1300 | - |
| 32328 | 32328 | 140 | 300 | 107.75 | 102 | 85 | 985000 | 1440000 | 1200 | - |
| 32330 | 32330 | 150 | 320 | 114 | 108 | 90 | 1120000 | 1700000 | 1100 | - |
| 32332 | 32332 | 160 | 340 | 121 | 114 | 95 | 1210000 | 1770000 | 1000 | - |
| 33005 | HR33005J | 25 | 47 | 17 | 17 | 14 | 31000 | 38000 | 8000 | - |
| 33006 | HR33006J | 30 | 55 | 20 | 20 | 16 | 42000 | 54000 | 6700 | - |
| 33007 | HR33007J | 35 | 62 | 21 | 21 | 17 | 49000 | 65000 | 5600 | - |
| 33009 | HR33009J | 45 | 75 | 24 | 24 | 19 | 69000 | 99000 | 4800 | - |
| 33010 | HR33010J | 50 | 80 | 24 | 24 | 19 | 70500 | 104000 | 4300 | - |
| 33011 | HR33011J | 55 | 90 | 27 | 27 | 21 | 91500 | 138000 | 3800 | - |
| 33012 | HR33012J | 60 | 95 | 27 | 27 | 21 | 96000 | 150000 | 3600 | - |
| 33013 | HR33013J | 65 | 100 | 27 | 27 | 21 | 97500 | 156000 | 3400 | - |
| 33014 | HR33014J | 70 | 110 | 31 | 31 | 25.5 | 127000 | 204000 | 3000 | - |
| 33015 | HR33015J | 75 | 115 | 31 | 31 | 25.5 | 133000 | 220000 | 3000 | - |
| 33016 | HR33016J | 80 | 125 | 36 | 36 | 29.5 | 172000 | 282000 | 2800 | - |
| 33017 | HR33017J | 85 | 130 | 36 | 36 | 29.5 | 180000 | 305000 | 2600 | - |
| 33018 | HR33018J | 90 | 140 | 39 | 39 | 32.5 | 220000 | 360000 | 2400 | - |
| 33019 | HR33019J | 95 | 145 | 39 | 39 | 32.5 | 231000 | 390000 | 2400 | - |
| 33020 | HR33020J | 100 | 150 | 39 | 39 | 32.5 | 235000 | 405000 | 2200 | - |
| 33021 | HR33021J | 105 | 160 | 43 | 43 | 34 | 256000 | 435000 | 2000 | - |
| 33205 | HR33205J | 25 | 52 | 22 | 22 | 18 | 47500 | 56500 | 7500 | - |
| 33206 | HR33206J | 30 | 62 | 25 | 25 | 19.5 | 66500 | 79500 | 6000 | - |
| 33207 | HR33207J | 35 | 72 | 28 | 28 | 22 | 86500 | 108000 | 5300 | - |
| 33208 | HR33208J | 40 | 80 | 32 | 32 | 25 | 107000 | 137000 | 4800 | - |
| 33209 | HR33209J | 45 | 85 | 32 | 32 | 25 | 111000 | 147000 | 4300 | - |
| 33210 | HR33210J | 50 | 90 | 32 | 32 | 24.5 | 118000 | 165000 | 4000 | - |
| 33211 | HR33211J | 55 | 100 | 35 | 35 | 27 | 141000 | 193000 | 3600 | - |
| 33212 | HR33212J | 60 | 110 | 38 | 38 | 29 | 166000 | 231000 | 3400 | - |
| 32906 | HR32906J | 30 | 47 | 12 | 12 | 9 | 17600 | 24400 | 7500 | - |
| 32907 | HR32907J | 35 | 55 | 14 | 14 | 11.5 | 27400 | 39000 | 6300 | - |
| 32908 | HR32908J | 40 | 62 | 15 | 15 | 12 | 34000 | 47000 | 5600 | - |
| 32909 | HR32909J | 45 | 68 | 15 | 15 | 12 | 34500 | 50500 | 5000 | - |
| 32910 | HR32910J | 50 | 72 | 15 | 15 | 12 | 36000 | 54000 | 4500 | - |
| 32911 | HR32911J | 55 | 80 | 17 | 17 | 14 | 45500 | 74500 | 4300 | - |
| 32912 | HR32912J | 60 | 85 | 17 | 17 | 14 | 49000 | 84500 | 3800 | - |
| 32913 | HR32913J | 65 | 90 | 17 | 17 | 14 | 49000 | 86500 | 3600 | - |
| 32914 | HR32914J | 70 | 100 | 20 | 20 | 16 | 70000 | 113000 | 3200 | - |
| 32915 | HR32915J | 75 | 105 | 20 | 20 | 16 | 72500 | 120000 | 3200 | - |
| 32916 | HR32916J | 80 | 110 | 20 | 20 | 16 | 75000 | 128000 | 3000 | - |
| 32917 | HR32917J | 85 | 120 | 23 | 23 | 18 | 93500 | 157000 | 2800 | - |
| 32918 | HR32918J | 90 | 125 | 23 | 23 | 18 | 97000 | 167000 | 2600 | - |
| 32919 | HR32919J | 95 | 130 | 23 | 23 | 18 | 98000 | 172000 | 2400 | - |
| 32920 | HR32920J | 100 | 140 | 25 | 25 | 20 | 117000 | 205000 | 2200 | - |
| 32921 | HR32921J | 105 | 145 | 25 | 25 | 20 | 119000 | 212000 | 2200 | - |
| 32922 | HR32922J | 110 | 150 | 25 | 25 | 20 | 123000 | 224000 | 2200 | - |
| 32924 | HR32924J | 120 | 165 | 29 | 29 | 23 | 161000 | 291000 | 1900 | - |
| 32926 | HR32926J | 130 | 180 | 32 | 30 | 26 | 200000 | 365000 | 1800 | - |
| 32928 | HR32928J | 140 | 190 | 32 | 32 | 25 | 206000 | 390000 | 1700 | - |
| 32930 | HR32930J | 150 | 210 | 38 | 36 | 30 | 281000 | 520000 | 1500 | - |
| 32932 | HR32932J | 160 | 220 | 38 | 38 | 30 | 296000 | 570000 | 1400 | - |
| 32934 | HR32934J | 170 | 230 | 38 | 38 | 30 | 294000 | 560000 | 1400 | - |
| 32936 | HR32936J | 180 | 250 | 45 | 45 | 34 | 350000 | 685000 | 1300 | - |
| 32938 | HR32938J | 190 | 260 | 45 | 45 | 34 | 365000 | 715000 | 1200 | - |
| 32940 | HR32940J | 200 | 280 | 51 | 51 | 39 | 480000 | 935000 | 1100 | - |
| 32944 | HR32944J | 220 | 300 | 51 | 51 | 39 | 490000 | 990000 | 1000 | - |
| 32948 | HR32948J | 240 | 320 | 51 | 51 | 39 | 500000 | 1040000 | 950 | - |
| 32980 | 32980 | 400 | 540 | 87 | 82 | 71 | 1250000 | 2700000 | 530 | - |
| Çü½Ä | ´ÜÀ§ | ÆÇ¸ÅÁ¤°¡ (¿ø) | ±âÁس³±â | ±âÁس³±â | ±âÁس³±â | Áú·® | °ßÀûÀÇ·Ú ¹× ÁÖ¹® |
| Çü½Ä | ´ÜÀ§ | ÆÇ¸ÅÁ¤°¡ (¿ø) | À¯ÅëÀç°í | ¸ÞÀÌÄ¿Àç°í | ¾Æ¸°Àç°í | Áú·® | °ßÀûÀÇ·Ú ¹× ÁÖ¹® |
| 30202 | P | 25,300 | - | - | - | - | °ßÀûÀÇ·Ú / ÁÖ¹® |
| 30203 | P | 27,060 | - | - | - | - | °ßÀûÀÇ·Ú / ÁÖ¹® |
| 30203P5 | P | 89,320 | - | - | - | - | °ßÀûÀÇ·Ú / ÁÖ¹® |
| 30204 | P | 27,940 | - | - | - | - | °ßÀûÀÇ·Ú / ÁÖ¹® |
| 30204P5 | P | 92,180 | - | - | - | - | °ßÀûÀÇ·Ú / ÁÖ¹® |
| 30205 | P | 31,460 | - | - | - | - | °ßÀûÀÇ·Ú / ÁÖ¹® |
| 30205P5 | P | 103,840 | - | - | - | - | °ßÀûÀÇ·Ú / ÁÖ¹® |
| 30206 | P | 37,840 | - | - | - | - | °ßÀûÀÇ·Ú / ÁÖ¹® |
| 30206P5 | P | 125,400 | - | - | - | - | °ßÀûÀÇ·Ú / ÁÖ¹® |
| 30207 | P | 43,560 | - | - | - | - | °ßÀûÀÇ·Ú / ÁÖ¹® |
| 30207P5 | P | 144,100 | - | - | - | - | °ßÀûÀÇ·Ú / ÁÖ¹® |
| 30208 | P | 51,700 | - | - | - | - | °ßÀûÀÇ·Ú / ÁÖ¹® |
| 30208P5 | P | 170,500 | - | - | - | - | °ßÀûÀÇ·Ú / ÁÖ¹® |
| 30209 | P | 65,120 | - | - | - | - | °ßÀûÀÇ·Ú / ÁÖ¹® |
| 30209P5 | P | 214,500 | - | - | - | - | °ßÀûÀÇ·Ú / ÁÖ¹® |
| 30210 | P | 70,840 | - | - | - | - | °ßÀûÀÇ·Ú / ÁÖ¹® |
| 30210P5 | P | 233,200 | - | - | - | - | °ßÀûÀÇ·Ú / ÁÖ¹® |
| 30211 | P | 80,520 | - | - | - | - | °ßÀûÀÇ·Ú / ÁÖ¹® |
| 30211P5 | P | 266,200 | - | - | - | - | °ßÀûÀÇ·Ú / ÁÖ¹® |
| 30212 | P | 93,280 | - | - | - | - | °ßÀûÀÇ·Ú / ÁÖ¹® |
| 30212P5 | P | 308,000 | - | - | - | - | °ßÀûÀÇ·Ú / ÁÖ¹® |
| 30213 | P | 114,400 | - | - | - | - | °ßÀûÀÇ·Ú / ÁÖ¹® |
| 30213P5 | P | 376,200 | - | - | - | - | °ßÀûÀÇ·Ú / ÁÖ¹® |
| 30214 | P | 138,600 | - | - | - | - | °ßÀûÀÇ·Ú / ÁÖ¹® |
| 30214P5 | P | 455,400 | - | - | - | - | °ßÀûÀÇ·Ú / ÁÖ¹® |
| 30215 | P | 145,200 | - | - | - | - | °ßÀûÀÇ·Ú / ÁÖ¹® |
| 30215P5 | P | 479,600 | - | - | - | - | °ßÀûÀÇ·Ú / ÁÖ¹® |
| 30216 | P | 166,100 | - | - | - | - | °ßÀûÀÇ·Ú / ÁÖ¹® |
| 30216P5 | P | 547,800 | - | - | - | - | °ßÀûÀÇ·Ú / ÁÖ¹® |
| 30217 | P | 222,200 | - | - | - | - | °ßÀûÀÇ·Ú / ÁÖ¹® |
| 30217P5 | P | 732,600 | - | - | - | - | °ßÀûÀÇ·Ú / ÁÖ¹® |
| 30218 | P | 266,200 | - | - | - | - | °ßÀûÀÇ·Ú / ÁÖ¹® |
| 30218P5 | P | 877,800 | - | - | - | - | °ßÀûÀÇ·Ú / ÁÖ¹® |
| 30219 | P | 336,600 | - | - | - | - | °ßÀûÀÇ·Ú / ÁÖ¹® |
| 30219P5 | P | 1,111,000 | - | - | - | - | °ßÀûÀÇ·Ú / ÁÖ¹® |
| 30220 | P | 393,800 | - | - | - | - | °ßÀûÀÇ·Ú / ÁÖ¹® |
| 30220P5 | P | 1,298,000 | - | - | - | - | °ßÀûÀÇ·Ú / ÁÖ¹® |
| 30221 | P | 620,400 | - | - | - | - | °ßÀûÀÇ·Ú / ÁÖ¹® |
| 30221P5 | P | 2,046,000 | - | - | - | - | °ßÀûÀÇ·Ú / ÁÖ¹® |
| 30222 | P | 712,800 | - | - | - | - | °ßÀûÀÇ·Ú / ÁÖ¹® |
| 30222P5 | P | 2,354,000 | - | - | - | - | °ßÀûÀÇ·Ú / ÁÖ¹® |
| 30224 | P | 1,084,600 | - | - | - | - | °ßÀûÀÇ·Ú / ÁÖ¹® |
| 30224P5 | P | 3,586,000 | - | - | - | - | °ßÀûÀÇ·Ú / ÁÖ¹® |
| 30226 | P | 1,419,000 | - | - | - | - | °ßÀûÀÇ·Ú / ÁÖ¹® |
| 30226P5 | P | 4,664,000 | - | - | - | - | °ßÀûÀÇ·Ú / ÁÖ¹® |
| 30228 | P | 1,650,000 | - | - | - | - | °ßÀûÀÇ·Ú / ÁÖ¹® |
| 30228P5 | P | 5,456,000 | - | - | - | - | °ßÀûÀÇ·Ú / ÁÖ¹® |
| 30230 | P | 2,123,000 | - | - | - | - | °ßÀûÀÇ·Ú / ÁÖ¹® |
| 30232 | P | 2,530,000 | - | - | - | - | °ßÀûÀÇ·Ú / ÁÖ¹® |
| 30234 | P | 2,970,000 | - | - | - | - | °ßÀûÀÇ·Ú / ÁÖ¹® |
| 30236 | P | 3,366,000 | - | - | - | - | °ßÀûÀÇ·Ú / ÁÖ¹® |
| 30238 | P | 3,806,000 | - | - | - | - | °ßÀûÀÇ·Ú / ÁÖ¹® |
| 30240 | P | 4,862,000 | - | - | - | - | °ßÀûÀÇ·Ú / ÁÖ¹® |
| 30302 | P | 27,720 | - | - | - | - | °ßÀûÀÇ·Ú / ÁÖ¹® |
| 30303 | P | 28,380 | - | - | - | - | °ßÀûÀÇ·Ú / ÁÖ¹® |
| 30304 | P | 30,140 | - | - | - | - | °ßÀûÀÇ·Ú / ÁÖ¹® |
| 30305 | P | 37,620 | - | - | - | - | °ßÀûÀÇ·Ú / ÁÖ¹® |
| 30306 | P | 44,880 | - | - | - | - | °ßÀûÀÇ·Ú / ÁÖ¹® |
| 30307 | P | 52,580 | - | - | - | - | °ßÀûÀÇ·Ú / ÁÖ¹® |
| 30308 | P | 74,140 | - | - | - | - | °ßÀûÀÇ·Ú / ÁÖ¹® |
| 30309 | P | 85,140 | - | - | - | - | °ßÀûÀÇ·Ú / ÁÖ¹® |
| 30310 | P | 101,640 | - | - | - | - | °ßÀûÀÇ·Ú / ÁÖ¹® |
| 30311 | P | 128,700 | - | - | - | - | °ßÀûÀÇ·Ú / ÁÖ¹® |
| 30312 | P | 154,000 | - | - | - | - | °ßÀûÀÇ·Ú / ÁÖ¹® |
| 30313 | P | 196,900 | - | - | - | - | °ßÀûÀÇ·Ú / ÁÖ¹® |
| 30314 | P | 242,000 | - | - | - | - | °ßÀûÀÇ·Ú / ÁÖ¹® |
| 30315 | P | 299,200 | - | - | - | - | °ßÀûÀÇ·Ú / ÁÖ¹® |
| 30316 | P | 389,400 | - | - | - | - | °ßÀûÀÇ·Ú / ÁÖ¹® |
| 30317 | P | 466,400 | - | - | - | - | °ßÀûÀÇ·Ú / ÁÖ¹® |
| 30318 | P | 591,800 | - | - | - | - | °ßÀûÀÇ·Ú / ÁÖ¹® |
| 30319 | P | 739,200 | - | - | - | - | °ßÀûÀÇ·Ú / ÁÖ¹® |
| 30320 | P | 957,000 | - | - | - | - | °ßÀûÀÇ·Ú / ÁÖ¹® |
| 30321 | P | 1,364,000 | - | - | - | - | °ßÀûÀÇ·Ú / ÁÖ¹® |
| 30322 | P | 1,540,000 | - | - | - | - | °ßÀûÀÇ·Ú / ÁÖ¹® |
| 30324 | P | 1,859,000 | - | - | - | - | °ßÀûÀÇ·Ú / ÁÖ¹® |
| 30326 | P | 2,772,000 | - | - | - | - | °ßÀûÀÇ·Ú / ÁÖ¹® |
| 30328 | P | 3,014,000 | - | - | - | - | °ßÀûÀÇ·Ú / ÁÖ¹® |
| 30330 | P | 4,290,000 | - | - | - | - | °ßÀûÀÇ·Ú / ÁÖ¹® |
| 30307D | P | 71,280 | - | - | - | - | °ßÀûÀÇ·Ú / ÁÖ¹® |
| 30308D | P | 92,840 | - | - | - | - | °ßÀûÀÇ·Ú / ÁÖ¹® |
| 30309D | P | 117,700 | - | - | - | - | °ßÀûÀÇ·Ú / ÁÖ¹® |
| 30310D | P | 143,000 | - | - | - | - | °ßÀûÀÇ·Ú / ÁÖ¹® |
| 30311D | P | 167,200 | - | - | - | - | °ßÀûÀÇ·Ú / ÁÖ¹® |
| 30312D | P | 203,500 | - | - | - | - | °ßÀûÀÇ·Ú / ÁÖ¹® |
| 30313D | P | 268,400 | - | - | - | - | °ßÀûÀÇ·Ú / ÁÖ¹® |
| 30314D | P | 336,600 | - | - | - | - | °ßÀûÀÇ·Ú / ÁÖ¹® |
| 30315D | P | 459,800 | - | - | - | - | °ßÀûÀÇ·Ú / ÁÖ¹® |
| 30316D | P | 649,000 | - | - | - | - | °ßÀûÀÇ·Ú / ÁÖ¹® |
| 30317D | P | 1,045,000 | - | - | - | - | °ßÀûÀÇ·Ú / ÁÖ¹® |
| 30318D | P | 1,342,000 | - | - | - | - | °ßÀûÀÇ·Ú / ÁÖ¹® |
| 30319D | P | 1,562,000 | - | - | - | - | °ßÀûÀÇ·Ú / ÁÖ¹® |
| 32004X | P | 37,620 | - | - | - | - | °ßÀûÀÇ·Ú / ÁÖ¹® |
| 32004XP5 | P | 124,300 | - | - | - | - | °ßÀûÀÇ·Ú / ÁÖ¹® |
| 32005X | P | 38,720 | - | - | - | - | °ßÀûÀÇ·Ú / ÁÖ¹® |
| 32005XP5 | P | 127,600 | - | - | - | - | °ßÀûÀÇ·Ú / ÁÖ¹® |
| 32006X | P | 42,240 | - | - | - | - | °ßÀûÀÇ·Ú / ÁÖ¹® |
| 32006XP5 | P | 139,700 | - | - | - | - | °ßÀûÀÇ·Ú / ÁÖ¹® |
| 32007X | P | 46,420 | - | - | - | - | °ßÀûÀÇ·Ú / ÁÖ¹® |
| 32007XP5 | P | 152,900 | - | - | - | - | °ßÀûÀÇ·Ú / ÁÖ¹® |
| 32008X | P | 60,940 | - | - | - | - | °ßÀûÀÇ·Ú / ÁÖ¹® |
| 32008XP5 | P | 201,300 | - | - | - | - | °ßÀûÀÇ·Ú / ÁÖ¹® |
| 32009X | P | 73,040 | - | - | - | - | °ßÀûÀÇ·Ú / ÁÖ¹® |
| 32009XP5 | P | 242,000 | - | - | - | - | °ßÀûÀÇ·Ú / ÁÖ¹® |
| 32010X | P | 81,840 | - | - | - | - | °ßÀûÀÇ·Ú / ÁÖ¹® |
| 32010XP5 | P | 270,600 | - | - | - | - | °ßÀûÀÇ·Ú / ÁÖ¹® |
| 32011X | P | 92,840 | - | - | - | - | °ßÀûÀÇ·Ú / ÁÖ¹® |
| 32011XP5 | P | 305,800 | - | - | - | - | °ßÀûÀÇ·Ú / ÁÖ¹® |
| 32012X | P | 112,200 | - | - | - | - | °ßÀûÀÇ·Ú / ÁÖ¹® |
| 32012XP5 | P | 369,600 | - | - | - | - | °ßÀûÀÇ·Ú / ÁÖ¹® |
| 32013X | P | 127,600 | - | - | - | - | °ßÀûÀÇ·Ú / ÁÖ¹® |
| 32013XP5 | P | 420,200 | - | - | - | - | °ßÀûÀÇ·Ú / ÁÖ¹® |
| 32014X | P | 152,900 | - | - | - | - | °ßÀûÀÇ·Ú / ÁÖ¹® |
| 32014XP5 | P | 503,800 | - | - | - | - | °ßÀûÀÇ·Ú / ÁÖ¹® |
| 32015X | P | 181,500 | - | - | - | - | °ßÀûÀÇ·Ú / ÁÖ¹® |
| 32015XP5 | P | 598,400 | - | - | - | - | °ßÀûÀÇ·Ú / ÁÖ¹® |
| 32016X | P | 216,700 | - | - | - | - | °ßÀûÀÇ·Ú / ÁÖ¹® |
| 32016XP5 | P | 712,800 | - | - | - | - | °ßÀûÀÇ·Ú / ÁÖ¹® |
| 32017X | P | 253,000 | - | - | - | - | °ßÀûÀÇ·Ú / ÁÖ¹® |
| 32017XP5 | P | 836,000 | - | - | - | - | °ßÀûÀÇ·Ú / ÁÖ¹® |
| 32018X | P | 303,600 | - | - | - | - | °ßÀûÀÇ·Ú / ÁÖ¹® |
| 32018XP5 | P | 1,001,000 | - | - | - | - | °ßÀûÀÇ·Ú / ÁÖ¹® |
| 32019X | P | 382,800 | - | - | - | - | °ßÀûÀÇ·Ú / ÁÖ¹® |
| 32019XP5 | P | 1,265,000 | - | - | - | - | °ßÀûÀÇ·Ú / ÁÖ¹® |
| 32020X | P | 466,400 | - | - | - | - | °ßÀûÀÇ·Ú / ÁÖ¹® |
| 32020XP5 | P | 1,540,000 | - | - | - | - | °ßÀûÀÇ·Ú / ÁÖ¹® |
| 32021X | P | 569,800 | - | - | - | - | °ßÀûÀÇ·Ú / ÁÖ¹® |
| 32021XP5 | P | 1,881,000 | - | - | - | - | °ßÀûÀÇ·Ú / ÁÖ¹® |
| 32022X | P | 675,400 | - | - | - | - | °ßÀûÀÇ·Ú / ÁÖ¹® |
| 32022XP5 | P | 2,222,000 | - | - | - | - | °ßÀûÀÇ·Ú / ÁÖ¹® |
| 32024X | P | 994,400 | - | - | - | - | °ßÀûÀÇ·Ú / ÁÖ¹® |
| 32024XP5 | P | 3,278,000 | - | - | - | - | °ßÀûÀÇ·Ú / ÁÖ¹® |
| 32026X | P | 1,122,000 | - | - | - | - | °ßÀûÀÇ·Ú / ÁÖ¹® |
| 32026XP5 | P | 3,718,000 | - | - | - | - | °ßÀûÀÇ·Ú / ÁÖ¹® |
| 32028X | P | 1,386,000 | - | - | - | - | °ßÀûÀÇ·Ú / ÁÖ¹® |
| 32028XP5 | P | 4,554,000 | - | - | - | - | °ßÀûÀÇ·Ú / ÁÖ¹® |
| 32030X | P | 1,914,000 | - | - | - | - | °ßÀûÀÇ·Ú / ÁÖ¹® |
| 32030XP5 | P | 6,292,000 | - | - | - | - | °ßÀûÀÇ·Ú / ÁÖ¹® |
| 32032X | P | 2,156,000 | - | - | - | - | °ßÀûÀÇ·Ú / ÁÖ¹® |
| 32032XP5 | P | 7,128,000 | - | - | - | - | °ßÀûÀÇ·Ú / ÁÖ¹® |
| 32034X | P | 2,530,000 | - | - | - | - | °ßÀûÀÇ·Ú / ÁÖ¹® |
| 32034XP5 | P | 8,360,000 | - | - | - | - | °ßÀûÀÇ·Ú / ÁÖ¹® |
| 32036X | P | 2,992,000 | - | - | - | - | °ßÀûÀÇ·Ú / ÁÖ¹® |
| 32036XP5 | P | 9,878,000 | - | - | - | - | °ßÀûÀÇ·Ú / ÁÖ¹® |
| 32038X | P | 3,278,000 | - | - | - | - | °ßÀûÀÇ·Ú / ÁÖ¹® |
| 32038XP5 | P | 10,824,000 | - | - | - | - | °ßÀûÀÇ·Ú / ÁÖ¹® |
| 32040X | P | 4,268,000 | - | - | - | - | °ßÀûÀÇ·Ú / ÁÖ¹® |
| 32044X | P | 4,972,000 | - | - | - | - | °ßÀûÀÇ·Ú / ÁÖ¹® |
| 32048X | P | 5,984,000 | - | - | - | - | °ßÀûÀÇ·Ú / ÁÖ¹® |
| 32203 | P | 34,540 | - | - | - | - | °ßÀûÀÇ·Ú / ÁÖ¹® |
| 32204 | P | 38,060 | - | - | - | - | °ßÀûÀÇ·Ú / ÁÖ¹® |
| 32205 | P | 39,380 | - | - | - | - | °ßÀûÀÇ·Ú / ÁÖ¹® |
| 32206 | P | 43,120 | - | - | - | - | °ßÀûÀÇ·Ú / ÁÖ¹® |
| 32207 | P | 50,160 | - | - | - | - | °ßÀûÀÇ·Ú / ÁÖ¹® |
| 32207P5 | P | 165,000 | - | - | - | - | °ßÀûÀÇ·Ú / ÁÖ¹® |
| 32208 | P | 57,640 | - | - | - | - | °ßÀûÀÇ·Ú / ÁÖ¹® |
| 32208P5 | P | 190,300 | - | - | - | - | °ßÀûÀÇ·Ú / ÁÖ¹® |
| 32209 | P | 72,600 | - | - | - | - | °ßÀûÀÇ·Ú / ÁÖ¹® |
| 32209P5 | P | 239,800 | - | - | - | - | °ßÀûÀÇ·Ú / ÁÖ¹® |
| 32210 | P | 77,660 | - | - | - | - | °ßÀûÀÇ·Ú / ÁÖ¹® |
| 32210P5 | P | 255,200 | - | - | - | - | °ßÀûÀÇ·Ú / ÁÖ¹® |
| 32211 | P | 88,880 | - | - | - | - | °ßÀûÀÇ·Ú / ÁÖ¹® |
| 32211P5 | P | 292,600 | - | - | - | - | °ßÀûÀÇ·Ú / ÁÖ¹® |
| 32212 | P | 105,820 | - | - | - | - | °ßÀûÀÇ·Ú / ÁÖ¹® |
| 32212P5 | P | 349,800 | - | - | - | - | °ßÀûÀÇ·Ú / ÁÖ¹® |
| 32213 | P | 141,900 | - | - | - | - | °ßÀûÀÇ·Ú / ÁÖ¹® |
| 32213P5 | P | 466,400 | - | - | - | - | °ßÀûÀÇ·Ú / ÁÖ¹® |
| 32214 | P | 156,200 | - | - | - | - | °ßÀûÀÇ·Ú / ÁÖ¹® |
| 32214P5 | P | 514,800 | - | - | - | - | °ßÀûÀÇ·Ú / ÁÖ¹® |
| 32215 | P | 170,500 | - | - | - | - | °ßÀûÀÇ·Ú / ÁÖ¹® |
| 32215P5 | P | 561,000 | - | - | - | - | °ßÀûÀÇ·Ú / ÁÖ¹® |
| 32216 | P | 191,400 | - | - | - | - | °ßÀûÀÇ·Ú / ÁÖ¹® |
| 32216P5 | P | 629,200 | - | - | - | - | °ßÀûÀÇ·Ú / ÁÖ¹® |
| 32217 | P | 237,600 | - | - | - | - | °ßÀûÀÇ·Ú / ÁÖ¹® |
| 32218 | P | 310,200 | - | - | - | - | °ßÀûÀÇ·Ú / ÁÖ¹® |
| 32218P5 | P | 1,023,000 | - | - | - | - | °ßÀûÀÇ·Ú / ÁÖ¹® |
| 32219 | P | 387,200 | - | - | - | - | °ßÀûÀÇ·Ú / ÁÖ¹® |
| 32219P5 | P | 1,276,000 | - | - | - | - | °ßÀûÀÇ·Ú / ÁÖ¹® |
| 32220 | P | 464,200 | - | - | - | - | °ßÀûÀÇ·Ú / ÁÖ¹® |
| 32221 | P | 697,400 | - | - | - | - | °ßÀûÀÇ·Ú / ÁÖ¹® |
| 32222 | P | 818,400 | - | - | - | - | °ßÀûÀÇ·Ú / ÁÖ¹® |
| 32224 | P | 1,298,000 | - | - | - | - | °ßÀûÀÇ·Ú / ÁÖ¹® |
| 32226 | P | 1,881,000 | - | - | - | - | °ßÀûÀÇ·Ú / ÁÖ¹® |
| 32228 | P | 2,244,000 | - | - | - | - | °ßÀûÀÇ·Ú / ÁÖ¹® |
| 32230 | P | 3,036,000 | - | - | - | - | °ßÀûÀÇ·Ú / ÁÖ¹® |
| 32232 | P | 3,256,000 | - | - | - | - | °ßÀûÀÇ·Ú / ÁÖ¹® |
| 32234 | P | 3,762,000 | - | - | - | - | °ßÀûÀÇ·Ú / ÁÖ¹® |
| 32236 | P | 4,268,000 | - | - | - | - | °ßÀûÀÇ·Ú / ÁÖ¹® |
| 32304 | P | 43,560 | - | - | - | - | °ßÀûÀÇ·Ú / ÁÖ¹® |
| 32305 | P | 46,200 | - | - | - | - | °ßÀûÀÇ·Ú / ÁÖ¹® |
| 32306 | P | 54,780 | - | - | - | - | °ßÀûÀÇ·Ú / ÁÖ¹® |
| 32307 | P | 69,080 | - | - | - | - | °ßÀûÀÇ·Ú / ÁÖ¹® |
| 32308 | P | 95,040 | - | - | - | - | °ßÀûÀÇ·Ú / ÁÖ¹® |
| 32309 | P | 117,700 | - | - | - | - | °ßÀûÀÇ·Ú / ÁÖ¹® |
| 32310 | P | 143,000 | - | - | - | - | °ßÀûÀÇ·Ú / ÁÖ¹® |
| 32311 | P | 171,600 | - | - | - | - | °ßÀûÀÇ·Ú / ÁÖ¹® |
| 32312 | P | 215,600 | - | - | - | - | °ßÀûÀÇ·Ú / ÁÖ¹® |
| 32313 | P | 294,800 | - | - | - | - | °ßÀûÀÇ·Ú / ÁÖ¹® |
| 32314 | P | 391,600 | - | - | - | - | °ßÀûÀÇ·Ú / ÁÖ¹® |
| 32315 | P | 492,800 | - | - | - | - | °ßÀûÀÇ·Ú / ÁÖ¹® |
| 32316 | P | 547,800 | - | - | - | - | °ßÀûÀÇ·Ú / ÁÖ¹® |
| 32317 | P | 781,000 | - | - | - | - | °ßÀûÀÇ·Ú / ÁÖ¹® |
| 32318 | P | 1,122,000 | - | - | - | - | °ßÀûÀÇ·Ú / ÁÖ¹® |
| 32319 | P | 1,364,000 | - | - | - | - | °ßÀûÀÇ·Ú / ÁÖ¹® |
| 32320 | P | 1,738,000 | - | - | - | - | °ßÀûÀÇ·Ú / ÁÖ¹® |
| 32321 | P | 2,002,000 | - | - | - | - | °ßÀûÀÇ·Ú / ÁÖ¹® |
| 32322 | P | 2,310,000 | - | - | - | - | °ßÀûÀÇ·Ú / ÁÖ¹® |
| 32324 | P | 2,838,000 | - | - | - | - | °ßÀûÀÇ·Ú / ÁÖ¹® |
| 32326 | P | 3,894,000 | - | - | - | - | °ßÀûÀÇ·Ú / ÁÖ¹® |
| 32328 | P | 4,884,000 | - | - | - | - | °ßÀûÀÇ·Ú / ÁÖ¹® |
| 32330 | P | 6,358,000 | - | - | - | - | °ßÀûÀÇ·Ú / ÁÖ¹® |
| 32332 | P | 6,776,000 | - | - | - | - | °ßÀûÀÇ·Ú / ÁÖ¹® |
| 33005 | P | 76,560 | - | - | - | - | °ßÀûÀÇ·Ú / ÁÖ¹® |
| 33006 | P | 90,640 | - | - | - | - | °ßÀûÀÇ·Ú / ÁÖ¹® |
| 33007 | P | 127,600 | - | - | - | - | °ßÀûÀÇ·Ú / ÁÖ¹® |
| 33009 | P | 172,700 | - | - | - | - | °ßÀûÀÇ·Ú / ÁÖ¹® |
| 33010 | P | 200,200 | - | - | - | - | °ßÀûÀÇ·Ú / ÁÖ¹® |
| 33011 | P | 250,800 | - | - | - | - | °ßÀûÀÇ·Ú / ÁÖ¹® |
| 33012 | P | 255,200 | - | - | - | - | °ßÀûÀÇ·Ú / ÁÖ¹® |
| 33013 | P | 261,800 | - | - | - | - | °ßÀûÀÇ·Ú / ÁÖ¹® |
| 33014 | P | 299,200 | - | - | - | - | °ßÀûÀÇ·Ú / ÁÖ¹® |
| 33015 | P | 330,000 | - | - | - | - | °ßÀûÀÇ·Ú / ÁÖ¹® |
| 33016 | P | 389,400 | - | - | - | - | °ßÀûÀÇ·Ú / ÁÖ¹® |
| 33017 | P | 431,200 | - | - | - | - | °ßÀûÀÇ·Ú / ÁÖ¹® |
| 33018 | P | 528,000 | - | - | - | - | °ßÀûÀÇ·Ú / ÁÖ¹® |
| 33019 | P | 541,200 | - | - | - | - | °ßÀûÀÇ·Ú / ÁÖ¹® |
| 33020 | P | 567,600 | - | - | - | - | °ßÀûÀÇ·Ú / ÁÖ¹® |
| 33021 | P | 677,600 | - | - | - | - | °ßÀûÀÇ·Ú / ÁÖ¹® |
| 33205 | P | 106,260 | - | - | - | - | °ßÀûÀÇ·Ú / ÁÖ¹® |
| 33206 | P | 128,700 | - | - | - | - | °ßÀûÀÇ·Ú / ÁÖ¹® |
| 33207 | P | 152,900 | - | - | - | - | °ßÀûÀÇ·Ú / ÁÖ¹® |
| 33208 | P | 182,600 | - | - | - | - | °ßÀûÀÇ·Ú / ÁÖ¹® |
| 33209 | P | 206,800 | - | - | - | - | °ßÀûÀÇ·Ú / ÁÖ¹® |
| 33210 | P | 237,600 | - | - | - | - | °ßÀûÀÇ·Ú / ÁÖ¹® |
| 33211 | P | 290,400 | - | - | - | - | °ßÀûÀÇ·Ú / ÁÖ¹® |
| 33212 | P | 352,000 | - | - | - | - | °ßÀûÀÇ·Ú / ÁÖ¹® |
| 32906 | P | 187,000 | - | - | - | - | °ßÀûÀÇ·Ú / ÁÖ¹® |
| 32907 | P | 216,700 | - | - | - | - | °ßÀûÀÇ·Ú / ÁÖ¹® |
| 32908 | P | 316,800 | - | - | - | - | °ßÀûÀÇ·Ú / ÁÖ¹® |
| 32909 | P | 341,000 | - | - | - | - | °ßÀûÀÇ·Ú / ÁÖ¹® |
| 32910 | P | 360,800 | - | - | - | - | °ßÀûÀÇ·Ú / ÁÖ¹® |
| 32911 | P | 398,200 | - | - | - | - | °ßÀûÀÇ·Ú / ÁÖ¹® |
| 32912 | P | 446,600 | - | - | - | - | °ßÀûÀÇ·Ú / ÁÖ¹® |
| 32913 | P | 497,200 | - | - | - | - | °ßÀûÀÇ·Ú / ÁÖ¹® |
| 32914 | P | 552,200 | - | - | - | - | °ßÀûÀÇ·Ú / ÁÖ¹® |
| 32915 | P | 600,600 | - | - | - | - | °ßÀûÀÇ·Ú / ÁÖ¹® |
| 32916 | P | 675,400 | - | - | - | - | °ßÀûÀÇ·Ú / ÁÖ¹® |
| 32917 | P | 752,400 | - | - | - | - | °ßÀûÀÇ·Ú / ÁÖ¹® |
| 32918 | P | 847,000 | - | - | - | - | °ßÀûÀÇ·Ú / ÁÖ¹® |
| 32919 | P | 946,000 | - | - | - | - | °ßÀûÀÇ·Ú / ÁÖ¹® |
| 32920 | P | 1,053,800 | - | - | - | - | °ßÀûÀÇ·Ú / ÁÖ¹® |
| 32921 | P | 1,082,400 | - | - | - | - | °ßÀûÀÇ·Ú / ÁÖ¹® |
| 32922 | P | 1,188,000 | - | - | - | - | °ßÀûÀÇ·Ú / ÁÖ¹® |
| 32924 | P | 1,331,000 | - | - | - | - | °ßÀûÀÇ·Ú / ÁÖ¹® |
| 32926 | P | 1,903,000 | - | - | - | - | °ßÀûÀÇ·Ú / ÁÖ¹® |
| 32928 | P | 1,991,000 | - | - | - | - | °ßÀûÀÇ·Ú / ÁÖ¹® |
| 32930 | P | 2,310,000 | - | - | - | - | °ßÀûÀÇ·Ú / ÁÖ¹® |
| 32932 | P | 2,398,000 | - | - | - | - | °ßÀûÀÇ·Ú / ÁÖ¹® |
| 32934 | P | 2,552,000 | - | - | - | - | °ßÀûÀÇ·Ú / ÁÖ¹® |
| 32936 | P | 3,828,000 | - | - | - | - | °ßÀûÀÇ·Ú / ÁÖ¹® |
| 32938 | P | 4,136,000 | - | - | - | - | °ßÀûÀÇ·Ú / ÁÖ¹® |
| 32940 | P | 4,620,000 | - | - | - | - | °ßÀûÀÇ·Ú / ÁÖ¹® |
| 32944 | P | 5,016,000 | - | - | - | - | °ßÀûÀÇ·Ú / ÁÖ¹® |
| 32948 | P | 5,412,000 | - | - | - | - | °ßÀûÀÇ·Ú / ÁÖ¹® |
| 32980 | P | 19,646,000 | - | - | - | - | °ßÀûÀÇ·Ú / ÁÖ¹® |
![]() |
- ¾Æ¸°Àç°í°¡ ÀÖ´Â »óǰÀº °áÀç°¡ ¿Ï·áµÇ¸é °áÀçÇÑ ´ÙÀ½³¯ºÎÅÍ 1~3ÀÏ À̳» Àü±¹(µµ¼Áö¹æÁ¦¿Ü)À¸·Î Åù踦 ÅëÇØ ¹è¼ÛµË´Ï´Ù. - ¾Æ¸°Àç°í°¡ ¾ø´Â ¼öÀÔǰÀÇ °æ¿ì´Â ³³Ç°±îÁö ¼öÀÏ ³»Áö ¼öÁÖ°¡ ¼Ò¿äµÉ ¼ö ÀÖÀ¸¹Ç·Î ÁÖ¹®Àü¿¡ ´ç»ç¿¡ ³³±â¸¦ ¹Ì¸® È®ÀÎÇÏ¿© ÁֽʽÿÀ. - Á¦Ç°Å©±â¿¡ µû¶ó Åù質 ȹ°¿î¼Û¾÷ü¸¦ ÅëÇØ ¹è¼ÛÇØ µå¸®¸ç, ÁÖ¹®±Ý¾× 20¸¸¿ø ÀÌÇÏÀÇ °æ¿ì 5,500¿øÀÇ ¹è¼Ûºñ°¡ Ãß°¡µË´Ï´Ù. - Á¦ÁÖµµ µî µµ¼Áö¿ªÀÇ °æ¿ì Ãß°¡¹è¼Û ±Ý¾×ÀÌ ¹ß»ýÇÒ ¼ö ÀÖÀ¸´Ï ÁÖ¹®Àü¿¡ °í°´¼¾ÅÍ·Î ¹®ÀÇ ÁֽʽÿÀ.
|
![]() |
- Á¦Ç°À» ¹Þ¾Æº¸½Ã°í ÀÌ»óÀÌ ÀÖÀ» °æ¿ì¿¡ ÇÑÇÏ¿© ¹è¼Û ÈÄ 14ÀÏ À̳»¿¡ ±³È¯ ¹× ¹ÝǰÀÌ °¡´ÉÇÕ´Ï´Ù. - »óǰ´ë±ÝÀ» ½Å¿ëÄ«µå·Î °áÁ¦ÇÑ °æ¿ì´Â ¸ÅÃâÀ» Ãë¼ÒÇØµå¸®¸ç, ¿Â¶óÀÎÀ¸·Î ÀÔ±ÝÇÑ °æ¿ì¿¡´Â ÁÖ¹®ÀÚÀÇ °èÁ¹øÈ£·Î 3Àϳ»·Î ÀÔ±Ý Ã³¸®ÇØ µå¸³´Ï´Ù. |




















