V-Lok ƼÀ¯´Ï¿Â
(ÁÖ)ÈÄÁöŲ ( FUJIKIN )
|
|
| 25°Ç Áß 1~25°Ç Ç¥½Ã | |
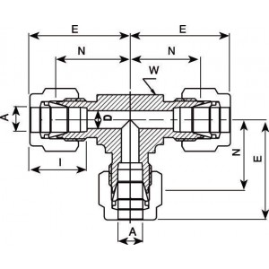
| Çü½Ä | ŸÀÔ | A ȣΰæ (mm) | D (mm) | W (mm) | N (mm) | E (mm) | I (mm) |
| Çü½Ä | ŸÀÔ | A ȣΰæ (mm) | D (mm) | W (mm) | N (mm) | E (mm) | I (mm) |
| VUWT-2 | Æ©ºê(¹Ð¸®»çÀÌÁî)¿Í Æ©ºê(¹Ð¸®»çÀÌÁî) | 2 | 1.7 | 9.5 | 15.7 | 22.3 | 12.9 |
| VUWT-3 | Æ©ºê(¹Ð¸®»çÀÌÁî)¿Í Æ©ºê(¹Ð¸®»çÀÌÁî) | 3 | 2.4 | 9.5 | 15.7 | 22.3 | 12.9 |
| VUWT-4 | Æ©ºê(¹Ð¸®»çÀÌÁî)¿Í Æ©ºê(¹Ð¸®»çÀÌÁî) | 4 | 2.4 | 12.7 | 18.8 | 25.4 | 13.7 |
| VUWT-6 | Æ©ºê(¹Ð¸®»çÀÌÁî)¿Í Æ©ºê(¹Ð¸®»çÀÌÁî) | 6 | 4.8 | 12.7 | 19.6 | 27 | 15.3 |
| VUWT-8 | Æ©ºê(¹Ð¸®»çÀÌÁî)¿Í Æ©ºê(¹Ð¸®»çÀÌÁî) | 8 | 6.4 | 15.9 | 22.4 | 29.9 | 16.2 |
| VUWT-10 | Æ©ºê(¹Ð¸®»çÀÌÁî)¿Í Æ©ºê(¹Ð¸®»çÀÌÁî) | 10 | 7.9 | 17.5 | 23.9 | 31.5 | 17.2 |
| VUWT-12 | Æ©ºê(¹Ð¸®»çÀÌÁî)¿Í Æ©ºê(¹Ð¸®»çÀÌÁî) | 12 | 9.5 | 20.6 | 25.9 | 36 | 22.8 |
| VUWT-14 | Æ©ºê(¹Ð¸®»çÀÌÁî)¿Í Æ©ºê(¹Ð¸®»çÀÌÁî) | 14 | 11 | 23.8 | 28.7 | 38.8 | 24.4 |
| VUWT-15 | Æ©ºê(¹Ð¸®»çÀÌÁî)¿Í Æ©ºê(¹Ð¸®»çÀÌÁî) | 15 | 12 | 23.8 | 28.7 | 38.8 | 24.4 |
| VUWT-16 | Æ©ºê(¹Ð¸®»çÀÌÁî)¿Í Æ©ºê(¹Ð¸®»çÀÌÁî) | 16 | 12.7 | 23.8 | 28.7 | 38.8 | 24.4 |
| VUWT-18 | Æ©ºê(¹Ð¸®»çÀÌÁî)¿Í Æ©ºê(¹Ð¸®»çÀÌÁî) | 18 | 15.1 | 27 | 29.7 | 39.8 | 24.4 |
| VUWT-20 | Æ©ºê(¹Ð¸®»çÀÌÁî)¿Í Æ©ºê(¹Ð¸®»çÀÌÁî) | 20 | 15.9 | 34.9 | 34.5 | 44.6 | 26 |
| VUWT-22 | Æ©ºê(¹Ð¸®»çÀÌÁî)¿Í Æ©ºê(¹Ð¸®»çÀÌÁî) | 22 | 18.3 | 34.9 | 34.5 | 44.6 | 26 |
| VUWT-25 | Æ©ºê(¹Ð¸®»çÀÌÁî)¿Í Æ©ºê(¹Ð¸®»çÀÌÁî) | 25 | 21.8 | 34.9 | 36.8 | 49.1 | 31.3 |
| VUWT-1.6 | Æ©ºê(ÀÎÄ¡»çÀÌÁî)¿Í Æ©ºê(ÀÎÄ¡»çÀÌÁî) | 1.6 | 1.3 | 9.5 | 14 | 17.8 | 8.6 |
| VUWT-3.2 | Æ©ºê(ÀÎÄ¡»çÀÌÁî)¿Í Æ©ºê(ÀÎÄ¡»çÀÌÁî) | 3.2 | 2.3 | 9.5 | 15.8 | 22.4 | 12.7 |
| VUWT-4.8 | Æ©ºê(ÀÎÄ¡»çÀÌÁî)¿Í Æ©ºê(ÀÎÄ¡»çÀÌÁî) | 4.8 | 3 | 12.7 | 17.8 | 24.4 | 13.7 |
| VUWT-6.35 | Æ©ºê(ÀÎÄ¡»çÀÌÁî)¿Í Æ©ºê(ÀÎÄ¡»çÀÌÁî) | 6.35 | 4.8 | 12.7 | 19.6 | 26.9 | 15.2 |
| VUWT-7.93 | Æ©ºê(ÀÎÄ¡»çÀÌÁî)¿Í Æ©ºê(ÀÎÄ¡»çÀÌÁî) | 7.93 | 6.4 | 15.9 | 22.4 | 29.7 | 16.3 |
| VUWT-9.52 | Æ©ºê(ÀÎÄ¡»çÀÌÁî)¿Í Æ©ºê(ÀÎÄ¡»çÀÌÁî) | 9.52 | 7.1 | 15.9 | 23.1 | 30.5 | 16.8 |
| VUWT-12.7 | Æ©ºê(ÀÎÄ¡»çÀÌÁî)¿Í Æ©ºê(ÀÎÄ¡»çÀÌÁî) | 12.7 | 10.4 | 20.6 | 25.9 | 36.1 | 22.9 |
| VUWT-15.88 | Æ©ºê(ÀÎÄ¡»çÀÌÁî)¿Í Æ©ºê(ÀÎÄ¡»çÀÌÁî) | 15.88 | 12.7 | 23.8 | 28.7 | 38.9 | 24.4 |
| VUWT-19.05 | Æ©ºê(ÀÎÄ¡»çÀÌÁî)¿Í Æ©ºê(ÀÎÄ¡»çÀÌÁî) | 19.05 | 15.8 | 27 | 29.7 | 39.9 | 24.4 |
| VUWT-22.22 | Æ©ºê(ÀÎÄ¡»çÀÌÁî)¿Í Æ©ºê(ÀÎÄ¡»çÀÌÁî) | 22.22 | 18.3 | 34.9 | 34.54 | 44.7 | 25.9 |
| VUWT-25.4 | Æ©ºê(ÀÎÄ¡»çÀÌÁî)¿Í Æ©ºê(ÀÎÄ¡»çÀÌÁî) | 25.4 | 22.3 | 34.9 | 36.8 | 49 | 31.2 |
| Çü½Ä | ´ÜÀ§ | ÆÇ¸ÅÁ¤°¡ (¿ø) | ±âÁس³±â | ±âÁس³±â | ±âÁس³±â | Áú·® | °ßÀûÀÇ·Ú ¹× ÁÖ¹® |
| Çü½Ä | ´ÜÀ§ | ÆÇ¸ÅÁ¤°¡ (¿ø) | À¯ÅëÀç°í | ¸ÞÀÌÄ¿Àç°í | ¾Æ¸°Àç°í | Áú·® | °ßÀûÀÇ·Ú ¹× ÁÖ¹® |
| VUWT-2 | P | 95,480 | - | - | - | - | °ßÀûÀÇ·Ú / ÁÖ¹® |
| VUWT-3 | P | 59,180 | - | - | - | - | °ßÀûÀÇ·Ú / ÁÖ¹® |
| VUWT-4 | P | 59,620 | - | - | - | - | °ßÀûÀÇ·Ú / ÁÖ¹® |
| VUWT-6 | P | 54,560 | - | - | - | - | °ßÀûÀÇ·Ú / ÁÖ¹® |
| VUWT-8 | P | 62,920 | - | - | - | - | °ßÀûÀÇ·Ú / ÁÖ¹® |
| VUWT-10 | P | 71,500 | - | - | - | - | °ßÀûÀÇ·Ú / ÁÖ¹® |
| VUWT-12 | P | 108,240 | - | - | - | - | °ßÀûÀÇ·Ú / ÁÖ¹® |
| VUWT-14 | P | 116,600 | - | - | - | - | °ßÀûÀÇ·Ú / ÁÖ¹® |
| VUWT-15 | P | 116,600 | - | - | - | - | °ßÀûÀÇ·Ú / ÁÖ¹® |
| VUWT-16 | P | 122,100 | - | - | - | - | °ßÀûÀÇ·Ú / ÁÖ¹® |
| VUWT-18 | P | 162,800 | - | - | - | - | °ßÀûÀÇ·Ú / ÁÖ¹® |
| VUWT-20 | P | 280,500 | - | - | - | - | °ßÀûÀÇ·Ú / ÁÖ¹® |
| VUWT-22 | P | 280,500 | - | - | - | - | °ßÀûÀÇ·Ú / ÁÖ¹® |
| VUWT-25 | P | 347,600 | - | - | - | - | °ßÀûÀÇ·Ú / ÁÖ¹® |
| VUWT-1.6 | P | 95,480 | - | - | - | - | °ßÀûÀÇ·Ú / ÁÖ¹® |
| VUWT-3.2 | P | 59,180 | - | - | - | - | °ßÀûÀÇ·Ú / ÁÖ¹® |
| VUWT-4.8 | P | 59,620 | - | - | - | - | °ßÀûÀÇ·Ú / ÁÖ¹® |
| VUWT-6.35 | P | 54,560 | - | - | - | - | °ßÀûÀÇ·Ú / ÁÖ¹® |
| VUWT-7.93 | P | 62,920 | - | - | - | - | °ßÀûÀÇ·Ú / ÁÖ¹® |
| VUWT-9.52 | P | 70,180 | - | - | - | - | °ßÀûÀÇ·Ú / ÁÖ¹® |
| VUWT-12.7 | P | 108,240 | - | - | - | - | °ßÀûÀÇ·Ú / ÁÖ¹® |
| VUWT-15.88 | P | 122,100 | - | - | - | - | °ßÀûÀÇ·Ú / ÁÖ¹® |
| VUWT-19.05 | P | 162,800 | - | - | - | - | °ßÀûÀÇ·Ú / ÁÖ¹® |
| VUWT-22.22 | P | °ßÀû | - | - | - | - | °ßÀûÀÇ·Ú / ÁÖ¹® |
| VUWT-25.4 | P | 347,600 | - | - | - | - | °ßÀûÀÇ·Ú / ÁÖ¹® |
![]() |
- ¾Æ¸°Àç°í°¡ ÀÖ´Â »óǰÀº °áÀç°¡ ¿Ï·áµÇ¸é °áÀçÇÑ ´ÙÀ½³¯ºÎÅÍ 1~3ÀÏ À̳» Àü±¹(µµ¼Áö¹æÁ¦¿Ü)À¸·Î Åù踦 ÅëÇØ ¹è¼ÛµË´Ï´Ù. - ¾Æ¸°Àç°í°¡ ¾ø´Â ¼öÀÔǰÀÇ °æ¿ì´Â ³³Ç°±îÁö ¼öÀÏ ³»Áö ¼öÁÖ°¡ ¼Ò¿äµÉ ¼ö ÀÖÀ¸¹Ç·Î ÁÖ¹®Àü¿¡ ´ç»ç¿¡ ³³±â¸¦ ¹Ì¸® È®ÀÎÇÏ¿© ÁֽʽÿÀ. - Á¦Ç°Å©±â¿¡ µû¶ó Åù質 ȹ°¿î¼Û¾÷ü¸¦ ÅëÇØ ¹è¼ÛÇØ µå¸®¸ç, ÁÖ¹®±Ý¾× 20¸¸¿ø ÀÌÇÏÀÇ °æ¿ì 5,500¿øÀÇ ¹è¼Ûºñ°¡ Ãß°¡µË´Ï´Ù. - Á¦ÁÖµµ µî µµ¼Áö¿ªÀÇ °æ¿ì Ãß°¡¹è¼Û ±Ý¾×ÀÌ ¹ß»ýÇÒ ¼ö ÀÖÀ¸´Ï ÁÖ¹®Àü¿¡ °í°´¼¾ÅÍ·Î ¹®ÀÇ ÁֽʽÿÀ.
|
![]() |
- Á¦Ç°À» ¹Þ¾Æº¸½Ã°í ÀÌ»óÀÌ ÀÖÀ» °æ¿ì¿¡ ÇÑÇÏ¿© ¹è¼Û ÈÄ 14ÀÏ À̳»¿¡ ±³È¯ ¹× ¹ÝǰÀÌ °¡´ÉÇÕ´Ï´Ù. - »óǰ´ë±ÝÀ» ½Å¿ëÄ«µå·Î °áÁ¦ÇÑ °æ¿ì´Â ¸ÅÃâÀ» Ãë¼ÒÇØµå¸®¸ç, ¿Â¶óÀÎÀ¸·Î ÀÔ±ÝÇÑ °æ¿ì¿¡´Â ÁÖ¹®ÀÚÀÇ °èÁ¹øÈ£·Î 3Àϳ»·Î ÀÔ±Ý Ã³¸®ÇØ µå¸³´Ï´Ù. |


















