고품질 제품과 최적화된 솔루션을 제공하는 바람직한 기업
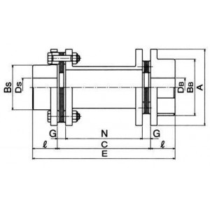
| 형식 | 허브 타입 |
축경DS(mm)//max | 축경DS(mm)//min | 축경DB(mm)//max | 축경DB(mm)//min | 치수(mm)//A | 치수(mm)//E | 치수(mm)//I | 치수(mm)//C | 치수(mm)//BS | 치수(mm)//BB | 치수(mm)//G | 치수(mm)//N | #볼트 본수 |
허용 토크 (N · m) |
허용 회전수 (rpm) |
GD2 (kgf · m2) |
편각 | 평행 편심 (mm) |
축방향 변위 (mm) |
|---|---|---|---|---|---|---|---|---|---|---|---|---|---|---|---|---|---|---|---|---|
| DCHK06S | 표준허브 | 23 | 0 | 28 | 0 | 67 | 139.7 | 25.4 | 88.9 | 33 | 46 | 6.1 | 76.7 | 4 | 775 | 11000 | 0.0024 | 1° | 0.4 | 1.5 |
| DCHK08S | 표준허브 | 32 | 0 | 40 | 0 | 81 | 139.7 | 25.4 | 88.9 | 46 | 58 | 6.6 | 75.7 | 4 | 1320 | 9400 | 0.0058 | 1° | 0.5 | 2.5 |
| DCHK09S | 표준허브 | 35 | 0 | 42 | 0 | 93 | 159 | 28.7 | 101.6 | 51 | 66 | 8.4 | 84.8 | 4 | 1320 | 8800 | 0.0112 | 1° | 0.6 | 3 |
| DCHK10S | 표준허브 | 42 | 0 | 50 | 0 | 104 | 194 | 33.5 | 127 | 61 | 77 | 11.2 | 104.6 | 4 | 2060 | 8600 | 0.0184 | 1° | 0.6 | 3.5 |
| DCHK12S | 표준허브 | 50 | 0 | 60 | 0 | 126 | 209.2 | 41.1 | 127 | 71 | 92 | 11.7 | 103.6 | 4 | 2060 | 7700 | 0.0459 | 1° | 0.8 | 4 |
| DCHK14S | 표준허브 | 58 | 0 | 70 | 0 | 143 | 222.6 | 47.8 | 127 | 84 | 104 | 11.7 | 103.6 | 4 | 3430 | 6500 | 0.0947 | 1° | 0.8 | 4.5 |
사용후기가 없습니다.
상품문의가 없습니다.
- 아린재고가 있는 상품은 결재가 완료되면 결재한 다음날부터 1~3일 이내 전국(도서지방제외)으로 택배를 통해 배송됩니다.
- 아린재고가 없는 수입품의 경우는 납품까지 수일 내지 수주가 소요될 수 있으므로 주문전에 당사에 납기를 미리 확인하여 주십시오.
- 제품크기에 따라 택배나 화물운송업체를 통해 배송해 드리며, 주문금액 20만원 이하의 경우 5,500원의 배송비가 추가됩니다.
- 제주도 등 도서지역의 경우 추가배송 금액이 발생할 수 있으니 주문전에 고객센터로 문의 주십시오.
등록된 상품이 없습니다.