고품질 제품과 최적화된 솔루션을 제공하는 바람직한 기업
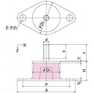
| 형식 | 표준치수(mm)//D1 | 표준치수(mm)//H | 표준치수(mm)//t1 | 표준치수(mm)//t2 | 표준치수(mm)//d | 표준치수(mm)//l | 표준치수(mm)//s | 표준치수(mm)//A | 표준치수(mm)//P | 표준치수(mm)//D2 | 표준치수(mm)//d1 | #Z방향지지하중 (N) |
Z방향허용하중 (N) |
Z방향스프링정수 Kz(N/mm) |
강성비 Kx/Kz |
|---|---|---|---|---|---|---|---|---|---|---|---|---|---|---|---|
| KLB-3530 | 35 | 30 | 2.3 | 3.2 | M8 | 24 | 20 | 93 | 73 | 50 | 11.5 | 140 | 280 | 55 | 0.18 |
| KLB-3545 | 35 | 30 | 2.3 | 3.2 | M8 | 24 | 20 | 93 | 73 | 50 | 11.5 | 250 | 500 | 100 | 0.18 |
| KLB-3560 | 35 | 30 | 2.3 | 3.2 | M8 | 24 | 20 | 93 | 73 | 50 | 11.5 | 400 | 800 | 160 | 0.18 |
| KLB-5030 | 50 | 35 | 3.2 | 3.2 | M10 | 30 | 25 | 104 | 84 | 60 | 11.5 | 350 | 700 | 120 | 0.16 |
| KLB-5045 | 50 | 35 | 3.2 | 3.2 | M10 | 30 | 25 | 104 | 84 | 60 | 11.5 | 490 | 980 | 170 | 0.16 |
| KLB-5060 | 50 | 35 | 3.2 | 3.2 | M10 | 30 | 25 | 104 | 84 | 60 | 11.5 | 780 | 1600 | 270 | 0.16 |

사용후기가 없습니다.
상품문의가 없습니다.
- 아린재고가 있는 상품은 결재가 완료되면 결재한 다음날부터 1~3일 이내 전국(도서지방제외)으로 택배를 통해 배송됩니다.
- 아린재고가 없는 수입품의 경우는 납품까지 수일 내지 수주가 소요될 수 있으므로 주문전에 당사에 납기를 미리 확인하여 주십시오.
- 제품크기에 따라 택배나 화물운송업체를 통해 배송해 드리며, 주문금액 20만원 이하의 경우 5,500원의 배송비가 추가됩니다.
- 제주도 등 도서지역의 경우 추가배송 금액이 발생할 수 있으니 주문전에 고객센터로 문의 주십시오.
등록된 상품이 없습니다.