고품질 제품과 최적화된 솔루션을 제공하는 바람직한 기업
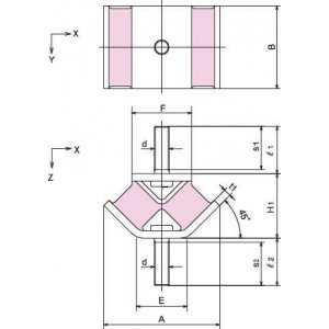
| 형식 | 표준치수(mm)//A | 표준치수(mm)//B | 표준치수(mm)//E | 표준치수(mm)//F | 표준치수(mm)//d | 표준치수(mm)//l1 | 표준치수(mm)//l2 | 표준치수(mm)//l | 표준치수(mm)//s | 표준치수(mm)//s1 | 표준치수(mm)//s2 | #표준치수(mm)//t1 | 표준치수(mm)//L | 표준치수(mm)//P1 | 표준치수(mm)//P2 | 표준치수(mm)//H1 | 표준치수(mm)//H2 | 표준치수(mm)//d1 | 표준치수(mm)//t2 | 표준치수(mm)//t3 | #Z방향지지하중 (N) |
허용하중(N)//Z방향 | 허용하중(N)//X방향 | 허용하중(N)//Y방향 | Z방향스프링정수 Kz(N/mm) |
강성비//Kx/Kz | 강성비//Ky/Kz |
|---|---|---|---|---|---|---|---|---|---|---|---|---|---|---|---|---|---|---|---|---|---|---|---|---|---|---|---|
| KC-35 | 60 | 30 | 30 | 26 | M10 | 31 | 29 | - | - | 25 | 25 | 4.5 | - | - | - | 35 | - | - | - | - | 98 | 200 | 130 | 49 | 74 | 0.72 | 0.33 |
| KC-45 | 82 | 50 | 40 | 40 | M12 | 35 | 34 | - | - | 35 | 34 | 4.5 | - | - | - | 45 | - | - | - | - | 440 | 880 | 540 | 250 | 230 | 0.64 | 0.27 |
| KC-60 | 108 | 70 | 45 | 56 | M12 | 45 | 43.5 | - | - | 40 | 40 | 6 | - | - | - | 60 | - | - | - | - | 930 | 1810 | 640 | 290 | 370 | 0.65 | 0.28 |
| KC-70 | 126 | 90 | 55 | 65 | M16 | 52 | 52 | - | - | 52 | 52 | 8 | - | - | - | 70 | - | - | - | - | 1500 | 2800 | 1100 | 540 | 510 | 0.66 | 0.29 |
| KC-75 | 135 | 70 | 76 | 56 | M12 | 45 | 43.5 | - | - | 40 | 40 | 6 | - | - | - | 73 | - | - | - | - | 880 | 1700 | 1030 | 390 | 170 | 0.71 | 0.31 |
| KC-80 | 148 | 90 | 76 | 65 | M16 | 52 | 52 | - | - | 52 | 52 | 8 | - | - | - | 80 | - | - | - | - | 1320 | 2500 | 1520 | 590 | 290 | 0.72 | 0.3 |

사용후기가 없습니다.
상품문의가 없습니다.
- 아린재고가 있는 상품은 결재가 완료되면 결재한 다음날부터 1~3일 이내 전국(도서지방제외)으로 택배를 통해 배송됩니다.
- 아린재고가 없는 수입품의 경우는 납품까지 수일 내지 수주가 소요될 수 있으므로 주문전에 당사에 납기를 미리 확인하여 주십시오.
- 제품크기에 따라 택배나 화물운송업체를 통해 배송해 드리며, 주문금액 20만원 이하의 경우 5,500원의 배송비가 추가됩니다.
- 제주도 등 도서지역의 경우 추가배송 금액이 발생할 수 있으니 주문전에 고객센터로 문의 주십시오.
등록된 상품이 없습니다.