고품질 제품과 최적화된 솔루션을 제공하는 바람직한 기업
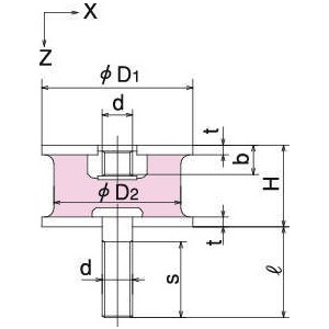
| 형식 | 표준치수(mm)//D1 | 표준치수(mm)//D2 | 표준치수(mm)//H | 표준치수(mm)//t | 표준치수(mm)//d | 표준치수(mm)//l | 표준치수(mm)//s | 표준치수(mm)//b | #Z방향지지하중 (N) |
허용하중(N)//Z방향 | 허용하중(N)//X방향 | Z방향스프링정수 Kz (N/mm) |
강성비 Kx/Kz |
|---|---|---|---|---|---|---|---|---|---|---|---|---|---|
| RA-150 | 150 | 140 | 62 | 8 | M20 | 57 | 57 | 22.5 | 12700 | 25500 | 5100 | 4060 | 0.16 |
| RA-120 | 120 | 110 | 60 | 8 | M16 | 51 | 51 | 19.5 | 7940 | 16000 | 2840 | 1810 | 0.18 |
| RA-100-70H | 100 | 90 | 70 | 4.5 | M16 | 55 | 55 | 16 | 3580 | 7200 | 1720 | 800 | 0.21 |
| RA-100 | 100 | 90 | 50 | 4.5 | M16 | 55 | 55 | 16 | 5900 | 11800 | 2400 | 1440 | 0.2 |
| RA-90-76H | 90 | 80 | 76 | 4.5 | M12 | 45 | 45 | 12.5 | 2900 | 5900 | 1200 | 510 | 0.22 |
| RA-90 | 90 | 80 | 50 | 4.5 | M12 | 45 | 45 | 12.5 | 3900 | 7800 | 1300 | 1030 | 0.2 |

사용후기가 없습니다.
상품문의가 없습니다.
- 아린재고가 있는 상품은 결재가 완료되면 결재한 다음날부터 1~3일 이내 전국(도서지방제외)으로 택배를 통해 배송됩니다.
- 아린재고가 없는 수입품의 경우는 납품까지 수일 내지 수주가 소요될 수 있으므로 주문전에 당사에 납기를 미리 확인하여 주십시오.
- 제품크기에 따라 택배나 화물운송업체를 통해 배송해 드리며, 주문금액 20만원 이하의 경우 5,500원의 배송비가 추가됩니다.
- 제주도 등 도서지역의 경우 추가배송 금액이 발생할 수 있으니 주문전에 고객센터로 문의 주십시오.
등록된 상품이 없습니다.