º¼³ª»ç¼Æ÷Æ®¿ëº£¾î¸µ
º¼³ª»ç¼Æ÷Æ®¿ë½º·¯½ºÆ®¾Þ±Ö·¯º¼º£¾î¸µ
ÀϺ»Á¤°ø(ÁÖ) ( NSK )
|
|
| 14°Ç Áß 1~14°Ç Ç¥½Ã | |
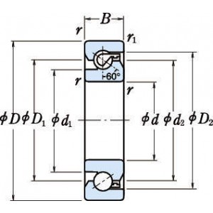
| Çü½Ä | ³»°æ d (mm) | ¿Ü°æ D (mm) | Æø B (mm) | r (mm) ÃÖ¼Ò | r1 (mm) ÃÖ¼Ò | d1 (mm) | d2 (mm) | D1 (mm) | D2 (mm) |
| Çü½Ä | ³»°æ d (mm) | ¿Ü°æ D (mm) | Æø B (mm) | r (mm) ÃÖ¼Ò | r1 (mm) ÃÖ¼Ò | d1 (mm) | d2 (mm) | D1 (mm) | D2 (mm) |
| 15TAC47SU | 15 | 47 | 15 | 1 | 0.6 | 27.2 | 34 | 34 | 39.6 |
| 17TAC47SU | 17 | 47 | 15 | 1 | 0.6 | 27.2 | 34 | 34 | 39.6 |
| 20TAC47SU | 20 | 47 | 15 | 1 | 0.6 | 27.2 | 34 | 34 | 39.6 |
| 25TAC62SU | 25 | 62 | 15 | 1 | 0.6 | 37 | 45 | 45 | 50.7 |
| 30TAC62SU | 30 | 62 | 15 | 1 | 0.6 | 39.5 | 47 | 47 | 53.2 |
| 35TAC72SU | 35 | 72 | 15 | 1 | 0.6 | 47 | 55 | 55 | 60.7 |
| 40TAC72SU | 40 | 72 | 15 | 1 | 0.6 | 49 | 57 | 57 | 62.7 |
| 40TAC90SU | 40 | 90 | 20 | 1 | 0.6 | 57 | 68 | 68 | 77.2 |
| 45TAC75SU | 45 | 75 | 15 | 1 | 0.6 | 54 | 62 | 62 | 67.7 |
| 45TAC100SU | 45 | 100 | 20 | 1 | 0.6 | 64 | 75 | 75 | 84.2 |
| 50TAC100SU | 50 | 100 | 20 | 1 | 0.6 | 67.5 | 79 | 79 | 87.7 |
| 55TAC100SU | 55 | 100 | 20 | 1 | 0.6 | 67.5 | 79 | 79 | 87.7 |
| 55TAC120SU | 55 | 120 | 20 | 1 | 0.6 | 82 | 93 | 93 | 102.2 |
| 60TAC120SU | 60 | 120 | 20 | 1 | 0.6 | 82 | 93 | 93 | 102.2 |
| Çü½Ä | Çã¿ëȸÀü¼ö(min-1) | Çã¿ëȸÀü¼ö(min-1) | ±âº»µ¿Á¤°ÝÇÏÁßCa(N) | ±âº»µ¿Á¤°ÝÇÏÁßCa(N) | ±âº»µ¿Á¤°ÝÇÏÁßCa(N) | ÇѰèÃà¹æÇâÇÏÁß(N) | ÇѰèÃà¹æÇâÇÏÁß(N) | ÇѰèÃà¹æÇâÇÏÁß(N) |
| Çü½Ä | ±×¸®½ºÀ±È° | À±È°À¯ | 1¿ | 2¿ | 3¿ | 1¿ | 2¿ | 3¿ |
| 15TAC47SU | 6000 | 8000 | 21900 | 35500 | 47500 | 26600 | 53000 | 79500 |
| 17TAC47SU | 6000 | 8000 | 21900 | 35500 | 47500 | 26600 | 53000 | 79500 |
| 20TAC47SU | 6000 | 8000 | 21900 | 35500 | 47500 | 26600 | 53000 | 79500 |
| 25TAC62SU | 4500 | 6000 | 28500 | 46500 | 61500 | 40500 | 81500 | 122000 |
| 30TAC62SU | 4300 | 5600 | 29200 | 47500 | 63000 | 43000 | 86000 | 129000 |
| 35TAC72SU | 3600 | 5000 | 31000 | 50500 | 67000 | 50000 | 100000 | 150000 |
| 40TAC72SU | 3600 | 4800 | 31500 | 51500 | 68500 | 52000 | 104000 | 157000 |
| 40TAC90SU | 3000 | 4000 | 59000 | 95500 | 127000 | 89500 | 179000 | 269000 |
| 45TAC75SU | 3200 | 4300 | 33000 | 53500 | 71000 | 57000 | 114000 | 170000 |
| 45TAC100SU | 2600 | 3600 | 61500 | 100000 | 133000 | 99000 | 198000 | 298000 |
| 50TAC100SU | 2600 | 3400 | 63000 | 102000 | 136000 | 104000 | 208000 | 310000 |
| 55TAC100SU | 2600 | 3400 | 63000 | 102000 | 136000 | 104000 | 208000 | 310000 |
| 55TAC120SU | 2200 | 3000 | 67500 | 109000 | 145000 | 123000 | 246000 | 370000 |
| 60TAC120SU | 2200 | 3000 | 67500 | 109000 | 145000 | 123000 | 246000 | 370000 |
| Çü½Ä | ´ÜÀ§ | ÆÇ¸ÅÁ¤°¡ (¿ø) | ±âÁس³±â | ±âÁس³±â | ±âÁس³±â | Áú·® (kg) Âü°í | °ßÀûÀÇ·Ú ¹× ÁÖ¹® |
| Çü½Ä | ´ÜÀ§ | ÆÇ¸ÅÁ¤°¡ (¿ø) | À¯ÅëÀç°í | ¸ÞÀÌÄ¿Àç°í | ¾Æ¸°Àç°í | Áú·® (kg) Âü°í | °ßÀûÀÇ·Ú ¹× ÁÖ¹® |
| 15TAC47SU | P | 297,000 | - | - | - | - | °ßÀûÀÇ·Ú / ÁÖ¹® |
| 17TAC47SU | P | 297,000 | - | - | - | - | °ßÀûÀÇ·Ú / ÁÖ¹® |
| 20TAC47SU | P | 310,200 | - | - | - | - | °ßÀûÀÇ·Ú / ÁÖ¹® |
| 25TAC62SU | P | 358,600 | - | - | - | - | °ßÀûÀÇ·Ú / ÁÖ¹® |
| 30TAC62SU | P | 358,600 | - | - | - | - | °ßÀûÀÇ·Ú / ÁÖ¹® |
| 35TAC72SU | P | 418,000 | - | - | - | - | °ßÀûÀÇ·Ú / ÁÖ¹® |
| 40TAC72SU | P | 444,400 | - | - | - | - | °ßÀûÀÇ·Ú / ÁÖ¹® |
| 40TAC90SU | P | 539,000 | - | - | - | 1 | °ßÀûÀÇ·Ú / ÁÖ¹® |
| 45TAC75SU | P | 514,800 | - | - | - | - | °ßÀûÀÇ·Ú / ÁÖ¹® |
| 45TAC100SU | P | 660,000 | - | - | - | 1 | °ßÀûÀÇ·Ú / ÁÖ¹® |
| 50TAC100SU | P | 660,000 | - | - | - | 1 | °ßÀûÀÇ·Ú / ÁÖ¹® |
| 55TAC100SU | P | 660,000 | - | - | - | 1 | °ßÀûÀÇ·Ú / ÁÖ¹® |
| 55TAC120SU | P | 814,000 | - | - | - | 1 | °ßÀûÀÇ·Ú / ÁÖ¹® |
| 60TAC120SU | P | 814,000 | - | - | - | 1 | °ßÀûÀÇ·Ú / ÁÖ¹® |
![]() |
- ¾Æ¸°Àç°í°¡ ÀÖ´Â »óǰÀº °áÀç°¡ ¿Ï·áµÇ¸é °áÀçÇÑ ´ÙÀ½³¯ºÎÅÍ 1~3ÀÏ À̳» Àü±¹(µµ¼Áö¹æÁ¦¿Ü)À¸·Î Åù踦 ÅëÇØ ¹è¼ÛµË´Ï´Ù. - ¾Æ¸°Àç°í°¡ ¾ø´Â ¼öÀÔǰÀÇ °æ¿ì´Â ³³Ç°±îÁö ¼öÀÏ ³»Áö ¼öÁÖ°¡ ¼Ò¿äµÉ ¼ö ÀÖÀ¸¹Ç·Î ÁÖ¹®Àü¿¡ ´ç»ç¿¡ ³³±â¸¦ ¹Ì¸® È®ÀÎÇÏ¿© ÁֽʽÿÀ. - Á¦Ç°Å©±â¿¡ µû¶ó Åù質 ȹ°¿î¼Û¾÷ü¸¦ ÅëÇØ ¹è¼ÛÇØ µå¸®¸ç, ÁÖ¹®±Ý¾× 20¸¸¿ø ÀÌÇÏÀÇ °æ¿ì 5,500¿øÀÇ ¹è¼Ûºñ°¡ Ãß°¡µË´Ï´Ù. - Á¦ÁÖµµ µî µµ¼Áö¿ªÀÇ °æ¿ì Ãß°¡¹è¼Û ±Ý¾×ÀÌ ¹ß»ýÇÒ ¼ö ÀÖÀ¸´Ï ÁÖ¹®Àü¿¡ °í°´¼¾ÅÍ·Î ¹®ÀÇ ÁֽʽÿÀ.
|
![]() |
- Á¦Ç°À» ¹Þ¾Æº¸½Ã°í ÀÌ»óÀÌ ÀÖÀ» °æ¿ì¿¡ ÇÑÇÏ¿© ¹è¼Û ÈÄ 14ÀÏ À̳»¿¡ ±³È¯ ¹× ¹ÝǰÀÌ °¡´ÉÇÕ´Ï´Ù. - »óǰ´ë±ÝÀ» ½Å¿ëÄ«µå·Î °áÁ¦ÇÑ °æ¿ì´Â ¸ÅÃâÀ» Ãë¼ÒÇØµå¸®¸ç, ¿Â¶óÀÎÀ¸·Î ÀÔ±ÝÇÑ °æ¿ì¿¡´Â ÁÖ¹®ÀÚÀÇ °èÁ¹øÈ£·Î 3Àϳ»·Î ÀÔ±Ý Ã³¸®ÇØ µå¸³´Ï´Ù. |



















