고품질 제품과 최적화된 솔루션을 제공하는 바람직한 기업
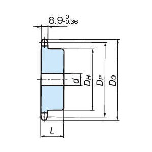
| 형식 | 잇수 | 피치원직경 DP (mm) |
외경 Do (mm) |
구멍직경d(mm)//아래구멍 | 구멍직경d(mm)//최대 | 허브직경 DH (mm) |
허브길이 L (mm) |
허용전달 토르크 (N · m) |
|---|---|---|---|---|---|---|---|---|
| RS60-1B13T-P | 13 | 79.6 | 88 | 15.9 | 30 | 57 | 32 | 41 |
| RS60-1B14T-P | 14 | 85.61 | 93 | 15.9 | 32 | 62 | 32 | 44.1 |
| RS60-1B15T-P | 15 | 91.62 | 99 | 15.9 | 35 | 68 | 32 | 47.2 |
| RS60-1B16T-P | 16 | 97.65 | 107 | 15.9 | 42 | 73 | 32 | 50.3 |
| RS60-1B17T-P | 17 | 103.67 | 113 | 15.9 | 50 | 80 | 32 | 53.3 |
| RS60-1B18T-P | 18 | 109.71 | 119 | 15.9 | 52 | 85 | 40 | 56.5 |
사용후기가 없습니다.
상품문의가 없습니다.
- 아린재고가 있는 상품은 결재가 완료되면 결재한 다음날부터 1~3일 이내 전국(도서지방제외)으로 택배를 통해 배송됩니다.
- 아린재고가 없는 수입품의 경우는 납품까지 수일 내지 수주가 소요될 수 있으므로 주문전에 당사에 납기를 미리 확인하여 주십시오.
- 제품크기에 따라 택배나 화물운송업체를 통해 배송해 드리며, 주문금액 20만원 이하의 경우 5,500원의 배송비가 추가됩니다.
- 제주도 등 도서지역의 경우 추가배송 금액이 발생할 수 있으니 주문전에 고객센터로 문의 주십시오.
등록된 상품이 없습니다.