회원로그인

견적 및 대표상담 031-404-3522

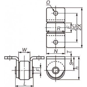
어태치붙이베어링롤러

고품질 제품과 최적화된 솔루션을 제공하는 바람직한 기업

메인으로

🖶 상세페이지 인쇄

어태치붙이베어링롤러(R롤러) 요약정보 및 구매

사용후기 0 개
위시리스트0
판매가격 견적상품
제조사 (주)츠바키모토체인 (TSUBAKIMOTO CHAIN)
배송비결제 주문시 결제
본 제품은 견적 제품입니다.
하단의 상세사양표를 통해 견적을 요청 후
구매 부탁드립니다. 제품 전체 견적요청
  • 상품 정보

    캐드자료

    카탈로그


    상품 상세사양

    전체보기
    형식 사양 허용
    하중
    (kN)
    허용
    회전수
    (r/min)
    R
    (mm)
    E
    (mm)
    L
    (mm)
    h
    (mm)
    #S
    (mm)
    T
    (mm)
    2C
    (mm)
    2X
    (mm)
    N
    (mm)
    O
    (mm)
    W
    (mm)
    ABR03 그리스사양 1.96 18 31.8 14 28 40 24.1 3.2 50 70 32 10 17.2
    ABR05 그리스사양 3.04 23 40 19 36.8 50 30 4.5 60 84 40 10 23
    ABR10 그리스사양 5.49 30 50.8 26 48.8 64 38.6 6.3 80 110 52 12 31
    ABR12 그리스사양 8.34 30 65 32 58.4 80 47.5 7.9 90 130 70 15 37.4
    ABR17 그리스사양 14.1 30 80 44 76.4 100 60 9.5 130 180 80 18 51.4
    ABR26 그리스사양 19.6 30 100 50 82.6 120 70 9.5 140 200 100 21 57.6

  • 사용후기

    등록된 사용후기

    사용후기가 없습니다.

  • 상품문의

    등록된 상품문의

    상품문의가 없습니다.

  • 배송/교환정보

    배송

    - 아린재고가 있는 상품은 결재가 완료되면 결재한 다음날부터 1~3일 이내 전국(도서지방제외)으로 택배를 통해 배송됩니다. 

    - 아린재고가 없는 수입품의 경우는 납품까지 수일 내지 수주가 소요될 수 있으므로 주문전에 당사에 납기를 미리 확인하여 주십시오.

    - 제품크기에 따라 택배나 화물운송업체를 통해 배송해 드리며, 주문금액 20만원 이하의 경우 5,500원의 배송비가 추가됩니다.

    - 제주도 등 도서지역의 경우 추가배송 금액이 발생할 수 있으니 주문전에 고객센터로 문의 주십시오.

    교환

    - 제품을 받아보시고 이상이 있을 경우에 한하여 배송 후 14일 이내에 교환 및 반품이 가능합니다.
    - 상품대금을 신용카드로 결제한 경우는 매출을 취소해드리며, 온라인으로 입금한 경우에는 주문자의 계좌번호로 3일내로 입금 처리해 드립니다.

관련상품

등록된 상품이 없습니다.


최근본상품
입금계좌 신한은행 100-017-235347
주식회사 아린
견적문의
031-404-3522
↑ 위로가기