회원로그인

견적 및 대표상담 031-404-3522

태형치형풀리(하혈제품)

고품질 제품과 최적화된 솔루션을 제공하는 바람직한 기업

메인으로

🖶 상세페이지 인쇄

태형치형풀리 XL형 요약정보 및 구매

사용후기 0 개
위시리스트0
판매가격 견적상품
제조사 (주)츠바키모토체인 (TSUBAKIMOTO CHAIN)
배송비결제 주문시 결제
본 제품은 견적 제품입니다.
하단의 상세사양표를 통해 견적을 요청 후
구매 부탁드립니다. 제품 전체 견적요청
  • 상품 정보

    캐드자료

    카탈로그


    상품 상세사양

    전체보기
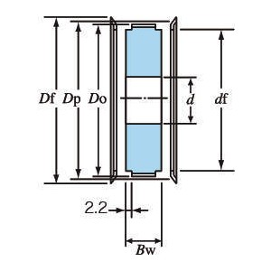
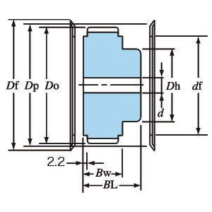
    형식 잇수 사용벨트//호칭폭 사용벨트//폭
    (mm)
    피치원직경
    Dp
    (mm)
    이끝원직경
    Do
    (mm)
    허브직경
    Dh
    (mm)
    Bw
    (mm)
    BL
    (mm)
    #사용축의직경d(mm)//최소 사용축의직경d(mm)//최대 풀리
    형상
    표준
    플랜지
    플랜지(mm)//두께
    t
    플랜지(mm)//외경
    Df
    플랜지(mm)//내경
    df
    PT32XL037AF 32 37 9.4 51.74 51.23 - 15 - 10 19 AF PTSF10580450 1 58 45
    PT34XL037AF 34 37 9.4 54.98 54.48 - 15 - 10 20 AF PTSF10610490 1 61 49
    PT36XL037AF 36 37 9.4 58.21 57.71 - 15 - 10 20 AF PTSF10650530 1 65 53
    PT38XL037AF 38 37 9.4 61.45 60.94 - 15 - 10 20 AF PTSF10670560 1 67 56
    PT40XL037AF 40 37 9.4 64.68 64.17 - 15 - 10 20 AF PTSF10710600 1 71 60
    PT42XL037AF 42 37 9.4 67.91 67.41 - 15 - 10 22 AF PTSF10740630 1 74 63

  • 사용후기

    등록된 사용후기

    사용후기가 없습니다.

  • 상품문의

    등록된 상품문의

    상품문의가 없습니다.

  • 배송/교환정보

    배송

    - 아린재고가 있는 상품은 결재가 완료되면 결재한 다음날부터 1~3일 이내 전국(도서지방제외)으로 택배를 통해 배송됩니다. 

    - 아린재고가 없는 수입품의 경우는 납품까지 수일 내지 수주가 소요될 수 있으므로 주문전에 당사에 납기를 미리 확인하여 주십시오.

    - 제품크기에 따라 택배나 화물운송업체를 통해 배송해 드리며, 주문금액 20만원 이하의 경우 5,500원의 배송비가 추가됩니다.

    - 제주도 등 도서지역의 경우 추가배송 금액이 발생할 수 있으니 주문전에 고객센터로 문의 주십시오.

    교환

    - 제품을 받아보시고 이상이 있을 경우에 한하여 배송 후 14일 이내에 교환 및 반품이 가능합니다.
    - 상품대금을 신용카드로 결제한 경우는 매출을 취소해드리며, 온라인으로 입금한 경우에는 주문자의 계좌번호로 3일내로 입금 처리해 드립니다.

관련상품

등록된 상품이 없습니다.


최근본상품
입금계좌 신한은행 100-017-235347
주식회사 아린
견적문의
031-404-3522
↑ 위로가기