고품질 제품과 최적화된 솔루션을 제공하는 바람직한 기업
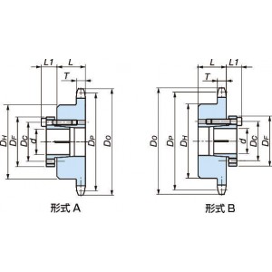
| 형식 | 롤러 형식 |
체인 번호 |
작용 잇수 |
할출 잇수 |
피치원직경 DP (mm) |
외경 Do (mm) |
잇폭 T (mm) |
허브직경 DH (mm) |
허브길이 L (mm) |
#축구멍직경 d (mm) |
취부 형식 |
슬리브//틀번호 | 슬리브//DF (mm) |
슬리브//DC (mm) |
슬리브//L1 (mm) |
체결볼트//사이즈 | 체결볼트//본수 | 체결 토르크 (N · m) |
최대전달 토르크 (N · m) |
|---|---|---|---|---|---|---|---|---|---|---|---|---|---|---|---|---|---|---|---|
| RF2040R1000T-S15A | R롤러 | RF2040R | 10 | - | 82.2 | 93 | 7.3 | 52 | 25 | 15 | A | S2 | 42 | 32 | 14 | M5×18 | 5 | 8.3 | 174 |
| RF2040R1000T-S16A | R롤러 | RF2040R | 10 | - | 82.2 | 93 | 7.3 | 52 | 25 | 16 | A | S2 | 42 | 32 | 14 | M5×18 | 5 | 8.3 | 186 |
| RF2040R1000T-S17A | R롤러 | RF2040R | 10 | - | 82.2 | 93 | 7.3 | 52 | 25 | 17 | A | S2 | 42 | 32 | 14 | M5×18 | 5 | 8.3 | 198 |
| RF2040R1000T-S18A | R롤러 | RF2040R | 10 | - | 82.2 | 93 | 7.3 | 52 | 25 | 18 | A | S2 | 42 | 32 | 14 | M5×18 | 5 | 8.3 | 209 |
| RF2040R1000T-S19A | R롤러 | RF2040R | 10 | - | 82.2 | 93 | 7.3 | 52 | 25 | 19 | A | S2 | 42 | 32 | 14 | M5×18 | 5 | 8.3 | 221 |
| RF2040R1000T-S20A | R롤러 | RF2040R | 10 | - | 82.2 | 93 | 7.3 | 52 | 25 | 20 | A | S2 | 42 | 32 | 14 | M5×18 | 5 | 8.3 | 232 |
사용후기가 없습니다.
상품문의가 없습니다.
- 아린재고가 있는 상품은 결재가 완료되면 결재한 다음날부터 1~3일 이내 전국(도서지방제외)으로 택배를 통해 배송됩니다.
- 아린재고가 없는 수입품의 경우는 납품까지 수일 내지 수주가 소요될 수 있으므로 주문전에 당사에 납기를 미리 확인하여 주십시오.
- 제품크기에 따라 택배나 화물운송업체를 통해 배송해 드리며, 주문금액 20만원 이하의 경우 5,500원의 배송비가 추가됩니다.
- 제주도 등 도서지역의 경우 추가배송 금액이 발생할 수 있으니 주문전에 고객센터로 문의 주십시오.
등록된 상품이 없습니다.