회원로그인

견적 및 대표상담 031-404-3522

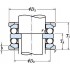
복식스러스트볼베어링

고품질 제품과 최적화된 솔루션을 제공하는 바람직한 기업

메인으로

🖶 상세페이지 인쇄

복식스러스트볼베어링(조심와셔포함) 요약정보 및 구매

사용후기 0 개
위시리스트0
판매가격 견적상품
제조사 일본정공(주) (NSK)
배송비결제 주문시 결제
본 제품은 견적 제품입니다.
하단의 상세사양표를 통해 견적을 요청 후
구매 부탁드립니다. 제품 전체 견적요청
  • 상품 정보

    캐드자료

    카탈로그


    상품 상세사양

    전체보기
    형식 타입 호칭번호 d2
    (mm)
    d
    (mm)
    D
    (mm)
    T1
    (mm)
    T5
    (mm)
    T7
    (mm)
    r
    (mm)
    최소
    r1
    (mm)
    최소
    #d3
    (mm)
    D1
    (mm)
    D2
    (mm)
    D
    (mm)
    T2
    (mm)
    T6
    (mm)
    T8
    (mm)
    B
    (mm)
    b
    (mm)
    A1
    (mm)
    R
    (mm)
    #취부관계치수(mm)//Da
    최대
    취부관계치수(mm)//ra
    최대
    취부관계치수(mm)//rb
    최대
    기본정격하중(N)//Ca 기본정격하중(N)//C0a 허용회전수(min-1)//그리스윤활 허용회전수(min-1)//오일윤활 비고
    54202U 조심와샤포함 54202U 10 15 32 22 22 28 0.6 0.3 32 17 24 35 13.5 14.8 16.5 5 4 10.5 28 24 0.6 0.3 16700 24800 4800 7100 -
    54204U 조심와샤포함 54204U 15 20 40 26 26 32 0.6 0.3 40 22 30 42 16 16.7 19 6 5 16 36 30 0.6 0.3 22500 37500 4000 6000 -
    54205U 조심와샤포함 54205U 20 25 47 28 28 36 0.6 0.3 47 27 36 50 17.5 19.2 21.5 7 5.5 16.5 40 36 0.6 0.3 28000 50500 3400 5300 -
    54206U 조심와샤포함 54206U 25 30 52 29 29 37 0.6 0.3 52 32 42 55 18 19.8 22 7 5.5 20 45 42 0.6 0.3 29500 58000 3200 5000 -
    54207U 조심와샤포함 54207U 30 35 62 34 34 42 1 0.3 62 37 48 65 21 22.9 25 8 7 21 50 48 1 0.3 39500 78000 2800 4300 -
    54208U 조심와샤포함 54208U 30 40 68 36 36 44 1 0.6 68 42 55 72 22.5 23.8 26.5 9 7 25 56 55 1 0.6 47500 98500 2600 3800 -

  • 사용후기

    등록된 사용후기

    사용후기가 없습니다.

  • 상품문의

    등록된 상품문의

    상품문의가 없습니다.

  • 배송/교환정보

    배송

    - 아린재고가 있는 상품은 결재가 완료되면 결재한 다음날부터 1~3일 이내 전국(도서지방제외)으로 택배를 통해 배송됩니다. 

    - 아린재고가 없는 수입품의 경우는 납품까지 수일 내지 수주가 소요될 수 있으므로 주문전에 당사에 납기를 미리 확인하여 주십시오.

    - 제품크기에 따라 택배나 화물운송업체를 통해 배송해 드리며, 주문금액 20만원 이하의 경우 5,500원의 배송비가 추가됩니다.

    - 제주도 등 도서지역의 경우 추가배송 금액이 발생할 수 있으니 주문전에 고객센터로 문의 주십시오.

    교환

    - 제품을 받아보시고 이상이 있을 경우에 한하여 배송 후 14일 이내에 교환 및 반품이 가능합니다.
    - 상품대금을 신용카드로 결제한 경우는 매출을 취소해드리며, 온라인으로 입금한 경우에는 주문자의 계좌번호로 3일내로 입금 처리해 드립니다.

관련상품

등록된 상품이 없습니다.


최근본상품
입금계좌 신한은행 100-017-235347
주식회사 아린
견적문의
031-404-3522
↑ 위로가기