고품질 제품과 최적화된 솔루션을 제공하는 바람직한 기업
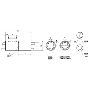
| 형식 | 플랜지 | 타입 | 정도 | 홈줄수 | 축타입 | 축경(h7) d (mm) |
외경(mm)//D1 | 외경(mm)//(h6) | 전장 L1 (mm) |
#키홈부(mm)//b | 키홈부(mm)//(H8) | 키홈부(mm)//t | 키홈부(mm)//(공차) | 키홈부(mm)//K | A (mm) |
플랜지부(mm)//D3 | 플랜지부(mm)//T | 플랜지부(mm)//P | 플랜지부(mm)//d1 | 플랜지부(mm)//d2 | 플랜지부(mm)//H | #L2 (mm) |
L3 (mm) |
기름구멍직경 e (mm) |
중공직경 dm (mm) |
홈아래직경 do (mm) |
α | #기본정격래디얼하중 (kN)//동정격 | 기본정격래디얼하중 (kN)//정정격 | 기본정격토르크 (N?m)//동정격 | 기본정격토르크 (N?m)//정정격 |
|---|---|---|---|---|---|---|---|---|---|---|---|---|---|---|---|---|---|---|---|---|---|---|---|---|---|---|---|---|---|---|---|
| LSK6UU-□-□S | 플랜지없음 | 표준형 | 일반급 | 3 | 중실축 | 6 | 14 | 0-0.011 | 25 | 2.5 | 0.014 | 1.2 | 0.05 | 10.5 | - | - | - | - | - | - | - | 12.5 | - | 1.5 | - | 5.6 | 15° | 1.2 | 2.1 | 3.8 | 7 |
| LSK8UU-□-□S | 플랜지없음 | 표준형 | 일반급 | 3 | 중실축 | 8 | 16 | 0-0.011 | 25 | 2.5 | 0.014 | 1.2 | 0.05 | 10.5 | - | - | - | - | - | - | - | 12.5 | - | 1.5 | - | 7.6 | 25° | 1.2 | 2.1 | 4.8 | 8.7 |
| LSK10UU-□-□S | 플랜지없음 | 표준형 | 일반급 | 4 | 중실축 | 10.4 | 21 | 0-0.013 | 33 | 3 | 0.014 | 1.5 | 0.05 | 14 | - | - | - | - | - | - | - | 16.5 | - | 1.5 | - | 10 | - | 2.4 | 4.3 | 11 | 21 |
| LSK13UU-□-□S | 플랜지없음 | 표준형 | 일반급 | 4 | 중실축 | 13.4 | 24 | 0-0.013 | 36 | 3 | 0.014 | 1.5 | 0.05 | 14 | - | - | - | - | - | - | - | 18 | - | 1.5 | - | 13 | - | 3.3 | 5.9 | 20 | 37 |
| LSK16UU-□-□S | 플랜지없음 | 표준형 | 일반급 | 5 | 중실축 | 16.6 | 31 | 0-0.016 | 41 | 3.5 | 0.018 | 2 | 0.05 | 18 | - | - | - | - | - | - | - | 20.5 | - | 1.5 | - | 16 | - | 3.8 | 6.9 | 32 | 58 |
| LSK20UU-□-□S | 플랜지없음 | 표준형 | 일반급 | 5 | 중실축 | 20.6 | 35 | 0-0.016 | 46 | 4 | 0.018 | 2.5 | 0.05 | 20 | - | - | - | - | - | - | - | 23 | - | 2 | - | 20 | - | 4.6 | 8.3 | 46 | 84 |
사용후기가 없습니다.
상품문의가 없습니다.
- 아린재고가 있는 상품은 결재가 완료되면 결재한 다음날부터 1~3일 이내 전국(도서지방제외)으로 택배를 통해 배송됩니다.
- 아린재고가 없는 수입품의 경우는 납품까지 수일 내지 수주가 소요될 수 있으므로 주문전에 당사에 납기를 미리 확인하여 주십시오.
- 제품크기에 따라 택배나 화물운송업체를 통해 배송해 드리며, 주문금액 20만원 이하의 경우 5,500원의 배송비가 추가됩니다.
- 제주도 등 도서지역의 경우 추가배송 금액이 발생할 수 있으니 주문전에 고객센터로 문의 주십시오.
등록된 상품이 없습니다.