고품질 제품과 최적화된 솔루션을 제공하는 바람직한 기업
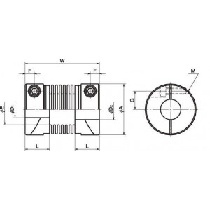
| 형식 | 사이즈 | 치수(mm)//A | 치수(mm)//L | 치수(mm)//W | 치수(mm)//E | 치수(mm)//F | 치수(mm)//G | 치수(mm)//M | #나사조임 토르크 (N · m) |
표준축홀직경(mm)//D1 | 표준축홀직경(mm)//D2 | 상용 토르크 (N · m) |
최대 토르크 (N · m) |
스프링 토르크 (N · m) |
최고 회전수 (min-1) |
#관성 모멘트 (kg · m2) |
정적비틀림 스프링정수 (N · m/rad) |
허용 편심 (mm) |
허용 편각 (°) |
허용 엔드플레이 (mm) |
|---|---|---|---|---|---|---|---|---|---|---|---|---|---|---|---|---|---|---|---|---|
| MFB-12-3×3 | MFB-12 | 12 | 7.5 | 23.5 | 7 | 2.5 | - | M2.5 | 0.5 | 3 | 3 | 0.3 | 0.6 | - | 52000 | 9.0×10^-8 | 82 | 0.1 | 1.5 | -0.333333333 |
| MFB-12-3×4 | MFB-12 | 12 | 7.5 | 23.5 | 7 | 2.5 | - | M2.5 | 0.5 | 3 | 4 | 0.3 | 0.6 | - | 52000 | 9.0×10^-8 | 82 | 0.1 | 1.5 | -0.333333333 |
| MFB-12-3×5 | MFB-12 | 12 | 7.5 | 23.5 | 7 | 2.5 | - | M2.5 | 0.5 | 3 | 5 | 0.3 | 0.6 | - | 52000 | 9.0×10^-8 | 82 | 0.1 | 1.5 | -0.333333333 |
| MFB-12-3×6 | MFB-12 | 12 | 7.5 | 23.5 | 7 | 2.5 | - | M2.5 | 0.5 | 3 | 6 | 0.3 | 0.6 | - | 52000 | 9.0×10^-8 | 82 | 0.1 | 1.5 | -0.333333333 |
| MFB-12-4×4 | MFB-12 | 12 | 7.5 | 23.5 | 7 | 2.5 | - | M2.5 | 0.5 | 4 | 4 | 0.3 | 0.6 | - | 52000 | 9.0×10^-8 | 82 | 0.1 | 1.5 | -0.333333333 |
| MFB-12-4×5 | MFB-12 | 12 | 7.5 | 23.5 | 7 | 2.5 | - | M2.5 | 0.5 | 4 | 5 | 0.3 | 0.6 | - | 52000 | 9.0×10^-8 | 82 | 0.1 | 1.5 | -0.333333333 |
사용후기가 없습니다.
상품문의가 없습니다.
- 아린재고가 있는 상품은 결재가 완료되면 결재한 다음날부터 1~3일 이내 전국(도서지방제외)으로 택배를 통해 배송됩니다.
- 아린재고가 없는 수입품의 경우는 납품까지 수일 내지 수주가 소요될 수 있으므로 주문전에 당사에 납기를 미리 확인하여 주십시오.
- 제품크기에 따라 택배나 화물운송업체를 통해 배송해 드리며, 주문금액 20만원 이하의 경우 5,500원의 배송비가 추가됩니다.
- 제주도 등 도서지역의 경우 추가배송 금액이 발생할 수 있으니 주문전에 고객센터로 문의 주십시오.
등록된 상품이 없습니다.