회원로그인

견적 및 대표상담 031-404-3522

T치형 풀리

고품질 제품과 최적화된 솔루션을 제공하는 바람직한 기업

메인으로

🖶 상세페이지 인쇄

타이밍풀리 T5형 요약정보 및 구매

사용후기 0 개
위시리스트0
판매가격 견적상품
제조사 미츠보시벨트(주) (MITSUBOSHI)
배송비결제 주문시 결제
본 제품은 견적 제품입니다.
하단의 상세사양표를 통해 견적을 요청 후
구매 부탁드립니다. 제품 전체 견적요청
  • 상품 정보

    캐드자료

    카탈로그


    상품 상세사양

    전체보기
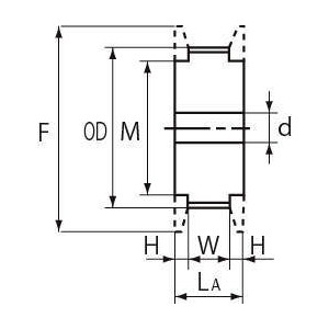
    형식 풀리형상 잇수 풀리
    호칭폭
    피치경
    P.D.
    (mm)
    외경
    O.D.
    (mm)
    축구멍직경d (mm)//min 축구멍직경d (mm)//max 재질 #LA
    (mm)
    LB
    (mm)
    LC
    (mm)
    LW
    (mm)
    W
    (mm)
    H
    (mm)
    K
    (mm)
    D
    (mm)
    E
    (mm)
    G
    (mm)
    형식 적용플랜지//두께
    t
    (mm)
    적용플랜지//외경
    D
    (mm)
    적용플랜지//내경
    P
    (mm)
    상품코드
    PT5-10-60W W형 60 10 95.49 94.65 10 25 강재 15 - 25 - - 10 35 82 5 - - - -
    PT5-10-50W W형 50 10 79.58 78.75 10 25 강재 15 - 25 - - 10 35 66 5 - - - -
    PT5-10-48W W형 48 10 76.39 75.55 10 25 강재 15 - 25 - - 10 35 63 5 - - - -
    PT5-10-44W W형 44 10 70.03 69.2 10 25 강재 15 - 25 - - 10 35 57 5 - - - -
    PT5-10-40A A형 40 10 63.66 62.85 10 25 강재 15 - - 11 2 - - - - F-106950 1 69 50
    PT5-10-36A A형 36 10 57.3 56.45 10 20 강재 15 - - 11 2 - - - - F-106141 1 61 41

  • 사용후기

    등록된 사용후기

    사용후기가 없습니다.

  • 상품문의

    등록된 상품문의

    상품문의가 없습니다.

  • 배송/교환정보

    배송

    - 아린재고가 있는 상품은 결재가 완료되면 결재한 다음날부터 1~3일 이내 전국(도서지방제외)으로 택배를 통해 배송됩니다. 

    - 아린재고가 없는 수입품의 경우는 납품까지 수일 내지 수주가 소요될 수 있으므로 주문전에 당사에 납기를 미리 확인하여 주십시오.

    - 제품크기에 따라 택배나 화물운송업체를 통해 배송해 드리며, 주문금액 20만원 이하의 경우 5,500원의 배송비가 추가됩니다.

    - 제주도 등 도서지역의 경우 추가배송 금액이 발생할 수 있으니 주문전에 고객센터로 문의 주십시오.

    교환

    - 제품을 받아보시고 이상이 있을 경우에 한하여 배송 후 14일 이내에 교환 및 반품이 가능합니다.
    - 상품대금을 신용카드로 결제한 경우는 매출을 취소해드리며, 온라인으로 입금한 경우에는 주문자의 계좌번호로 3일내로 입금 처리해 드립니다.

관련상품

등록된 상품이 없습니다.


최근본상품
입금계좌 신한은행 100-017-235347
주식회사 아린
견적문의
031-404-3522
↑ 위로가기