고품질 제품과 최적화된 솔루션을 제공하는 바람직한 기업
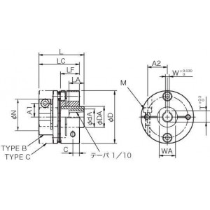
| 형식 | 형상 타입 |
축구멍경(mm)//클램프측 | 축구멍경(mm)//테이퍼축측 | W (mm) |
T (mm) |
WA (mm) |
LA (mm) |
dA (mm) |
DA (mm) |
L (mm) |
#D (mm) |
N (mm) |
LC (mm) |
LF (mm) |
C (mm) |
A1 (mm) |
A2 (mm) |
M | #허용 토크 (N · m) |
최고 회전속도 (min-1) |
최대허용오차//편심 (mm) |
최대허용오차//편각 (°) |
최대허용오차//축방향변위 (mm) |
비틀림 스프링정수 (N · m/rad) |
축방향 스프링정수 (N/mm) |
관성 모멘트 (kg/m2) |
|---|---|---|---|---|---|---|---|---|---|---|---|---|---|---|---|---|---|---|---|---|---|---|---|---|---|---|
| SFC-050SA2-10B-11BC | B | 10 | 11 | 4 | 12.2 | 18 | 16 | 17 | 22 | 48.4 | 56 | 38 | 43.4 | 20.5 | 6 | 14.5 | 22 | 2-M5 | -22 | 10000 | 0.02 | 1 | ±0.4 | 32000 | 48 | 82.91×10^-6 |
| SFC-050SA2-11B-11BC | B | 11 | 11 | 4 | 12.2 | 18 | 16 | 17 | 22 | 48.4 | 56 | 38 | 43.4 | 20.5 | 6 | 14.5 | 22 | 2-M5 | 25 | 10000 | 0.02 | 1 | ±0.4 | 32000 | 48 | 82.91×10^-6 |
| SFC-050SA2-12B-11BC | B | 12 | 11 | 4 | 12.2 | 18 | 16 | 17 | 22 | 48.4 | 56 | 38 | 43.4 | 20.5 | 6 | 14.5 | 22 | 2-M5 | 25 | 10000 | 0.02 | 1 | ±0.4 | 32000 | 48 | 82.91×10^-6 |
| SFC-050SA2-14B-11BC | B | 14 | 11 | 4 | 12.2 | 18 | 16 | 17 | 22 | 48.4 | 56 | 38 | 43.4 | 20.5 | 6 | 14.5 | 22 | 2-M5 | 25 | 10000 | 0.02 | 1 | ±0.4 | 32000 | 48 | 82.91×10^-6 |
| SFC-050SA2-15B-11BC | B | 15 | 11 | 4 | 12.2 | 18 | 16 | 17 | 22 | 48.4 | 56 | 38 | 43.4 | 20.5 | 6 | 14.5 | 22 | 2-M5 | 25 | 10000 | 0.02 | 1 | ±0.4 | 32000 | 48 | 82.91×10^-6 |
| SFC-050SA2-16B-11BC | B | 16 | 11 | 4 | 12.2 | 18 | 16 | 17 | 22 | 48.4 | 56 | 38 | 43.4 | 20.5 | 6 | 14.5 | 22 | 2-M5 | 25 | 10000 | 0.02 | 1 | ±0.4 | 32000 | 48 | 82.91×10^-6 |
사용후기가 없습니다.
상품문의가 없습니다.
- 아린재고가 있는 상품은 결재가 완료되면 결재한 다음날부터 1~3일 이내 전국(도서지방제외)으로 택배를 통해 배송됩니다.
- 아린재고가 없는 수입품의 경우는 납품까지 수일 내지 수주가 소요될 수 있으므로 주문전에 당사에 납기를 미리 확인하여 주십시오.
- 제품크기에 따라 택배나 화물운송업체를 통해 배송해 드리며, 주문금액 20만원 이하의 경우 5,500원의 배송비가 추가됩니다.
- 제주도 등 도서지역의 경우 추가배송 금액이 발생할 수 있으니 주문전에 고객센터로 문의 주십시오.
등록된 상품이 없습니다.