회원로그인

견적 및 대표상담 031-404-3522

마이크로클러치·브레이크

고품질 제품과 최적화된 솔루션을 제공하는 바람직한 기업

메인으로

🖶 상세페이지 인쇄

마이크로여자브레이크 112형 요약정보 및 구매

사용후기 0 개
위시리스트0
판매가격 견적상품
제조사 미키풀리(주) (MIKI PULLEY)
배송비결제 주문시 결제
본 제품은 견적 제품입니다.
하단의 상세사양표를 통해 견적을 요청 후
구매 부탁드립니다. 제품 전체 견적요청
  • 상품 정보

    캐드자료

    카탈로그


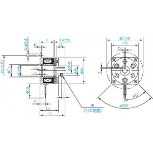
    상품 상세사양

    전체보기
    형식 타입 규격 동마찰
    토크
    (Nm)
    코일(at20℃)//전압
    (V)
    코일(at20℃)//용량
    (W)
    코일(at20℃)//전류
    (A)
    코일(at20℃)//저항
    (Ω)
    최고
    회전속도
    (min-1)
    아마추어//구멍직경d
    (mm)
    아마추어//키홈
    규격
    #레이디얼방향치수(mm)//A1 레이디얼방향치수(mm)//A2 레이디얼방향치수(mm)//A3 레이디얼방향치수(mm)//C1 레이디얼방향치수(mm)//C2 레이디얼방향치수(mm)//C3 레이디얼방향치수(mm)//C4 레이디얼방향치수(mm)//S 레이디얼방향치수(mm)//m 레이디얼방향치수(mm)//V1 레이디얼방향치수(mm)//V2 레이디얼방향치수(mm)//V3 레이디얼방향치수(mm)//Z #축방향치수(mm)//H 축방향치수(mm)//K 축방향치수(mm)//J1 축방향치수(mm)//J2 축방향치수(mm)//L 축방향치수(mm)//L1 축방향치수(mm)//L2 축방향치수(mm)//P 축방향치수(mm)//U 축방향치수(mm)//T 축방향치수(mm)/X 축방향치수(mm)//a
    112-05-11-24V-15JIS 샤프트취부(일반) 5 2.4 DC24 10 0.42 58 10000 15 구JIS 50 24 - 65 58 27.2 26 51 2-M4 - - - - 22 2 3.5 1.5 - 37.2 28.2 8 12 5 - 0.2
    112-05-11-24V-15DIN 샤프트취부(일반) 5 2.4 DC24 10 0.42 58 10000 15 신JIS 50 24 - 65 58 27.2 26 51 2-M4 - - - - 22 2 3.5 1.5 - 37.2 28.2 8 12 5 - 0.2
    112-05-11-24V-10JIS 샤프트취부(일반) 5 2.4 DC24 10 0.42 58 10000 10 구JIS 50 24 - 65 58 27.2 26 51 2-M4 - - - - 22 2 3.5 1.5 - 37.2 28.2 8 12 5 - 0.2
    112-05-11-24V-10DIN 샤프트취부(일반) 5 2.4 DC24 10 0.42 58 10000 10 신JIS 50 24 - 65 58 27.2 26 51 2-M4 - - - - 22 2 3.5 1.5 - 37.2 28.2 8 12 5 - 0.2
    112-04-11-24V-8DIN 샤프트취부(일반) 4 1.2 DC24 8 0.33 72 10000 8 신JIS 40 17 - 54 47 20 19 41 2-M3 - - - - 20 2 3.3 1.3 - 34.8 25.5 7 12 5 - 0.15
    112-04-11-24V-10JIS 샤프트취부(일반) 4 1.2 DC24 8 0.33 72 10000 10 구JIS 40 17 - 54 47 20 19 41 2-M3 - - - - 20 2 3.3 1.3 - 34.8 25.5 7 12 5 - 0.15

  • 사용후기

    등록된 사용후기

    사용후기가 없습니다.

  • 상품문의

    등록된 상품문의

    상품문의가 없습니다.

  • 배송/교환정보

    배송

    - 아린재고가 있는 상품은 결재가 완료되면 결재한 다음날부터 1~3일 이내 전국(도서지방제외)으로 택배를 통해 배송됩니다. 

    - 아린재고가 없는 수입품의 경우는 납품까지 수일 내지 수주가 소요될 수 있으므로 주문전에 당사에 납기를 미리 확인하여 주십시오.

    - 제품크기에 따라 택배나 화물운송업체를 통해 배송해 드리며, 주문금액 20만원 이하의 경우 5,500원의 배송비가 추가됩니다.

    - 제주도 등 도서지역의 경우 추가배송 금액이 발생할 수 있으니 주문전에 고객센터로 문의 주십시오.

    교환

    - 제품을 받아보시고 이상이 있을 경우에 한하여 배송 후 14일 이내에 교환 및 반품이 가능합니다.
    - 상품대금을 신용카드로 결제한 경우는 매출을 취소해드리며, 온라인으로 입금한 경우에는 주문자의 계좌번호로 3일내로 입금 처리해 드립니다.

관련상품

등록된 상품이 없습니다.


최근본상품
입금계좌 신한은행 100-017-235347
주식회사 아린
견적문의
031-404-3522
↑ 위로가기