회원로그인

견적 및 대표상담 031-404-3522

미니츄어커플링

고품질 제품과 최적화된 솔루션을 제공하는 바람직한 기업

메인으로

🖶 상세페이지 인쇄

수퍼프라이제로올드햄커플링 MMZ시리즈 요약정보 및 구매

사용후기 0 개
위시리스트0
판매가격 견적상품
제조사 (주)일본미니츄어커플링 (NIHON MINITURE)
배송비결제 주문시 결제
본 제품은 견적 제품입니다.
하단의 상세사양표를 통해 견적을 요청 후
구매 부탁드립니다. 제품 전체 견적요청
  • 상품 정보

    캐드자료

    카탈로그


    상품 상세사양

    전체보기
    형식 사이즈 전달
    토르크
    (N · cm)
    최고
    회전수
    (min-1)
    허용변위//평행변위
    (mm)
    허용변위//각도변위
    (deg)
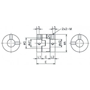
    #치수(mm)//A 치수(mm)//L1 치수(mm)//L2 치수(mm)//C 치수(mm)//E 치수(mm)//L3 치수(mm)//G 고정나사
    M
    표준내경(mm)//d1 표준내경(mm)//d2 #나사체결
    토르크
    (N · m)
    관성
    모멘트
    (kg · m2)
    GD2
    (N · cm2)
    비틀림
    강성
    (N · m/rad)
    MMZ-16-6×8 MMZ-16 196.1 25000 1.5 1.0° 16 6 6 8 20 3 9 M3 6 8 0.71 0.027 0.108 148.65
    MMZ-16-6×7 MMZ-16 196.1 25000 1.5 1.0° 16 6 6 8 20 3 9 M3 6 7 0.71 0.027 0.108 148.65
    MMZ-16-6×6 MMZ-16 196.1 25000 1.5 1.0° 16 6 6 8 20 3 9 M3 6 6 0.71 0.027 0.108 148.65
    MMZ-16-5×8 MMZ-16 196.1 25000 1.5 1.0° 16 6 6 8 20 3 9 M3 5 8 0.71 0.027 0.108 148.65
    MMZ-16-5×7 MMZ-16 196.1 25000 1.5 1.0° 16 6 6 8 20 3 9 M3 5 7 0.71 0.027 0.108 148.65
    MMZ-16-5×6 MMZ-16 196.1 25000 1.5 1.0° 16 6 6 8 20 3 9 M3 5 6 0.71 0.027 0.108 148.65

  • 사용후기

    등록된 사용후기

    사용후기가 없습니다.

  • 상품문의

    등록된 상품문의

    상품문의가 없습니다.

  • 배송/교환정보

    배송

    - 아린재고가 있는 상품은 결재가 완료되면 결재한 다음날부터 1~3일 이내 전국(도서지방제외)으로 택배를 통해 배송됩니다. 

    - 아린재고가 없는 수입품의 경우는 납품까지 수일 내지 수주가 소요될 수 있으므로 주문전에 당사에 납기를 미리 확인하여 주십시오.

    - 제품크기에 따라 택배나 화물운송업체를 통해 배송해 드리며, 주문금액 20만원 이하의 경우 5,500원의 배송비가 추가됩니다.

    - 제주도 등 도서지역의 경우 추가배송 금액이 발생할 수 있으니 주문전에 고객센터로 문의 주십시오.

    교환

    - 제품을 받아보시고 이상이 있을 경우에 한하여 배송 후 14일 이내에 교환 및 반품이 가능합니다.
    - 상품대금을 신용카드로 결제한 경우는 매출을 취소해드리며, 온라인으로 입금한 경우에는 주문자의 계좌번호로 3일내로 입금 처리해 드립니다.

관련상품

등록된 상품이 없습니다.


최근본상품
입금계좌 신한은행 100-017-235347
주식회사 아린
견적문의
031-404-3522
↑ 위로가기