고품질 제품과 최적화된 솔루션을 제공하는 바람직한 기업
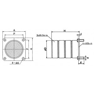
| 형식 | D (mm) |
A (mm) |
P (mm) |
t (mm) |
d1 (mm) |
부속볼트 d-l (mm) |
H (mm) |
체적 (cm3) |
수압면적 (cm2) |
|---|---|---|---|---|---|---|---|---|---|
| KUB-80-1 | 80 | 100 | 80 | 4.5 | 9 | M8-40 | 54 | 246 | 50 |
| KUB-80-2 | 80 | 100 | 80 | 4.5 | 9 | M8-40 | 99 | 470 | 50 |
| KUB-100-1 | 100 | 135 | 100 | 4.5 | 11 | M10-40 | 64 | 460 | 80 |
| KUB-100-2 | 100 | 135 | 100 | 4.5 | 11 | M10-40 | 114 | 850 | 80 |
| KUB-125-1 | 125 | 160 | 125 | 6 | 13 | M12-40 | 71 | 790 | 120 |
| KUB-125-2 | 125 | 160 | 125 | 6 | 13 | M12-40 | 131 | 1510 | 120 |

사용후기가 없습니다.
상품문의가 없습니다.
- 아린재고가 있는 상품은 결재가 완료되면 결재한 다음날부터 1~3일 이내 전국(도서지방제외)으로 택배를 통해 배송됩니다.
- 아린재고가 없는 수입품의 경우는 납품까지 수일 내지 수주가 소요될 수 있으므로 주문전에 당사에 납기를 미리 확인하여 주십시오.
- 제품크기에 따라 택배나 화물운송업체를 통해 배송해 드리며, 주문금액 20만원 이하의 경우 5,500원의 배송비가 추가됩니다.
- 제주도 등 도서지역의 경우 추가배송 금액이 발생할 수 있으니 주문전에 고객센터로 문의 주십시오.
등록된 상품이 없습니다.