고품질 제품과 최적화된 솔루션을 제공하는 바람직한 기업
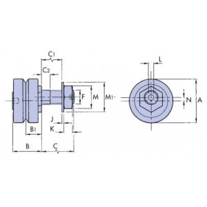
| 형식 | 타입 | 적응본체 | A | B | B1±0.025 | C | C1 | C2 | #D±0.025 | E | F | G | H | J | K | L | M | #M1 | N | O (0/-0.03) |
P | Q | R | S | S1 | #T | T1 | T2 | U±0.2 | U1 | V | W | X | Y | Z |
|---|---|---|---|---|---|---|---|---|---|---|---|---|---|---|---|---|---|---|---|---|---|---|---|---|---|---|---|---|---|---|---|---|---|---|---|
| RLJ-25-C | 스루홀(고정) | R25 | 25 | 16.6 | 9 | 19 | 13 | 2.5 | 20.27 | 10 | M8×1 | 14 | 0.5 | 1 | 5 | - | 13 | 17 | - | 8 | 13 | - | - | - | - | - | - | - | - | - | - | - | - | - | - |
| RSJ-25-C | 스루홀(고정) | R25 | 25 | 16.6 | 9 | 9.8 | 4 | 2.5 | 20.27 | 10 | M8×1 | 14 | 0.5 | 1 | 5 | - | 13 | 17 | - | 8 | 13 | - | - | - | - | - | - | - | - | - | - | - | - | - | - |
| RLJ-34-C | 스루홀(고정) | R34 | 34 | 21.3 | 11.5 | 22 | 14 | 5.5 | 27.13 | 12 | M10×1.25 | 18 | 0.7 | 1.25 | 6 | - | 17 | 21 | - | 10 | 15.2 | - | - | - | - | - | - | - | - | - | - | - | - | - | - |
| RSJ-34-C | 스루홀(고정) | R34 | 34 | 21.3 | 11.5 | 13.8 | 6 | 5.5 | 27.13 | 12 | M10×1.25 | 18 | 0.7 | 1.25 | 6 | - | 17 | 21 | - | 10 | 15.2 | - | - | - | - | - | - | - | - | - | - | - | - | - | - |
| RLJ-25-E | 스루홀(편심) | R25 | 25 | 16.6 | 9 | 19 | 13 | 2.5 | 20.27 | 10 | M8×1 | 14 | 0.5 | 1 | 5 | 3 | 13 | 17 | 2 | 8 | 13 | - | 1.5 | - | - | - | - | - | - | - | - | - | - | - | - |
| RSJ-25-E | 스루홀(편심) | R25 | 25 | 16.6 | 9 | 9.8 | 4 | 2.5 | 20.27 | 10 | M8×1 | 14 | 0.5 | 1 | 5 | 3 | 13 | 17 | 2 | 8 | 13 | - | 1.5 | - | - | - | - | - | - | - | - | - | - | - | - |
사용후기가 없습니다.
상품문의가 없습니다.
- 아린재고가 있는 상품은 결재가 완료되면 결재한 다음날부터 1~3일 이내 전국(도서지방제외)으로 택배를 통해 배송됩니다.
- 아린재고가 없는 수입품의 경우는 납품까지 수일 내지 수주가 소요될 수 있으므로 주문전에 당사에 납기를 미리 확인하여 주십시오.
- 제품크기에 따라 택배나 화물운송업체를 통해 배송해 드리며, 주문금액 20만원 이하의 경우 5,500원의 배송비가 추가됩니다.
- 제주도 등 도서지역의 경우 추가배송 금액이 발생할 수 있으니 주문전에 고객센터로 문의 주십시오.
등록된 상품이 없습니다.