회원로그인

견적 및 대표상담 031-404-3522

마이터기어

고품질 제품과 최적화된 솔루션을 제공하는 바람직한 기업

메인으로

🖶 상세페이지 인쇄

KSP 연마 스파이럴 베벨기어(추가공용) 요약정보 및 구매

사용후기 0 개
위시리스트0
판매가격 견적상품
제조사 코하라치차공업(주) (KHK)
배송비결제 주문시 결제
본 제품은 견적 제품입니다.
하단의 상세사양표를 통해 견적을 요청 후
구매 부탁드립니다. 제품 전체 견적요청
  • 상품 정보

    캐드자료

    카탈로그


    제품 공통 사양

    정도등급 JIS B 1704 0급
    치형 글리슨
    압력각 20°
    비틀림각 35°
    재료 모듈3이하:SCM415
    모듈3.5이상:SCM420
    열처리 침탄열처리(구멍 · 보스부방탄)
    치면강도 모듈2이하:80~83HRA
    모듈2.5이상:60~63HRC

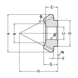
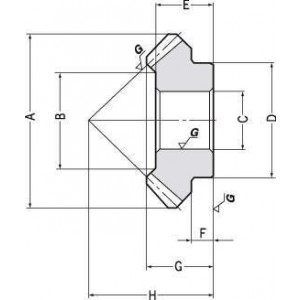
    상품 상세사양

    전체보기
    형식 모듈
    m
    잇수 비틀림방향 피치원직경 치폭 형상 이끝원직경
    A
    누름면직경
    B
    내경
    CH7
    #보스경
    D
    내경길이
    E
    보스길이
    F
    전장
    G
    조립거리
    H
    가공가능
    MAX내경
    허용토크
    (kgf·m)
    백래시
    (mm)
    KSP184001GUR 6 30 R 180 38 C 184 84 40 101 51 17 56.5 118 62 85.8 0.05~0.10
    KSP184001GUL 6 30 L 180 38 C 184 84 40 101 51 17 56.5 118 62 85.8 0.05~0.10
    KSP157001GUR 5.5 28 R 154 34 C 157 76 32 92 47 20 53.5 105 55 60.1 0.05~0.10
    KSP157001GUL 5.5 28 L 154 34 C 157 76 32 92 47 20 53.5 105 55 60.1 0.05~0.10
    KSP132001GUR 5 26 R 130 29 C 132 64 30 82 41 14 45 88 48 38.4 0.05~0.10
    KSP132001GUL 5 26 L 130 29 C 132 64 30 82 41 14 45 88 48 38.4 0.05~0.10

  • 사용후기

    등록된 사용후기

    사용후기가 없습니다.

  • 상품문의

    등록된 상품문의

    상품문의가 없습니다.

  • 배송/교환정보

    배송

    - 아린재고가 있는 상품은 결재가 완료되면 결재한 다음날부터 1~3일 이내 전국(도서지방제외)으로 택배를 통해 배송됩니다. 

    - 아린재고가 없는 수입품의 경우는 납품까지 수일 내지 수주가 소요될 수 있으므로 주문전에 당사에 납기를 미리 확인하여 주십시오.

    - 제품크기에 따라 택배나 화물운송업체를 통해 배송해 드리며, 주문금액 20만원 이하의 경우 5,500원의 배송비가 추가됩니다.

    - 제주도 등 도서지역의 경우 추가배송 금액이 발생할 수 있으니 주문전에 고객센터로 문의 주십시오.

    교환

    - 제품을 받아보시고 이상이 있을 경우에 한하여 배송 후 14일 이내에 교환 및 반품이 가능합니다.
    - 상품대금을 신용카드로 결제한 경우는 매출을 취소해드리며, 온라인으로 입금한 경우에는 주문자의 계좌번호로 3일내로 입금 처리해 드립니다.

관련상품

등록된 상품이 없습니다.


최근본상품
입금계좌 신한은행 100-017-235347
주식회사 아린
견적문의
031-404-3522
↑ 위로가기