회원로그인

견적 및 대표상담 031-404-3522

마이터기어

고품질 제품과 최적화된 솔루션을 제공하는 바람직한 기업

메인으로

🖶 상세페이지 인쇄

SAM 앵귤러 마이터기어 요약정보 및 구매

사용후기 0 개
위시리스트0
판매가격 견적상품
제조사 코하라치차공업(주) (KHK)
배송비결제 주문시 결제
본 제품은 견적 제품입니다.
하단의 상세사양표를 통해 견적을 요청 후
구매 부탁드립니다. 제품 전체 견적요청
  • 상품 정보

    캐드자료

    카탈로그


    제품 공통 사양

    정도등급 JIS B 1704 3급
    치형 글리슨
    압력각 20°
    재료 S45C
    열처리 -
    치면경도 194HB이하

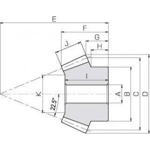
    상품 상세사양

    전체보기
    형식 모듈
    m
    잇수 축각 형상 내경
    AH7
    보스경
    B
    피치원직경
    C
    이끝원직경
    D
    조립거리
    E
    #전장
    F
    이끝거리
    G
    보스길이
    H
    내경길이
    I
    치폭
    J
    누름면직경
    K
    #허용토크(N·m)//굽힘강도 허용토크(N·m)//치면강도 허용토크(kgf·m)//굽힘강도 허용토크(kgf·m)//치면강도 백래시(mm)
    SAM3-20120 3 20 120° B120 16 50 60 63 50 39.39 35.28 24.02 35 10 39.59 19.4 2.53 1.98 0.26 0.08~0.18
    SAM2.5-20120 2.5 20 120° B120 14 42 50 52.5 42 33.22 29.73 20.64 29 8.5 32.03 11.4 1.45 1.16 0.15 0.07~0.17
    SAM1.5-20120 1.5 20 120° B120 8 26 30 31.5 26 20.69 18.64 13.88 18 5 19.22 2.43 0.29 0.25 0.03 0.05~0.15
    SAM2-20120 2 20 120° B120 12 34 40 42 34 26.86 24.18 17.26 24 6.5 26.78 5.66 0.7 0.58 0.072 0.06~0.16
    SAM3-20060 3 20 60° B60 16 50 60 65.19 70 34.59 19.54 15.16 32 18 36.36 28.3 2.74 2.89 0.28 0.08~0.18
    SAM2.5-20060 2.5 20 60° B60 14 40 50 54.33 60 30.49 17.94 13.82 28 15 29.15 16.4 1.56 1.67 0.16 0.07~0.17
    12

  • 사용후기

    등록된 사용후기

    사용후기가 없습니다.

  • 상품문의

    등록된 상품문의

    상품문의가 없습니다.

  • 배송/교환정보

    배송

    - 아린재고가 있는 상품은 결재가 완료되면 결재한 다음날부터 1~3일 이내 전국(도서지방제외)으로 택배를 통해 배송됩니다. 

    - 아린재고가 없는 수입품의 경우는 납품까지 수일 내지 수주가 소요될 수 있으므로 주문전에 당사에 납기를 미리 확인하여 주십시오.

    - 제품크기에 따라 택배나 화물운송업체를 통해 배송해 드리며, 주문금액 20만원 이하의 경우 5,500원의 배송비가 추가됩니다.

    - 제주도 등 도서지역의 경우 추가배송 금액이 발생할 수 있으니 주문전에 고객센터로 문의 주십시오.

    교환

    - 제품을 받아보시고 이상이 있을 경우에 한하여 배송 후 14일 이내에 교환 및 반품이 가능합니다.
    - 상품대금을 신용카드로 결제한 경우는 매출을 취소해드리며, 온라인으로 입금한 경우에는 주문자의 계좌번호로 3일내로 입금 처리해 드립니다.

관련상품

등록된 상품이 없습니다.


최근본상품
입금계좌 신한은행 100-017-235347
주식회사 아린
견적문의
031-404-3522
↑ 위로가기