회원로그인

견적 및 대표상담 031-404-3522

타이트너·홀더

고품질 제품과 최적화된 솔루션을 제공하는 바람직한 기업

메인으로

TC-RE 오토텐션타이트너 요약정보 및 구매

사용후기 0 개
위시리스트0
판매가격 견적상품
제조사 (주)이마오코포레이션 (IMAO CORPORATION)
배송비결제 주문시 결제
본 제품은 견적 제품입니다.
하단의 상세사양표를 통해 견적을 요청 후
구매 부탁드립니다. 제품 전체 견적요청
  • 상품 정보

    캐드자료

    카탈로그


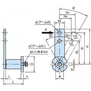
    제품 공통 사양

    본체 FCD400(TC-RE10:SMF4040) 햄머톤도장 회색
    SS400 햄머톤도장 회색
    탄성체 천연 고무
    사용온도 max.80℃ min.-40℃

    상품 상세사양

    전체보기
    2건 중 1~4건 표시
    형식 A B C D E F G H J K L M 암A
    최대텐션력
    (N)
    암J
    최대텐션력
    (N)
    체결
    토크
    (N?m)
    α=10°//암A//P(N) α=10°//암A//N1 α=10°//암J//P(N) α=10°//암J//N2 α=20°//암A//P(N) α=20°//암A//N1 α=20°//암J//P(N) α=20°//암J//N2 α=30°//암A//P(N) α=30°//암A//N1 α=30°//암J//P(N) α=30°//암J//N2
    TC-RE10 80 90 25 40 20 50 7 8.5 60 5 6 M6×1 85 113 10 15 14 20 10 40 28 53 20 85 40 113 30
    TC-RE20 100 112.5 30 50 30 62 9 10.5 80 5 8 M8×1.25 136 170 25 25 17 31 14 65 34 81 27 136 50 170 40
    TC-RE30 100 115 35 60 35 76 9 10.5 80 6 10 M10×1.5 340 425 49 75 17 93 14 180 34 225 27 340 50 425 40
    TC-RE40 130 155 50 80 48 105 11 12.5 100 8 15 M12×1.75 790 1027 89 150 22 195 17 380 44 494 34 790 65 1027 50

  • 사용후기

    등록된 사용후기

    사용후기가 없습니다.

  • 상품문의

    등록된 상품문의

    상품문의가 없습니다.

  • 배송/교환정보

    배송

    - 아린재고가 있는 상품은 결재가 완료되면 결재한 다음날부터 1~3일 이내 전국(도서지방제외)으로 택배를 통해 배송됩니다. 

    - 아린재고가 없는 수입품의 경우는 납품까지 수일 내지 수주가 소요될 수 있으므로 주문전에 당사에 납기를 미리 확인하여 주십시오.

    - 제품크기에 따라 택배나 화물운송업체를 통해 배송해 드리며, 주문금액 20만원 이하의 경우 5,500원의 배송비가 추가됩니다.

    - 제주도 등 도서지역의 경우 추가배송 금액이 발생할 수 있으니 주문전에 고객센터로 문의 주십시오.

    교환

    - 제품을 받아보시고 이상이 있을 경우에 한하여 배송 후 14일 이내에 교환 및 반품이 가능합니다.
    - 상품대금을 신용카드로 결제한 경우는 매출을 취소해드리며, 온라인으로 입금한 경우에는 주문자의 계좌번호로 3일내로 입금 처리해 드립니다.

관련상품

등록된 상품이 없습니다.


최근본상품
입금계좌 신한은행 100-017-235347
주식회사 아린
견적문의
031-404-3522
↑ 위로가기