회원로그인

견적 및 대표상담 031-404-3522

위치결정용

고품질 제품과 최적화된 솔루션을 제공하는 바람직한 기업

메인으로

🖶 상세페이지 인쇄

리니어스토퍼(위치결정용) LSZ-N 요약정보 및 구매

사용후기 0 개
위시리스트0
판매가격 견적상품
제조사 (주)이와타제작소 (IWATA MFG.)
배송비결제 주문시 결제
본 제품은 견적 제품입니다.
하단의 상세사양표를 통해 견적을 요청 후
구매 부탁드립니다. 제품 전체 견적요청
  • 상품 정보

    캐드자료

    카탈로그


    상품 상세사양

    전체보기
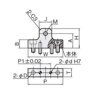
    형식 재질/표면처리 대응사이즈 대응시리즈//IKO 대응시리즈//NSK 대응시리즈//THK #형상 W H A B J P P1 #T M
    (가는나사)
    D d 부속//볼트 부속//노크핀
    LSZ-01N 철(SS400)/흑염 15 - - SRS15M 1 50 15 8.5 - - 35 18 12 M6×P0.75 5.5 4×6 M5×16 4×10
    LSZ-02N 철(SS400)/흑염 15 LWH15 LS15AL HSR15A 2 50 22 15.5 12 18 35 18 12 M6×P0.75 5.5 4×6 M5×16 4×10
    LSZ-03N 철(SS400)/흑염 15 · 20 LWH20 LH15AN · LS20AL · LH20AN HSR20A 2 50 26 19.5 12 18 35 18 12 M6×P0.75 5.5 4×6 M5×16 4×10
    LSZ-04N 철(SS400)/흑염 20 - - SRS20M 1 50 18 10 - - 35 18 12 M8×P1.0 5.5 4×6 M5×20 4×10
    LSZ-05N 철(SS400)/흑염 25 - - SRS25M 2 50 23 15 12 20 35 18 16 M8×P1.0 6.6 4×6 M6×16 4×10
    LSZ-06N 철(SS400)/흑염 25 - LS25AL - 2 50 31 23 12 20 35 18 16 M8×P1.0 6.6 4×6 M6×16 4×10

  • 사용후기

    등록된 사용후기

    사용후기가 없습니다.

  • 상품문의

    등록된 상품문의

    상품문의가 없습니다.

  • 배송/교환정보

    배송

    - 아린재고가 있는 상품은 결재가 완료되면 결재한 다음날부터 1~3일 이내 전국(도서지방제외)으로 택배를 통해 배송됩니다. 

    - 아린재고가 없는 수입품의 경우는 납품까지 수일 내지 수주가 소요될 수 있으므로 주문전에 당사에 납기를 미리 확인하여 주십시오.

    - 제품크기에 따라 택배나 화물운송업체를 통해 배송해 드리며, 주문금액 20만원 이하의 경우 5,500원의 배송비가 추가됩니다.

    - 제주도 등 도서지역의 경우 추가배송 금액이 발생할 수 있으니 주문전에 고객센터로 문의 주십시오.

    교환

    - 제품을 받아보시고 이상이 있을 경우에 한하여 배송 후 14일 이내에 교환 및 반품이 가능합니다.
    - 상품대금을 신용카드로 결제한 경우는 매출을 취소해드리며, 온라인으로 입금한 경우에는 주문자의 계좌번호로 3일내로 입금 처리해 드립니다.

관련상품

등록된 상품이 없습니다.


최근본상품
입금계좌 신한은행 100-017-235347
주식회사 아린
견적문의
031-404-3522
↑ 위로가기