회원로그인

견적 및 대표상담 031-404-3522

트림씰

고품질 제품과 최적화된 솔루션을 제공하는 바람직한 기업

메인으로

트림씰 4100시리즈 C타입 요약정보 및 구매

사용후기 0 개
위시리스트0
판매가격 견적상품
제조사 (주)이와타제작소 (IWATA MFG.)
배송비결제 주문시 결제
본 제품은 견적 제품입니다.
하단의 상세사양표를 통해 견적을 요청 후
구매 부탁드립니다. 제품 전체 견적요청
  • 상품 정보

    캐드자료

    카탈로그


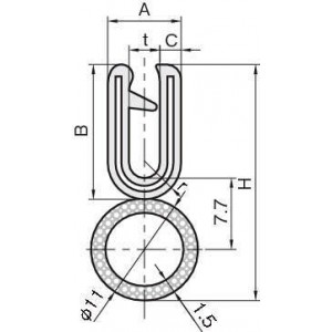
    상품 상세사양

    전체보기
    2건 중 1~6건 표시
    형식 기본판두께
    (mm)
    대응판두께
    (mm)
    A
    (mm)
    B
    (mm)
    C
    (mm)
    #t
    (mm)
    r
    (mm)
    H
    (mm)
    길이
    (m)
    재질 색상 표면모양
    4100-B-3-32CT-L71 3.2 2.4~4.0 7.6 14 2.2 3.2 3.8 25 71 TPE 검정 3
    4100-B-3-32CT-L72 3.2 2.4~4.0 7.6 14 2.2 3.2 3.8 25 72 TPE 검정 3
    4100-B-3-32CT-L73 3.2 2.4~4.0 7.6 14 2.2 3.2 3.8 25 73 TPE 검정 3
    4100-B-3-32CT-L74 3.2 2.4~4.0 7.6 14 2.2 3.2 3.8 25 74 TPE 검정 3
    S4100-B-3-48CT 4.8 4.0~5.0 9.2 13.3 2.2 4.8 3.6 24.3 75 TPE 검정 3
    4100-B-3-48CT 4.8 4.0~5.0 9.2 13.3 2.2 4.8 3.6 24.3 15 TPE 검정 3

  • 사용후기

    등록된 사용후기

    사용후기가 없습니다.

  • 상품문의

    등록된 상품문의

    상품문의가 없습니다.

  • 배송/교환정보

    배송

    - 아린재고가 있는 상품은 결재가 완료되면 결재한 다음날부터 1~3일 이내 전국(도서지방제외)으로 택배를 통해 배송됩니다. 

    - 아린재고가 없는 수입품의 경우는 납품까지 수일 내지 수주가 소요될 수 있으므로 주문전에 당사에 납기를 미리 확인하여 주십시오.

    - 제품크기에 따라 택배나 화물운송업체를 통해 배송해 드리며, 주문금액 20만원 이하의 경우 5,500원의 배송비가 추가됩니다.

    - 제주도 등 도서지역의 경우 추가배송 금액이 발생할 수 있으니 주문전에 고객센터로 문의 주십시오.

    교환

    - 제품을 받아보시고 이상이 있을 경우에 한하여 배송 후 14일 이내에 교환 및 반품이 가능합니다.
    - 상품대금을 신용카드로 결제한 경우는 매출을 취소해드리며, 온라인으로 입금한 경우에는 주문자의 계좌번호로 3일내로 입금 처리해 드립니다.

관련상품

등록된 상품이 없습니다.


최근본상품
입금계좌 신한은행 100-017-235347
주식회사 아린
견적문의
031-404-3522
↑ 위로가기