고품질 제품과 최적화된 솔루션을 제공하는 바람직한 기업
| 재질 / 표면처리 | SCS-CP3:철(S45C) / 흑염 SCS-SP3:스테인레스(SUS304) |
|---|---|
| 부속품 | SCS-CP3:육각구멍붙이볼트(흑염) 1본 SCS-SP3:육각구멍붙이볼트(SUSXM7) 1본 |
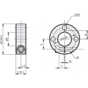
| 형식 | 재질/표면처리 | 내경 ΦB |
폭 L |
외경 ΦD |
횡혈//ΦS | 횡혈//P.C.D | W | X | Y | A | 체결나사 M |
|---|---|---|---|---|---|---|---|---|---|---|---|
| SCS0608CP3 | 철(S45C)/흑염 | 6 | 8 | 20 | 3.5 | 13 | 1 | 6 | 4 | 3.5 | M3×10 |
| SCS0610CP3 | 철(S45C)/흑염 | 6 | 10 | 20 | 3.5 | 13 | 1 | 6 | 4 | 3.5 | M4×10 |
| SCS0808CP3 | 철(S45C)/흑염 | 8 | 8 | 25 | 4.5 | 16 | 1.5 | 8 | 5 | 4.5 | M3×10 |
| SCS0810CP3 | 철(S45C)/흑염 | 8 | 10 | 25 | 4.5 | 18 | 1.5 | 8 | 5 | 4.5 | M4×12 |
| SCS0812CP3 | 철(S45C)/흑염 | 8 | 12 | 28 | 5.5 | 18 | 1.5 | 8.5 | 5 | 5 | M5×16 |
| SCS0815CP3 | 철(S45C)/흑염 | 8 | 15 | 30 | 5.5 | 20 | 1.5 | 9.5 | 5 | 5.5 | M6×15 |

사용후기가 없습니다.
상품문의가 없습니다.
- 아린재고가 있는 상품은 결재가 완료되면 결재한 다음날부터 1~3일 이내 전국(도서지방제외)으로 택배를 통해 배송됩니다.
- 아린재고가 없는 수입품의 경우는 납품까지 수일 내지 수주가 소요될 수 있으므로 주문전에 당사에 납기를 미리 확인하여 주십시오.
- 제품크기에 따라 택배나 화물운송업체를 통해 배송해 드리며, 주문금액 20만원 이하의 경우 5,500원의 배송비가 추가됩니다.
- 제주도 등 도서지역의 경우 추가배송 금액이 발생할 수 있으니 주문전에 고객센터로 문의 주십시오.
등록된 상품이 없습니다.