고품질 제품과 최적화된 솔루션을 제공하는 바람직한 기업
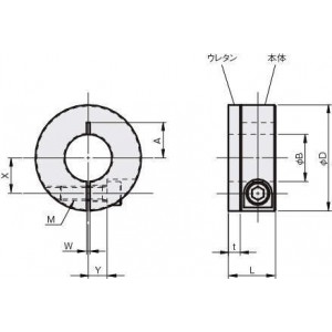
| 재질 / 표면처리 | SCS-ZD:철(S45C) / 카티온전착도장 SCS-MD:철(S45C) / 무전해니켈도금 SCS-SD:스테인레스(SUS304) |
|---|---|
| 부속품 | SCS-ZD:육각구멍붙이볼트(흑염) 1본 SCS-MD·SCS-SD:육각구멍붙이볼트(SUSXM7) 1본 |
| 형식 | 재질/표면처리 | 내경 ΦB |
폭 L |
외경 ΦD |
댐퍼//t | 댐퍼//경도(쇼어) | W | X | Y | A | 체결나사 M |
|---|---|---|---|---|---|---|---|---|---|---|---|
| SCS5027SD | 스테인레스(SUS304) | 50 | 27 | 85 | 5 | A90 | 3 | 32 | 16 | - | M10×35 |
| SCS4523SD | 스테인레스(SUS304) | 45 | 23 | 75 | 5 | A90 | 3 | 28 | 14 | - | M8×30 |
| SCS4023SD | 스테인레스(SUS304) | 40 | 23 | 70 | 5 | A90 | 2 | 26 | 13 | - | M8×30 |
| SCS3520SD | 스테인레스(SUS304) | 35 | 20 | 60 | 5 | A90 | 2 | 23 | 12 | - | M6×25 |
| SCS3020SD | 스테인레스(SUS304) | 30 | 20 | 55 | 5 | A90 | 1.5 | 20 | 10 | - | M6×25 |
| SCS2020SD | 스테인레스(SUS304) | 20 | 20 | 45 | 5 | A90 | 1.5 | 15 | 8 | 15 | M6×20 |

사용후기가 없습니다.
상품문의가 없습니다.
- 아린재고가 있는 상품은 결재가 완료되면 결재한 다음날부터 1~3일 이내 전국(도서지방제외)으로 택배를 통해 배송됩니다.
- 아린재고가 없는 수입품의 경우는 납품까지 수일 내지 수주가 소요될 수 있으므로 주문전에 당사에 납기를 미리 확인하여 주십시오.
- 제품크기에 따라 택배나 화물운송업체를 통해 배송해 드리며, 주문금액 20만원 이하의 경우 5,500원의 배송비가 추가됩니다.
- 제주도 등 도서지역의 경우 추가배송 금액이 발생할 수 있으니 주문전에 고객센터로 문의 주십시오.
등록된 상품이 없습니다.