회원로그인

견적 및 대표상담 031-404-3522

롤러플로어

고품질 제품과 최적화된 솔루션을 제공하는 바람직한 기업

메인으로

🖶 상세페이지 인쇄

복열원통롤러롤러플로워 NURT 요약정보 및 구매

사용후기 0 개
위시리스트0
판매가격 견적상품
제조사 일본톰슨(주) (NIPPON THOMPSON)
배송비결제 주문시 결제
본 제품은 견적 제품입니다.
하단의 상세사양표를 통해 견적을 요청 후
구매 부탁드립니다. 제품 전체 견적요청
  • 상품 정보

    캐드자료

    카탈로그


    상품 상세사양

    전체보기
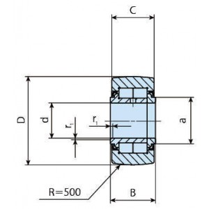
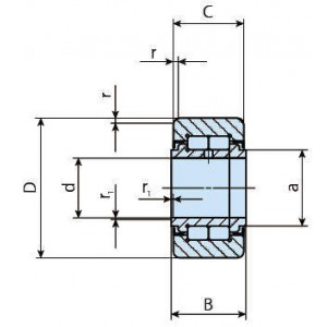
    형식 롤러의
    안내형식
    타입 외륜외경면의
    형상
    씰부위
    구조
    호칭번호 주요치수(mm)//d 주요치수(mm)//D 주요치수(mm)//B 주요치수(mm)//C 주요치수(mm)//a #기본동
    정격하중
    C
    (N)
    기본정
    정격하중
    CO
    (N)
    최대정허용하중
    (N)
    트랙부하중량(N)//구면외륜 트랙부하중량(N)//원통외륜
    NURT15 총니들 내륜붙이 원통외륜 실드형 15 15 35 19 18 20 23400 27300 11800 3060 11500
    NURT15-1 총니들 내륜붙이 원통외륜 실드형 15 15 42 19 18 20 23400 27300 27300 3910 13700
    NURT17 총니들 내륜붙이 원통외륜 실드형 17 17 40 21 20 22 25200 30900 20300 3660 13600
    NURT17-1 총니들 내륜붙이 원통외륜 실드형 17 17 47 21 20 22 25200 30900 30900 4530 16000
    NURT20 총니들 내륜붙이 원통외륜 실드형 20 20 47 25 24 27 38900 49000 27200 4530 20000
    NURT20-1 총니들 내륜붙이 원통외륜 실드형 20 20 52 25 24 27 38900 49000 49000 5190 22100

  • 사용후기

    등록된 사용후기

    사용후기가 없습니다.

  • 상품문의

    등록된 상품문의

    상품문의가 없습니다.

  • 배송/교환정보

    배송

    - 아린재고가 있는 상품은 결재가 완료되면 결재한 다음날부터 1~3일 이내 전국(도서지방제외)으로 택배를 통해 배송됩니다. 

    - 아린재고가 없는 수입품의 경우는 납품까지 수일 내지 수주가 소요될 수 있으므로 주문전에 당사에 납기를 미리 확인하여 주십시오.

    - 제품크기에 따라 택배나 화물운송업체를 통해 배송해 드리며, 주문금액 20만원 이하의 경우 5,500원의 배송비가 추가됩니다.

    - 제주도 등 도서지역의 경우 추가배송 금액이 발생할 수 있으니 주문전에 고객센터로 문의 주십시오.

    교환

    - 제품을 받아보시고 이상이 있을 경우에 한하여 배송 후 14일 이내에 교환 및 반품이 가능합니다.
    - 상품대금을 신용카드로 결제한 경우는 매출을 취소해드리며, 온라인으로 입금한 경우에는 주문자의 계좌번호로 3일내로 입금 처리해 드립니다.

관련상품

등록된 상품이 없습니다.


최근본상품
입금계좌 신한은행 100-017-235347
주식회사 아린
견적문의
031-404-3522
↑ 위로가기