고품질 제품과 최적화된 솔루션을 제공하는 바람직한 기업
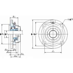
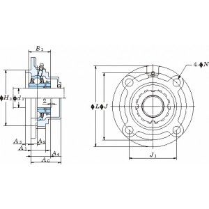
| 형식 | 타입//베어링하우징//베어링하우징 | 타입//베어링//베어링 | 축경 d1 (mm) |
치수(mm)//L//L | 치수(mm)//H3//H3 | 치수(mm)//J//J | 치수(mm)//J1//J1 | #치수(mm)//N (±0.2)//N (±0.2) |
치수(mm)//A1//A1 | 치수(mm)//A2//A2 | 치수(mm)//A3//A3 | 치수(mm)//A4//A4 | 치수(mm)//B1//B1 | 취부 볼트 호칭 |
커버치수(mm)//As//As | 커버치수(mm)//Ac//Ac | #적용 베어링하우징 |
적용베어링//호칭번호//호칭번호 | 적용베어링//기본정격하중(kN)//Cr | 적용베어링//기본정격하중(kN)//C0r | 적용베어링//계수 f0//계수 f0 |
적용 어댑터 |
커버치수(mm)//As//As | 커버치수(mm)//Ac//Ac |
|---|---|---|---|---|---|---|---|---|---|---|---|---|---|---|---|---|---|---|---|---|---|---|---|---|
| UKFC205C | 강판커버부착(관통형) | 표준품 | 20 | 115 | 70 | 90 | 63.6 | 12 | 21 | 10 | 6 | 28.5 | 29 | M10 | 34 | - | FC205 | UK205 | 14 | 7.85 | 13.9 | H305X | - | - |
| UKFCX05C | 강판커버부착(관통형) | 표준품 | 20 | 111 | 76 | 92 | 65 | 9.5 | 24 | 10 | 6 | 29.5 | 35 | M8 | 36 | - | FCX05 | UKX05 | 19.5 | 11.3 | 13.9 | H2305X | - | - |
| UKFC206C | 강판커버부착(관통형) | 표준품 | 25 | 125 | 80 | 100 | 70.7 | 12 | 23 | 10 | 8 | 29.5 | 31 | M10 | 36 | - | FC206 | UK206 | 19.5 | 11.3 | 13.9 | H306X | - | - |
| UKFCX06C | 강판커버부착(관통형) | 표준품 | 25 | 127 | 85 | 105 | 74.2 | 12 | 22.5 | 8 | 9.5 | 29 | 38 | M10 | 38 | - | FCX06 | UKX06 | 25.7 | 15.4 | 13.9 | H2306X | - | - |
| UKFC207C | 강판커버부착(관통형) | 표준품 | 30 | 135 | 90 | 110 | 77.8 | 14 | 26 | 11 | 8 | 33 | 35 | M12 | 41 | - | FC207 | UK207 | 25.7 | 15.4 | 13.9 | H307X | - | - |
| UKFCX07C | 강판커버부착(관통형) | 표준품 | 30 | 133 | 92 | 111 | 78.5 | 12 | 26 | 9 | 11 | 31.5 | 43 | M10 | 43 | - | FCX07 | UKX07 | 29.1 | 17.8 | 14 | H2307X | - | - |
사용후기가 없습니다.
상품문의가 없습니다.
- 아린재고가 있는 상품은 결재가 완료되면 결재한 다음날부터 1~3일 이내 전국(도서지방제외)으로 택배를 통해 배송됩니다.
- 아린재고가 없는 수입품의 경우는 납품까지 수일 내지 수주가 소요될 수 있으므로 주문전에 당사에 납기를 미리 확인하여 주십시오.
- 제품크기에 따라 택배나 화물운송업체를 통해 배송해 드리며, 주문금액 20만원 이하의 경우 5,500원의 배송비가 추가됩니다.
- 제주도 등 도서지역의 경우 추가배송 금액이 발생할 수 있으니 주문전에 고객센터로 문의 주십시오.
등록된 상품이 없습니다.