회원로그인

견적 및 대표상담 031-404-3522

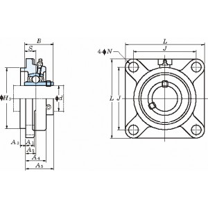
인로붙이각플랜지형유니트

고품질 제품과 최적화된 솔루션을 제공하는 바람직한 기업

메인으로

UCFS 인롱있는각플랜지형(원통형구멍) 요약정보 및 구매

사용후기 0 개
위시리스트0
판매가격 견적상품
제조사 일본필로블록(주) (FYH)
배송비결제 주문시 결제
본 제품은 견적 제품입니다.
하단의 상세사양표를 통해 견적을 요청 후
구매 부탁드립니다. 제품 전체 견적요청
  • 상품 정보

    캐드자료

    카탈로그


    상품 상세사양

    전체보기
    2건 중 1~6건 표시
    형식 타입//베어링하우징//베어링하우징 타입//베어링//베어링 축경
    d
    (mm)
    치수(mm)//L//L 치수(mm)//H3//H3 치수(mm)//J//J #치수(mm)//N//N 치수(mm)//A1//A1 치수(mm)//A2//A2 치수(mm)//A3//A3 치수(mm)//A4//A4 치수(mm)//A5//A5 치수(mm)//B//B 치수(mm)//S//S 취부
    볼트
    호칭
    #적용
    베어링하우징
    적용베어링//호칭번호//호칭번호 적용베어링//기본정격하중(kN)//Cr 적용베어링//기본정격하중(kN)//C0r 적용베어링//계수
    f0//계수
    f0
    UCFS309E4 무급유형 표준품 45 160 125 125 19 18 14 11 33 49 57 22 M16 FS309 UC309 48.9 29.5 13.3
    UCFS310E4 무급유형 표준품 50 175 140 132 23 19 16 12 36 55 61 22 M20 FS310 UC310 62 38.3 13.2
    UCFS311E4 무급유형 표준품 55 185 150 140 23 20 17 13 39 58 66 25 M20 FS311 UC311 71.6 45 13.2
    UCFS312E4 무급유형 표준품 60 195 160 150 23 22 19 14 42 64 71 26 M20 FS312 UC312 81.9 52.2 13.2
    UCFS313E4 무급유형 표준품 65 208 175 166 23 22 15 18 40 60 75 30 M20 FS313 UC313 92.7 59.9 13.2
    UCFS314E4 무급유형 표준품 70 226 185 178 25 25 18 18 43 63 78 33 M22 FS314 UC314 104 68.2 13.2

  • 사용후기

    등록된 사용후기

    사용후기가 없습니다.

  • 상품문의

    등록된 상품문의

    상품문의가 없습니다.

  • 배송/교환정보

    배송

    - 아린재고가 있는 상품은 결재가 완료되면 결재한 다음날부터 1~3일 이내 전국(도서지방제외)으로 택배를 통해 배송됩니다. 

    - 아린재고가 없는 수입품의 경우는 납품까지 수일 내지 수주가 소요될 수 있으므로 주문전에 당사에 납기를 미리 확인하여 주십시오.

    - 제품크기에 따라 택배나 화물운송업체를 통해 배송해 드리며, 주문금액 20만원 이하의 경우 5,500원의 배송비가 추가됩니다.

    - 제주도 등 도서지역의 경우 추가배송 금액이 발생할 수 있으니 주문전에 고객센터로 문의 주십시오.

    교환

    - 제품을 받아보시고 이상이 있을 경우에 한하여 배송 후 14일 이내에 교환 및 반품이 가능합니다.
    - 상품대금을 신용카드로 결제한 경우는 매출을 취소해드리며, 온라인으로 입금한 경우에는 주문자의 계좌번호로 3일내로 입금 처리해 드립니다.

관련상품

등록된 상품이 없습니다.


최근본상품
입금계좌 신한은행 100-017-235347
주식회사 아린
견적문의
031-404-3522
↑ 위로가기