회원로그인

견적 및 대표상담 031-404-3522

V-Lok피팅

고품질 제품과 최적화된 솔루션을 제공하는 바람직한 기업

메인으로

🖶 상세페이지 인쇄

V-Lok 포지션너블타입피팅 티에스유니온(UNF) 요약정보 및 구매

사용후기 0 개
위시리스트0
판매가격 견적상품
제조사 (주)후지킨 (FUJIKIN)
배송비결제 주문시 결제
본 제품은 견적 제품입니다.
하단의 상세사양표를 통해 견적을 요청 후
구매 부탁드립니다. 제품 전체 견적요청
  • 상품 정보

    캐드자료

    카탈로그


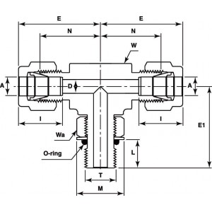
    상품 상세사양

    전체보기
    형식 타입 A
    호칭경
    (mm)
    T
    (in)
    D
    (mm)
    #W
    (mm)
    Wa
    (mm)
    N
    (mm)
    E
    (mm)
    E1
    (mm)
    L
    (mm)
    M
    (mm)
    I
    (mm)
    O링I
    사이즈I
    AS568
    VUWPTS-6.35×7/16 튜브(인치사이즈)와 SAE/MS평행수나사(포지셔널) 6.35 7/16-20 4.8 12.7 14.3 21.1 28.5 28.5 9.9 16.5 15.2 -904
    VUWPTS-9.52×9/16 튜브(인치사이즈)와 SAE/MS평행수나사(포지셔널) 9.52 9/16-18 7.1 15.9 17.5 24.6 32 32.3 11.2 20.1 16.8 -906

  • 사용후기

    등록된 사용후기

    사용후기가 없습니다.

  • 상품문의

    등록된 상품문의

    상품문의가 없습니다.

  • 배송/교환정보

    배송

    - 아린재고가 있는 상품은 결재가 완료되면 결재한 다음날부터 1~3일 이내 전국(도서지방제외)으로 택배를 통해 배송됩니다. 

    - 아린재고가 없는 수입품의 경우는 납품까지 수일 내지 수주가 소요될 수 있으므로 주문전에 당사에 납기를 미리 확인하여 주십시오.

    - 제품크기에 따라 택배나 화물운송업체를 통해 배송해 드리며, 주문금액 20만원 이하의 경우 5,500원의 배송비가 추가됩니다.

    - 제주도 등 도서지역의 경우 추가배송 금액이 발생할 수 있으니 주문전에 고객센터로 문의 주십시오.

    교환

    - 제품을 받아보시고 이상이 있을 경우에 한하여 배송 후 14일 이내에 교환 및 반품이 가능합니다.
    - 상품대금을 신용카드로 결제한 경우는 매출을 취소해드리며, 온라인으로 입금한 경우에는 주문자의 계좌번호로 3일내로 입금 처리해 드립니다.

관련상품

등록된 상품이 없습니다.


최근본상품
입금계좌 신한은행 100-017-235347
주식회사 아린
견적문의
031-404-3522
↑ 위로가기