상품 이미지 새창 보기

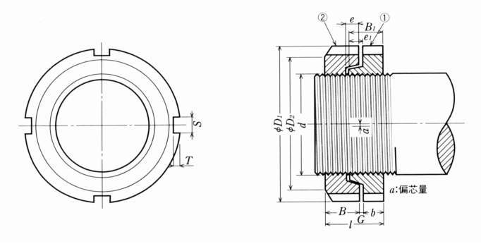
HLIPG 하드락너트 베어링용(HLB) HLIPG 하드락너트 베어링용(HLB)