상품 이미지 새창 보기

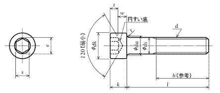
CBTK 티탄육각구멍붙이볼트 CBTK 티탄육각구멍붙이볼트