상품 이미지 새창 보기

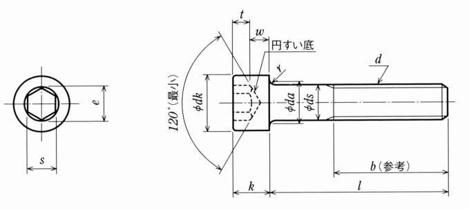
CBSKZ 스테인레스육각구멍붙이볼트 전체나사 CBSKZ 스테인레스육각구멍붙이볼트 전체나사