상품 이미지 새창 보기

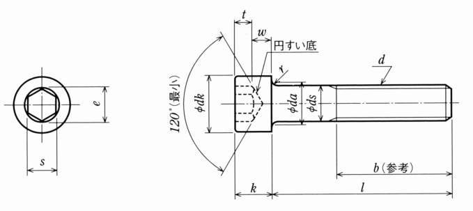
CBSK 스테인레스육각구멍붙이볼트 CBSK 스테인레스육각구멍붙이볼트