상품 이미지 새창 보기

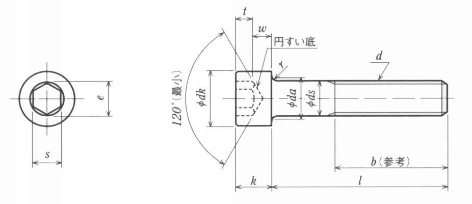
CBMR 육각구멍붙이볼트 3가크로메이트 CBMR 육각구멍붙이볼트 3가크로메이트