상품 이미지 새창 보기

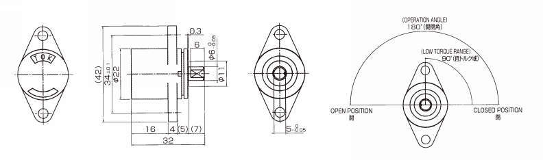
로터리댐퍼 TD38시리즈 로터리댐퍼 TD38시리즈