상품 이미지 새창 보기

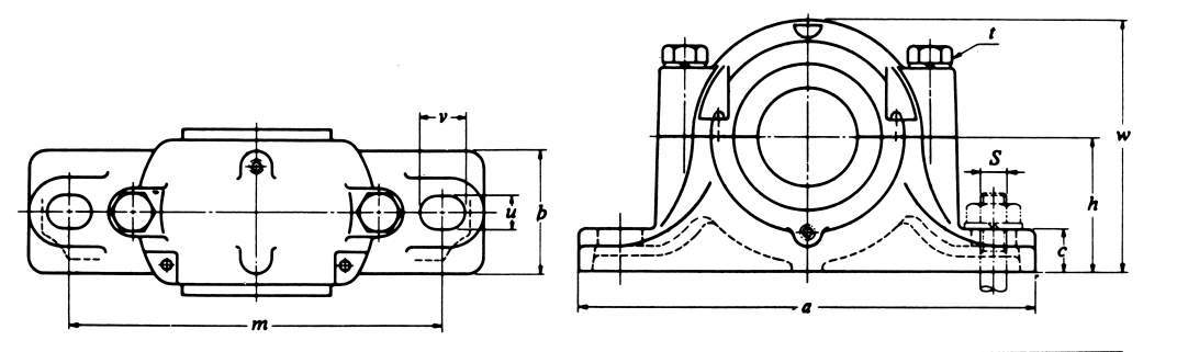
플러머블록 SN500형 플러머블록 SN500형 플러머블록 SN500형