상품 이미지 새창 보기

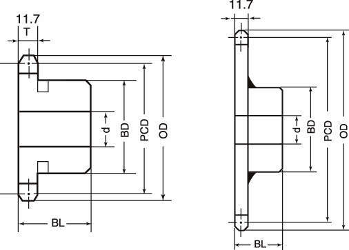
SM60 스테인레스스프라켓 1열신B형 SM60 스테인레스스프라켓 1열신B형