상품 이미지 새창 보기

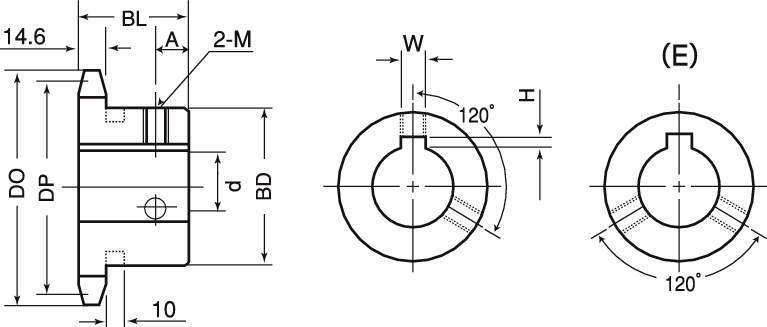
MS80 축구멍가공된스프라켓 1열신B형 MS80 축구멍가공된스프라켓 1열신B형