상품 이미지 새창 보기

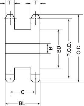
M40SW 싱글더블스프라켓(싱글2본궤) M40SW 싱글더블스프라켓(싱글2본궤)