상품 이미지 새창 보기

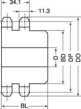
M60 스프라켓 2열신B형 M60 스프라켓 2열신B형