상품 이미지 새창 보기

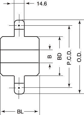
M80 스프라켓 1열C형 M80 스프라켓 1열C형