상품 이미지 새창 보기

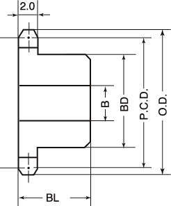
M15 스프라켓 1열신B형 M15 스프라켓 1열신B형