상품 이미지 새창 보기

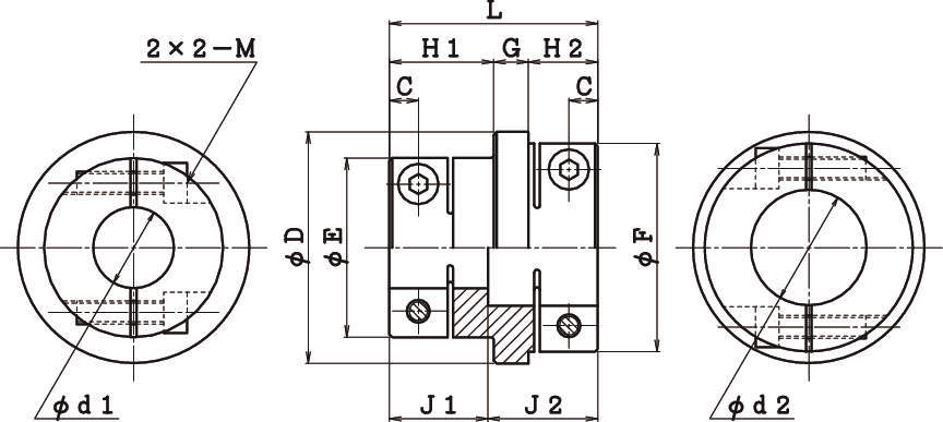
정밀고정축피팅 RA시리즈 정밀고정축피팅 RA시리즈