상품 이미지 새창 보기

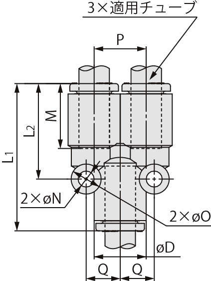
유니온와이 KQ2U 유니온와이 KQ2U