상품 이미지 새창 보기

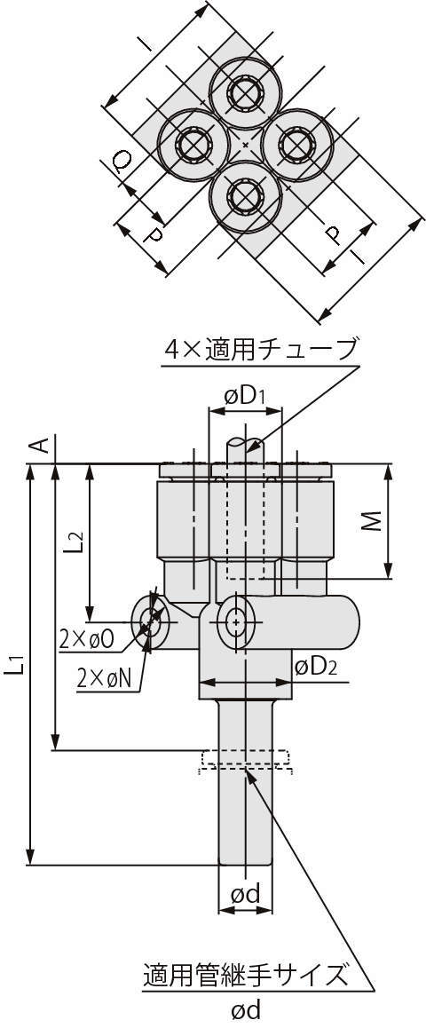
더블브랜치유니온와이 KQ2XD 더블브랜치유니온와이 KQ2XD