상품 이미지 새창 보기

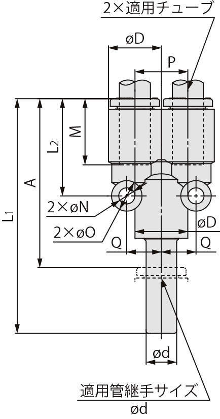
브랜치유니온와이 KQ2U 브랜치유니온와이 KQ2U