상품 이미지 새창 보기

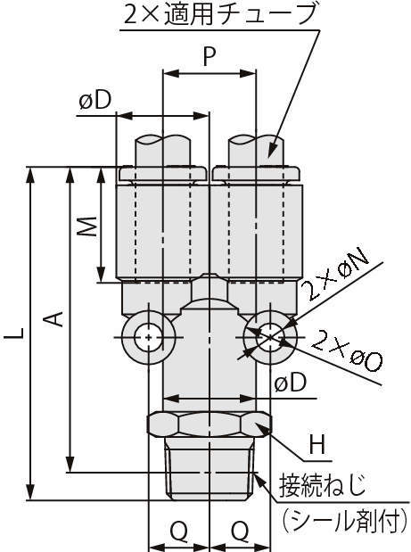
브랜치 KQ2U(씰제) 브랜치 KQ2U(씰제)